A/c condenser, piping (COMPRESSOR,BRACKET) Diagram Mitsubishi GALANT
- Year
- 2003 - 2006
- Sales region
- PUERTO RICO&GUAM/MMNA
- Note
- GTS,S4FA/T FED
- transmission
- S4FA/T
- grade
- GTS
Difficulties in parts search?
Parts list
Difficulties in parts search?
| Description | OEM Part # | Price | |||
|---|---|---|---|---|---|
|
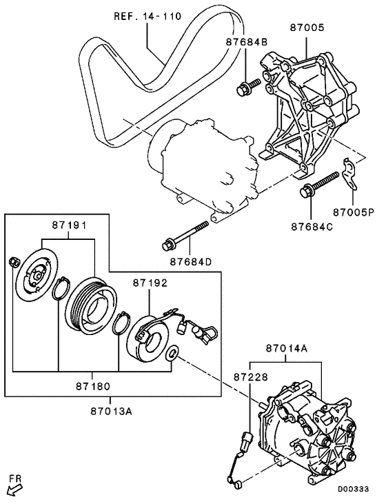
87005
|
87005
MR513475
BRACKET,A/C COMPRESSOR
|
MR513475 |
— | ||
|
87005P
|
87005P
MR988135
BRACKET,A/C COMPRESSOR
|
MR988135 |
— | ||
|
87013A
|
87013A
MR958859
CLUTCH ASSY,A/C COMPRESSOR
|
MR958859 |
— | ||
|
87014A
|
87014A
MR958858
COMPRESSOR ASSY,A/C
|
MR958858 |
— | ||
|
87180
|
87180
MR500330
CLUTCH KIT, A/C COMPRESSOR SERVICE
|
MR500330 |
— | ||
|
87191
|
87191
MR958854
ROTOR & ARMATURE KIT,A/C COMPRESSOR
|
MR958854 |
— | ||
|
87192
|
87192
MR958855
COIL,A/C COMPRESSOR
|
MR958855 |
— | ||
|
87228
|
87228
MR315443
HARNESS, A/C COMPRESSOR
|
MR315443 |
— | ||
|
87684B
|
87684B
MF303367 BOLT, OIL STRAINERWasher assembled,10x35 |
MF303367 |
US $2.19 |
||
|
87684B
|
87684B
MF303369 BOLT, OIL FILTERWasher assembled,10x40 |
MF303369 |
US $2.19 |
||
|
87684C
|
87684C
MF151406
BOLT,A/C COMPRESSOR
|
MF151406 |
— | ||
|
87684C
|
87684C
MF303377
BOLT, ENG MOUNTING
|
MF303377 |
— | ||
|
87684D
|
87684D
MU240026 BOLT, A/C COMPRESSORWasher assembled,8x100 |
MU240026 |
US $9.58 |
||
|
14 110
|
Water pump
14 110
|
||||
|
14 110
|
Water pump
14 110
|
||||