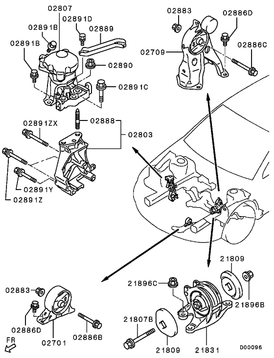
Engine mounting & support (ALL) Diagram Mitsubishi GALANT
- Year
- 2003 - 2006
- Sales region
- PUERTO RICO&GUAM/MMNA
- Note
- GTS,S4FA/T FED
- transmission
- S4FA/T
- grade
- GTS
Difficulties in parts search?
Difficulties in parts search?
| Description | OEM Part # | Price | |||
|---|---|---|---|---|---|
|
02701
|
02701
MN101006
BRACKET,ENG ROLL STOPPER
|
MN101006 |
— | ||
|
02709
|
02709
1092A046
BRACKET,ENG RR ROLL STOPPER
|
1092A046 |
— | ||
|
02709
|
02709
MN101009
BRACKET,ENG RR ROLL STOPPER
|
MN101009 |
— | ||
|
02803
|
02803
MN158463
BRACKET,CYLINDER BLOCK ENG FR MOUNTING
|
MN158463 |
— | ||
|
02807
|
02807
1091A075
BRACKET,ENG FR MOUNTING
|
1091A075 |
— | ||
|
02807
|
02807
MR589148
BRACKET,ENG FR MOUNTING
|
MR589148 |
— | ||
| replacement | |||||
|
02807
|
02807
1091A075
BRACKET,ENG FR MOUNTING
|
1091A075 |
— | ||
|
02883
|
02883
MB288462 NUT, ENG SUPPORT RODFlange self locking,10 |
MB288462 |
from US $2.07 |
||
| replacement | |||||
|
02883
|
02883
MB288462V
nut
|
MB288462V |
— | ||
|
02886B
|
02886B
MF140475 BOLT, ENG SUPPORT RODFlange,10x85 |
MF140475 |
from US $4.06 |
||
|
02886B
|
02886B
MF140476 BOLT, ENG SUPPORT RODFlange,10x90 |
MF140476 |
US $4.59 |
||
|
02886B
|
02886B
MF151407
BOLT,ENG SUPPORT ROD
|
MF151407 |
— | ||
|
02886C
|
02886C
MU000344 BOLT,ENG SUPPORT ROD |
MU000344 |
US $6.10 |
||
|
02886D
|
02886D
MU000343 BOLT, FR SUSP STABILIZERFlange,10x25 |
MU000343 |
from US $1.48 |
||
|
02886D
|
02886D
MU000598
BOLT,RR SUSP STABILIZER
|
MU000598 |
— | ||
|
02888
|
02888
MN158462
STUD,ENG MOUNTING
|
MN158462 |
— | ||
|
02889
|
02889
MN149829
STAY,ENG MOUNTING
|
MN149829 |
— | ||
|
02890
|
02890
MB242260 NUT, FR AXLE CROSSMEMBERSelf locking,12 |
MB242260 |
from US $3.56 |
||
|
02891B
|
02891B
MU000343 BOLT, FR SUSP STABILIZERFlange,10x25 |
MU000343 |
from US $1.48 |
||
|
02891B
|
02891B
MU000598
BOLT,RR SUSP STABILIZER
|
MU000598 |
— | ||
|
02891C
|
02891C
MU140080 BOLT, FR SUSP CTR MEMBERFlange,12x56 |
MU140080 |
from US $2.65 |
||
|
02891D
|
02891D
MU000743
BOLT,ENG MOUNTING
|
MU000743 |
— | ||
|
02891D
|
02891D
MU000750 BOLT, ENG MOUNTINGWasher assembled,10x23 |
MU000750 |
US $2.37 |
||
|
02891Y
|
02891Y
MF303378 BOLT, ENG OIL COOLERWashier assembled,10x85 |
MF303378 |
US $4.29 |
||
|
02891Z
|
02891Z
MD314518 BOLT, ENG MOUNTINGWasher assmbled,10x95 |
MD314518 |
US $5.62 |
||
|
02891ZX
|
02891ZX
MF303380 BOLT, INLET MANIFOLDWasher assembled,10x100 |
MF303380 |
US $4.74 |
||
|
21807B
|
21807B
MB581508 BOLT, T/M MOUNTING12x120 |
MB581508 |
US $6.36 |
||
|
21807B
|
21807B
MR131865 BOLT, ENG MOUNTING12x118 |
MR131865 |
US $6.22 |
||
|
21809
|
21809
1095A011
STOPPER,T/M MOUNTING
|
1095A011 |
— | ||
|
21831
|
21831
MN101214
BRACKET,T/M MOUNTING BODY SIDE
|
MN101214 |
— | ||
|
21831
|
21831
MR589192
BRACKET,T/M MOUNTING BODY SIDE
|
MR589192 |
— | ||
|
21896B
|
21896B
MB242260 NUT, FR AXLE CROSSMEMBERSelf locking,12 |
MB242260 |
from US $3.56 |
||
|
21896B
|
21896B
MF434106 NUT, ENG RR MOUNTINGFlange,12 |
MF434106 |
from US $1.17 |
||
|
21896B
|
21896B
MU000634 NUT, FR AXLE CROSSMEMBERFlange self locking,12 |
MU000634 |
US $3.11 |
||
|
21896C
|
21896C
MB242260 NUT, FR AXLE CROSSMEMBERSelf locking,12 |
MB242260 |
from US $3.56 |
||