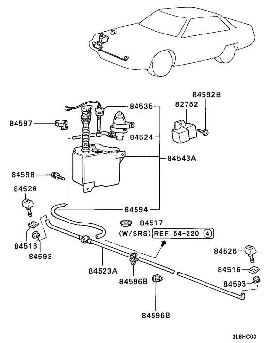
Headlamp wiper & washer Diagram Mitsubishi GALANT
- Year
- 1984 - 1987
- Sales region
- EUR
- Note
- EL,5FM/T LHD
- transmission
- 5FM/T
- grade
- EL
Difficulties in parts search?
Difficulties in parts search?
| Description | OEM Part # | Price | |||
|---|---|---|---|---|---|
|
82752
|
82752
MB306591 RELAY, HEADLAMP WASHER35600-37480 |
MB306591 |
US $139.86 |
||
|
84516
|
84516
MB306112 COLLAR,HEADLAMP WASHER |
MB306112 |
US $4.44 |
||
|
84517
|
84517
MB381910 COVER, HEADLAMP WASHER HOLE |
MB381910 |
US $8.88 |
||
|
84523A
|
84523A
MB306123 HOSE & VALVE ASSY, HEADLAMP WASHER |
MB306123 |
US $86.58 |
||
|
84524
|
84524
MB196174 MOTOR, HEADLAMP WASHER |
MB196174 |
US $260.48 |
||
|
84524
|
84524
MB530817
MOTOR,HEADLAMP WASHER
|
MB530817 |
— | ||
|
84526
|
84526
MB306122 NOZZLE,HEADLAMP WASHER |
MB306122 |
US $34.78 |
||
|
84535
|
84535
MB196178 SENSOR, HEADLAMP WASHER TANK LEVEL |
MB196178 |
US $68.82 |
||
|
84535
|
84535
MB381962 SENSOR,HEADLAMP WASHER TANK LEVEL |
MB381962 |
US $80.66 |
||
|
84543A
|
84543A
MB306121 TANK ASSY, HEADLAMP WASHER |
MB306121 |
US $382.93 |
||
|
84592B
|
84592B
MS450156 SCREW, CRUISE CONTROL ELECTRICALSTapping(flange head),5x12 |
MS450156 |
from US $3.16 |
||
|
84593
|
84593
MB306113 NUT, HEADLAMP WASHERWing,14 |
MB306113 |
from US $2.34 |
||
|
84594
|
84594
MB359979
HOSE,HEADLAMP WASHER
|
MB359979 |
— | ||
|
84596B
|
84596B
MB183629 CLIP, HEADLAMP WASHER3 |
MB183629 |
US $2.81 |
||
|
84597
|
84597
MB306497 CLAMP, WINDSHIELD WASHER |
MB306497 |
US $3.55 |
||
|
84598
|
84598
MS240121 BOLT, CONNRODWasher assembled,6x16 |
MS240121 |
from US $1.70 |
||
|
54 220
|
Windshield wiper & washer
54 220
|
||||
|
54 220
|
Windshield wiper & washer
54 220
|
||||