Radiator,hose & condenser tank (RADIATOR CONDENSER TANK) Diagram Mitsubishi GALANT

Year
1984 - 1987
Sales region
EUR
Note
GLX,5FM/T LHD
transmission
5FM/T
grade
GLX

Difficulties in parts search?

Parts list
Radiator,hose & condenser tank

Difficulties in parts search?

Radiator,hose & condenser tank
Description OEM Part # Price
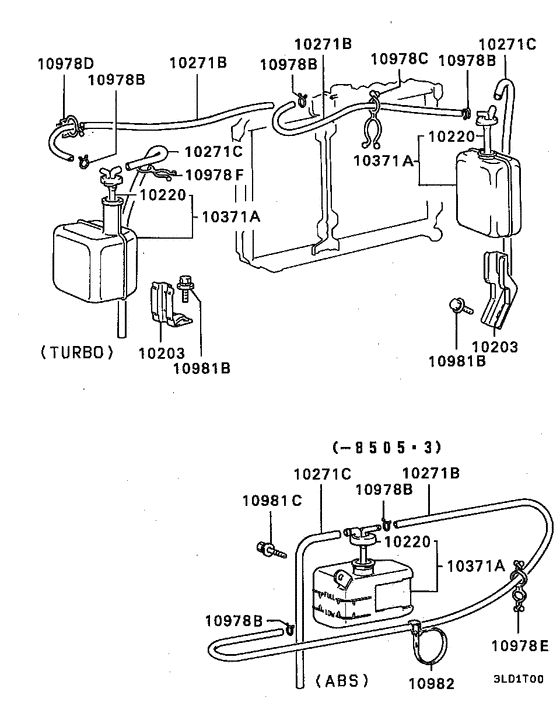
10203
10203

MB222456

BRACKET, RADIATOR CONDENSER TANK

MB222456

US $14.06

10220
10220
MB241876
CAP, RADIATOR CONDENSER TANK

MB241876

10220
10220
MB283720
CAP, RADIATOR CONDENSER TANK

MB283720

replacement
10220
10220

MN161264

CAP, RADIATOR CONDENSER TANK

MN161264

from US $10.14

10271B
10271B

MS600623

HOSE, RADIATOR CONDENSER TANK

7x2000

MS600623

from US $12.03

10271C
10271C

MB356394

HOSE, RADIATOR CONDENSER TANK

12x80-520

MB356394

US $17.02

10271C
10271C

MS610314

HOSE, RADIATOR CONDENSER TANK

7x2000

MS610314

US $48.56

10371A
10371A

MB008170

TANK ASSY, RADIATOR CONDENSER

MB008170

US $34.78

10371A
10371A

MB356424

TANK ASSY, RADIATOR CONDENSER

MB356424

US $43.66

10978B
10978B

MS660205

CLIP, RADIATOR PIPING

D=11.5

MS660205

from US $1.33

10978E
10978E

MB356157

CLIP, RADIATOR CONDENSER TANK

12.5-36

MB356157

US $3.70

10978F
10978F

MS470374

CLIP, A/C CONTROL EQUIP

20-25

MS470374

US $3.55

10981B
10981B

MS240095

BOLT, ENG OIL COOLER LINE

Washer assembled,8x16

MS240095

US $2.74

Radiator,hose & condenser tank (RADIATOR CONDENSER TANK) Diagram Mitsubishi GALANT EUR 1889182-165895