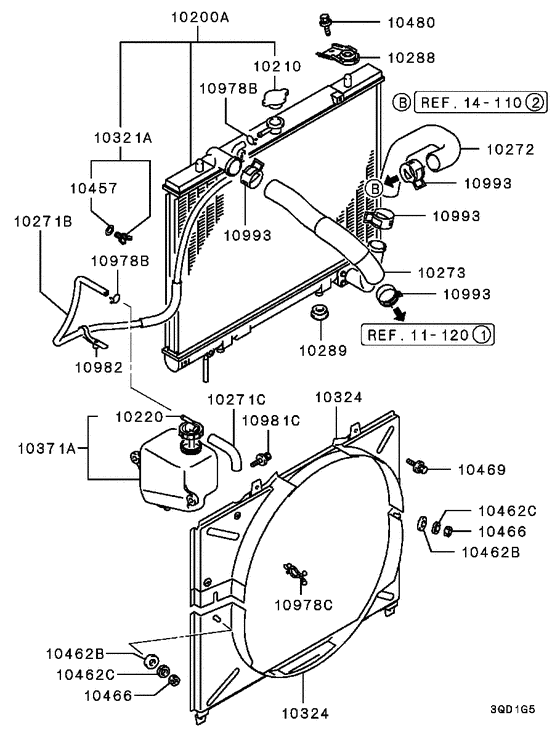
Radiator,hose & condenser tank Diagram Mitsubishi L200/TRITON/SPORTERO/STRADA
- Year
- 1996 - 1999
- Sales region
- MMTH
- Note
- DOUBLE CAB(WIDE FENDER),4FA/T
- drive
- 4WD
- transmission
- 4FA/T
- grade
- DOUBLE CAB
Difficulties in parts search?
Difficulties in parts search?
| Description | OEM Part # | Price | |||
|---|---|---|---|---|---|
|
10200A
|
10200A
MR281024 RADIATOR ASSY |
MR281024 |
US $1,358.45 |
||
|
10210
|
10210
MB660735 CAP, RADIATOR |
MB660735 |
from US $20.40 |
||
|
10220
|
10220
MR241073 CAP, RADIATOR CONDENSER TANK |
MR241073 |
from US $6.63 |
||
|
10271B
|
10271B
MR204323 HOSE, RADIATOR CONDENSER TANK |
MR204323 |
from US $5.47 |
||
|
10271C
|
10271C
MB660749 HOSE, RADIATOR CONDENSER TANK |
MB660749 |
from US $11.10 |
||
|
10272
|
10272
MR127440 HOSE, RADIATOR, LWR |
MR127440 |
from US $18.27 |
||
|
10273
|
10273
MR127488 HOSE, RADIATOR, UPR |
MR127488 |
from US $17.10 |
||
|
10288
|
10288
MR127881 INSULATOR, RADIATOR SUPPORT, UPR |
MR127881 |
US $11.35 |
||
|
10288
|
10288
MR239638 INSULATOR, RADIATOR SUPPORT, UPR |
MR239638 |
from US $17.78 |
||
|
10289
|
10289
MR126800 INSULATOR, RADIATOR SUPPORT, LWR |
MR126800 |
from US $6.10 |
||
|
10321A
|
10321A
MB597892 PLUG ASSY, RADIATOR |
MB597892 |
from US $3.61 |
||
|
10324
|
10324
MR127861 SHROUD, COOLING FAN |
MR127861 |
from US $122.10 |
||
|
10324
|
10324
MR127862 SHROUD, COOLING FAN |
MR127862 |
from US $95.46 |
||
|
10371A
|
10371A
MR127441 TANK ASSY, RADIATOR CONDENSER |
MR127441 |
from US $56.09 |
||
|
10457
|
10457
MB007701 O-RING, RADIATORD=5 |
MB007701 |
from US $3.32 |
||
|
10462B
|
10462B
MF450005 WASHER, FLYWHEEL HOUSINGPlain,8 |
MF450005 |
from US $1.01 |
||
|
10462C
|
10462C
MF450405 WASHER, CYLINDER HEADSpring,8 |
MF450405 |
from US $0.43 |
||
|
10466
|
10466
MF430005 NUT, ROCKER COVER8 |
MF430005 |
from US $1.01 |
||
|
10469
|
10469
MF243622 BOLT, ROCKER COVERWasher assembled,6x12 |
MF243622 |
from US $1.33 |
||
|
10480
|
10480
MF243649 BOLT, FLYWHEEL HOUSINGWasher assembled,8x16 |
MF243649 |
from US $0.59 |
||
|
10978B
|
10978B
MS660205 CLIP, RADIATOR PIPINGD=11.5 |
MS660205 |
from US $1.33 |
||
|
10978C
|
10978C
MR224776 CLIP, RADIATOR CONDENSER TANK |
MR224776 |
US $4.79 |
||
|
10981C
|
10981C
MF247226 BOLT, FUEL LINEWasher assembled,6x20 |
MF247226 |
US $1.92 |
||
|
10982
|
10982
MS470402 CLIP, WIRING, NO.2 |
MS470402 |
US $2.87 |
||
|
10993
|
10993
MB356968
CLIP, RADIATOR PIPING
|
MB356968 |
— | ||
| replacement | |||||
|
10993
|
10993
MR404538 CLIP, RADIATOR PIPINGD=37 |
MR404538 |
from US $2.83 |
||
|
11 120
|
Cylinder head
11 120
|
||||
|
11 120
|
Cylinder head
11 120
|
||||
|
14 110
|
Water pump
14 110
|
||||
|
14 110
|
Water pump
14 110
|
||||