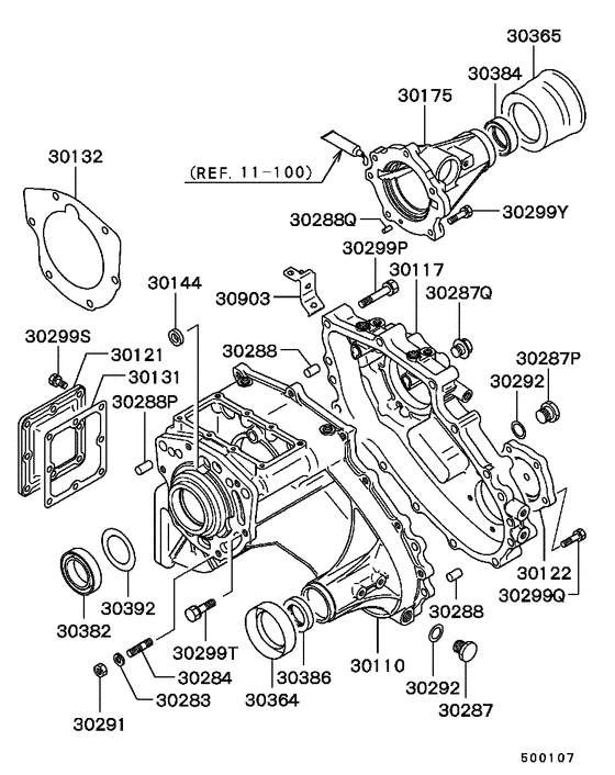
Transfer case (ALL) Diagram Mitsubishi L400 VAN
- Year
- 1994 - 2001
- Sales region
- EUR
- Note
- GLX(MPI),5FM/T LHD
- drive
- 4WD
- transmission
- 5FM/T
- grade
- GLX
Difficulties in parts search?
Difficulties in parts search?
| Description | OEM Part # | Price | |||
|---|---|---|---|---|---|
|
30110
|
30110
MD738099 CASE, T/F CHAIN |
MD738099 |
US $1,569.60 |
||
| replacement | |||||
|
30110
|
30110
3201A031 CASE, T/F CHAIN |
3201A031 |
US $1,183.73 |
||
|
30117
|
30117
MR165651 COVER, T/F CHAIN CASE |
MR165651 |
US $400.40 |
||
|
30117
|
30117
MR389244 COVER, T/F CHAIN CASE |
MR389244 |
US $404.77 |
||
|
30121
|
30121
MD704133 COVER, T/F CHAIN CASE SIDE |
MD704133 |
from US $20.36 |
||
|
30122
|
30122
MD704106 COVER, T/F FR OUTPUT SHAFT RR BEARING |
MD704106 |
US $27.38 |
||
|
30131
|
30131
MD704139 GASKET, T/F CHAIN CASE SIDE COVER |
MD704139 |
from US $3.53 |
||
|
30132
|
30132
MD738113 GASKET, T/F CHAIN CASE, FR |
MD738113 |
from US $2.87 |
||
|
30144
|
30144
MD704175
OIL SEAL, M/T GEARSHIFT SHAFT
|
MD704175 |
— | ||
| replacement | |||||
|
30144
|
30144
2590A016 OIL SEAL, T/F CASE GEARSHIFT SHAFT |
2590A016 |
from US $4.08 |
||
|
30175
|
30175
MR165657 COVER, T/F CASE, RR |
MR165657 |
US $224.96 |
||
| replacement | |||||
|
30175
|
30175
3201A045 COVER, T/F CASE, RR |
3201A045 |
US $231.19 |
||
|
30283
|
30283
MF450406 WASHERSpring,10 |
MF450406 |
from US $0.43 |
||
|
30284
|
30284
MB896202 STUD, T/F CASE10x28 |
MB896202 |
US $3.70 |
||
|
30287
|
30287
MB001293
PLUG, M/T CASE
|
MB001293 |
— | ||
| replacement | |||||
|
30287
|
30287
MB001265 PLUG KIT, RR AXLE HOUSING |
MB001265 |
from US $4.49 |
||
|
30287P
|
30287P
MD704168
PLUG, M/T CASE
|
MD704168 |
— | ||
| replacement | |||||
|
30287P
|
30287P
MB001265 PLUG KIT, RR AXLE HOUSING |
MB001265 |
from US $4.49 |
||
|
30287Q
|
30287Q
MB811559 PLUG, T/F CASE16 |
MB811559 |
US $9.30 |
||
|
30288
|
30288
MF472405 PIN, CYLINDER BLOCKDowel,10x20 |
MF472405 |
from US $1.31 |
||
|
30288P
|
30288P
MF472406 PIN, CYLINDER BLOCKDowel,12x24 |
MF472406 |
from US $2.37 |
||
|
30288Q
|
30288Q
MF472403 PIN, CYLINDER BLOCKDowel,6x14 |
MF472403 |
from US $2.40 |
||
|
30291
|
30291
MF430122 NUT, ENG RR MOUNTING10 |
MF430122 |
from US $0.72 |
||
|
30292
|
30292
MD000312 GASKET, PLUGD=18.2 |
MD000312 |
from US $1.31 |
||
|
30299P
|
30299P
MF241293 BOLT, T/F CASEWasher assembled,10x65 |
MF241293 |
from US $2.28 |
||
|
30299Q
|
30299Q
MD726987 BOLT, T/F CASEWasher assembled,8x30 |
MD726987 |
US $3.11 |
||
|
30299S
|
30299S
MF240051 BOLT, ROCKER COVERWasher assembled,8x16 |
MF240051 |
from US $0.96 |
||
|
30299T
|
30299T
MF241286 BOLT, COOLING FANWasher assembled,10x35 |
MF241286 |
from US $1.07 |
||
|
30299Y
|
30299Y
MB886892 BOLT, T/F CASEWasher assembled,10x30 |
MB886892 |
US $3.28 |
||
|
30364
|
30364
MD704210 GUARD, T/F FR OUTPUT SHAFT DUST SEAL |
MD704210 |
from US $6.57 |
||
|
30365
|
30365
MD700154 GUARD, T/F RR OUTPUT SHAFT DUST SEAL |
MD700154 |
from US $15.56 |
||
|
30382
|
30382
MR145502 OIL SEAL, T/F INPUT GEAR SHAFT |
MR145502 |
from US $11.95 |
||
|
30384
|
30384
MD731708 OIL SEAL, T/F RR OUTPUT SHAFT |
MD731708 |
from US $6.92 |
||
|
30386
|
30386
MD712012 OIL SEAL, T/F FR OUTPUT SHAFT |
MD712012 |
from US $5.28 |
||
|
30392
|
30392
MD704128 PLATE, T/F CASE OIL SEAL BAFFLE |
MD704128 |
from US $2.89 |
||
|
30903
|
30903
MB837488 BRACKET, T/F HARNESS CONNECTOR |
MB837488 |
US $6.36 |
||
|
11 100
|
Liquid gasket
11 100
|
||||