Emission control (W/TCL) Diagram Mitsubishi LANCER
- Year
- 1991 - 1993
- Sales region
- Japan
- Note
- VIE LIMITED(V6/MPI),5FM/T
- drive
- 2WD
- transmission
- 5FM/T
- grade
- VIE LIMITED
- body
- SEDAN
Difficulties in parts search?
Parts list
Difficulties in parts search?
| Description | OEM Part # | Price | |||
|---|---|---|---|---|---|
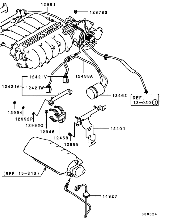
|
12433A
|
12433A
MB851029 HOSE & PIPE ASSY, EMISSION CONTROL |
MB851029 |
US $40.70 |
||
|
12433A
|
12433A
MD159946 HOSE & PIPE ASSY, EMISSION CONTROL |
MD159946 |
US $43.66 |
||
|
12946
|
12946
MS440502 NUT, FUEL TANKWasher assembled,6 |
MS440502 |
from US $1.74 |
||
|
12978S
|
12978S
MF140202 BOLT, FLANGE (6x10)Flange,6x10 |
MF140202 |
from US $1.66 |
||
|
12981
|
12981
MS632392 HOSE, EMISSION CONTROL EQUIP3x2000 |
MS632392 |
US $54.72 |
||
|
12992P
|
12992P
MF450404 WASHER, ENG OIL PANSpring,6 |
MF450404 |
from US $0.62 |
||
|
12992Q
|
12992Q
MF450153 WASHER, TIMING POWER TRAIN CASEPlain,6 |
MF450153 |
US $0.96 |
||
|
12994
|
12994
MF430004 NUT, ENG OIL PAN6 |
MF430004 |
from US $0.99 |
||
|
12999
|
12999
MS240121 BOLT, CONNRODWasher assembled,6x16 |
MS240121 |
from US $1.70 |
||
|
14927
|
14927
MD173742 SENSOR, EXHAUST HIGH TEMPERATURE |
MD173742 |
US $236.80 |
||
|
13 020
|
Fuel line & vapor gas control
13 020
|
||||
|
15 310
|
Exhaust manifold
15 310
|
||||
|
15 310
|
Exhaust manifold
15 310
|
||||