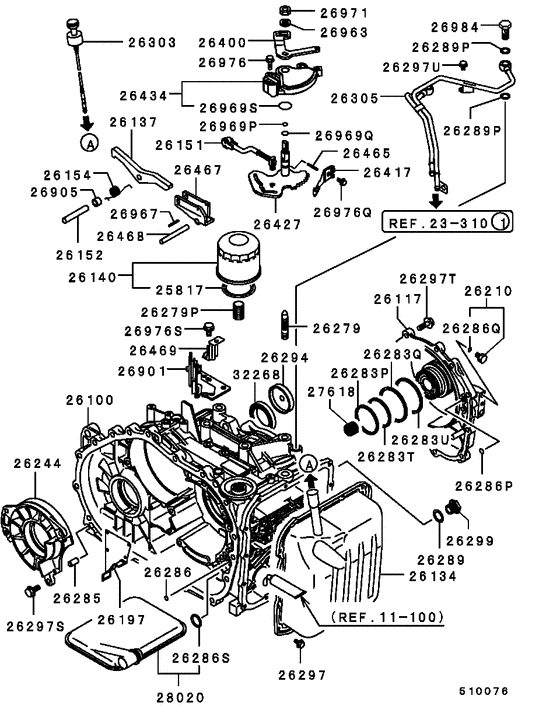
A/t case (ALL (T/M CASE)) Diagram Mitsubishi LANCER
- Year
- 1999 - 2001
- Sales region
- 6B/MMTH
- Note
- GL(COLOR BUMPER),4FA/T THAI-6B
- drive
- 2WD
- transmission
- 4FA/T
- grade
- GL
- body
- SEDAN
Difficulties in parts search?
Difficulties in parts search?
| Description | OEM Part # | Price | |||
|---|---|---|---|---|---|
|
25817
|
25817
MD622034 GASKET, T/M OIL FILTER |
MD622034 |
US $7.70 |
||
|
26100
|
26100
MR486893 CASE, A/T |
MR486893 |
US $1,728 |
||
|
26100
|
26100
MR486894 CASE, A/T |
MR486894 |
US $1,728 |
||
|
26100
|
26100
MR593510 CASE, A/T |
MR593510 |
US $1,354.08 |
||
|
26117
|
26117
MD763204 COVER, A/T CASE, RR |
MD763204 |
US $442.10 |
||
|
26134
|
26134
MD758639 OIL PAN, A/T CASE |
MD758639 |
US $85.10 |
||
|
26137
|
26137
MD760714 PAWL, A/T CASE PARKING |
MD760714 |
US $30.34 |
||
|
26140
|
26140
MD752072 OIL FILTER ASSY, T/M |
MD752072 |
from US $34.01 |
||
|
26151
|
26151
MD760718 ROD, A/T PARKING PAWL |
MD760718 |
US $31.08 |
||
|
26152
|
26152
MD760619 SHAFT, A/T PARKING PAWL |
MD760619 |
US $5.92 |
||
|
26154
|
26154
MD755088 SPRING, A/T CASE PARKING PAWL |
MD755088 |
US $2.37 |
||
|
26197
|
26197
MD757015 OIL GUIDE, A/T CASE |
MD757015 |
US $7.10 |
||
|
26210
|
26210
MD707198 PLUG KIT, A/T CASE |
MD707198 |
US $5.48 |
||
|
26244
|
26244
MD761638 RETAINER, A/T OUTPUT SHAFT BEARING |
MD761638 |
US $93.24 |
||
|
26279
|
26279
MD751929 STUD, A/T CASE12x29.5 |
MD751929 |
US $4.51 |
||
|
26279P
|
26279P
MD192439 STUD, CYLINDER BLOCK20x31 |
MD192439 |
US $7.55 |
||
|
26283P
|
26283P
MD760146
SEAL RING, A/T CASE
|
MD760146 |
— | ||
| replacement | |||||
|
26283P
|
26283P
2721A067 SEAL RING, A/T CASE |
2721A067 |
from US $6.57 |
||
|
26283Q
|
26283Q
MD760147
SEAL RING, A/T CASE
|
MD760147 |
— | ||
| replacement | |||||
|
26283Q
|
26283Q
2791A047 SEAL RING, A/T OIL PUMP |
2791A047 |
from US $6.57 |
||
|
26283T
|
26283T
MD760146
SEAL RING, A/T CASE
|
MD760146 |
— | ||
| replacement | |||||
|
26283T
|
26283T
2721A067 SEAL RING, A/T CASE |
2721A067 |
from US $6.57 |
||
|
26283U
|
26283U
MD760147
SEAL RING, A/T CASE
|
MD760147 |
— | ||
| replacement | |||||
|
26283U
|
26283U
2791A047 SEAL RING, A/T OIL PUMP |
2791A047 |
from US $6.57 |
||
|
26285
|
26285
MF472405 PIN, CYLINDER BLOCKDowel,10x20 |
MF472405 |
from US $1.31 |
||
|
26286
|
26286
MD707187
O-RING, A/T CASE
|
MD707187 |
— | ||
| replacement | |||||
|
26286
|
26286
2502A002 PLUG KIT, A/T CASE |
2502A002 |
US $2.46 |
||
|
26286P
|
26286P
MD707200
O-RING, OIL FILTER
|
MD707200 |
— | ||
| replacement | |||||
|
26286P
|
26286P
MR486844 O-RING, A/T CASE9.8 |
MR486844 |
from US $1.25 |
||
|
26286Q
|
26286Q
MD707187
O-RING, A/T CASE
|
MD707187 |
— | ||
| replacement | |||||
|
26286Q
|
26286Q
2502A002 PLUG KIT, A/T CASE |
2502A002 |
US $2.46 |
||
|
26286S
|
26286S
MD622023 O-RING, A/T CASE |
MD622023 |
from US $2.38 |
||
|
26289
|
26289
MD000312 GASKET, PLUGD=18.2 |
MD000312 |
from US $1.31 |
||
|
26289P
|
26289P
MF660064 GASKET, CYLINDER BLOCKD=12 |
MF660064 |
from US $0.57 |
||
|
26294
|
26294
MD758173 CAP, A/T CASE57 |
MD758173 |
US $8.21 |
||
|
26297
|
26297
MF140203 BOLT, ACCEL CABLE SUPPORTFlange,6x12 |
MF140203 |
from US $0.78 |
||
|
26297S
|
26297S
MD759832 BOLT, A/T CASESeal,8x20 |
MD759832 |
US $2.37 |
||
|
26297S
|
26297S
MR553872 BOLT, A/T CASEFlange,8x21 |
MR553872 |
US $1.63 |
||
|
26297T
|
26297T
MF140227 BOLT, ROCKER COVERFlange,8x25 |
MF140227 |
from US $0.96 |
||
|
26297U
|
26297U
MF140203 BOLT, ACCEL CABLE SUPPORTFlange,6x12 |
MF140203 |
from US $0.78 |
||
|
26299
|
26299
MB569372 PLUG, RR AXLE HOUSINGMagnet |
MB569372 |
US $26.13 |
||
| replacement | |||||
|
26299
|
26299
MB569390 PLUG KIT, FR DIFF |
MB569390 |
from US $6.14 |
||
|
26303
|
26303
MD763339
GAUGE, A/T OIL LEVEL
|
MD763339 |
— | ||
| replacement | |||||
|
26303
|
26303
MN168612 GAUGE, A/T OIL LEVEL |
MN168612 |
from US $23.99 |
||
|
26305
|
26305
MD761328 TUBE, A/T OIL COOLER FEED |
MD761328 |
US $38.30 |
||
|
26400
|
26400
MD756873 LEVER, A/T MANUAL CONTROL |
MD756873 |
US $13.91 |
||
|
26417
|
26417
MD759093 DETENT, A/T MANUAL CONTROL SHAFT |
MD759093 |
US $22.94 |
||
|
26417
|
26417
MR515066 DETENT, A/T MANUAL CONTROL SHAFT |
MR515066 |
US $14.36 |
||
|
26427
|
26427
MD756869 SHAFT, A/T MANUAL CONTROL LEVER |
MD756869 |
US $39.96 |
||
|
26434
|
26434
MD757783
SWITCH, A/T CASE INHIBITOR
|
MD757783 |
— | ||
| replacement | |||||
|
26434
|
26434
8604A011 SWITCH, A/T CASE INHIBITOR |
8604A011 |
from US $81.22 |
||
|
26465
|
26465
MD713080 ROLLER, A/T PARKING SHAFT |
MD713080 |
US $2.46 |
||
|
26467
|
26467
MD755083 SUPPORT, A/T PARKING PAWL ROD |
MD755083 |
US $18.50 |
||
|
26468
|
26468
MD759487 SHAFT, A/T PARKING ROLLER SUPPORT |
MD759487 |
US $6.51 |
||
|
26468
|
26468
MR593498 SHAFT, A/T PARKING ROLLER SUPPORT |
MR593498 |
US $5.92 |
||
|
26469
|
26469
MD760601 BRACKET, A/T HARNESS |
MD760601 |
US $6.81 |
||
|
26901
|
26901
MD759593 BRACKET, A/T CONTROL CABLE SUPPORT |
MD759593 |
US $77.70 |
||
|
26905
|
26905
MD753781 SPACER, A/T CONTROL EQUIP |
MD753781 |
US $2.37 |
||
|
26963
|
26963
MF450406 WASHERSpring,10 |
MF450406 |
from US $0.43 |
||
|
26967
|
26967
MF472540 PIN, SPARE TIRE CARRIERSpring,3x25 |
MF472540 |
US $1.48 |
||
|
26969P
|
26969P
MD726966 O-RING, A/T CONTROL EQUIP8.2 |
MD726966 |
from US $1.29 |
||
|
26969Q
|
26969Q
MD707200
O-RING, OIL FILTER
|
MD707200 |
— | ||
| replacement | |||||
|
26969Q
|
26969Q
MR486844 O-RING, A/T CASE9.8 |
MR486844 |
from US $1.25 |
||
|
26969S
|
26969S
MD622019 O-RING, A/T CONTROL EQUIP |
MD622019 |
US $7.10 |
||
|
26971
|
26971
MF430726 NUT, FLYWHEEL HOUSINGJam,10 |
MF430726 |
from US $1.01 |
||
|
26976
|
26976
MF140207 BOLT, ROCKER COVERFlange,6x20 |
MF140207 |
from US $0.72 |
||
|
26976Q
|
26976Q
MS101202 BOLT, A/T VALVE BODY INRFlange,5x12 |
MS101202 |
US $2.60 |
||
|
26976S
|
26976S
MF140223 BOLT, CYLINDER HEADFlange,8x16 |
MF140223 |
from US $1.01 |
||
|
26984
|
26984
MD757705
EYEBOLT, A/T
|
MD757705 |
— | ||
|
27618
|
27618
MD752039 BEARING, A/T INPUT SHAFT, RRNeedle,22 |
MD752039 |
US $9.03 |
||
|
27618
|
27618
MR446687 BEARING, A/T INPUT SHAFT, RRNeedle,22 |
MR446687 |
US $8.14 |
||
|
28020
|
28020
MD758691
OIL FILTER, A/T VALVE BODY
|
MD758691 |
— | ||
| replacement | |||||
|
28020
|
28020
MD758684 OIL FILTER, A/T VALVE BODY |
MD758684 |
US $53.78 |
||
|
32268
|
32268
MD755526 OIL SEAL,RR DIFF SIDE BEARING,RH |
MD755526 |
from US $4.41 |
||
|
32268
|
32268
MD755904
OIL SEAL, T/M FR DIFF CASE
|
MD755904 |
— | ||
| replacement | |||||
|
32268
|
32268
MD755526 OIL SEAL,RR DIFF SIDE BEARING,RH |
MD755526 |
from US $4.41 |
||
|
11 100
|
Liquid gasket
11 100
|
||||
|
23 310
|
A/t oil cooler & tube
23 310
|
||||