A/c unit(manual:a) Diagram Mitsubishi LANCER
- Year
- 1999 - 2000
- Sales region
- EUR
- Note
- EVO-6 GSR(SPECIAL COLORING),5M/T
- drive
- 4WD
- grade
- EVO-6 GSR
- body
- SEDAN
Difficulties in parts search?
Parts list
Difficulties in parts search?
| Description | OEM Part # | Price | |||
|---|---|---|---|---|---|
|
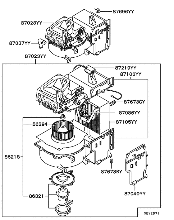
86218
|
86218
MB918830
FAN & MOTOR KIT,HEATER
|
MB918830 |
— | ||
|
86218
|
86218
MR283300
FAN & MOTOR KIT, HEATER
|
MR283300 |
— | ||
|
86294
|
86294
MR283301
FAN, HEATER BLOWER
|
MR283301 |
— | ||
|
86321
|
86321
MR283302
MOTOR, HEATER BLOWER
|
MR283302 |
— | ||
|
87696YY
|
87696YY
MU431508 NUT, HEATER8 |
MU431508 |
from US $1.07 |