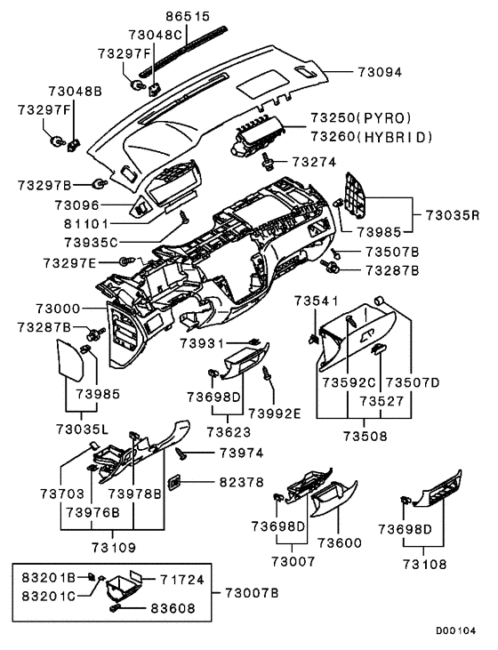
I/panel & related parts (LHD..I/PANEL PAD,GLOVEBOX,ETC.) Diagram Mitsubishi LANCER
- Year
- 2003 - 2009
- Sales region
- EUR
- Note
- COMFORT/INVITE(MPI),5FM/T LHD
- transmission
- 5FM/T
- grade
- COMFORT/INVITE
- body
- SEDAN
Difficulties in parts search?
Difficulties in parts search?
| Description | OEM Part # | Price | |||
|---|---|---|---|---|---|
|
71724
|
71724
MR588018 LABEL, FUSE |
MR588018 |
US $2.96 |
||
|
73000
|
73000
MR633550
PANEL,INSTRUMENT
|
MR633550 |
— | ||
|
73000
|
73000
MR647660
PANEL,INSTRUMENT
|
MR647660 |
— | ||
|
73000
|
73000
MR648054
PANEL,INSTRUMENT
|
MR648054 |
— | ||
|
73007B
|
73007B
MR644608 BOX, INSTRUMENT PANEL PARCEL |
MR644608 |
US $29.60 |
||
|
73007B
|
73007B
MR647159 BOX, INSTRUMENT PANEL PARCEL |
MR647159 |
US $29.60 |
||
|
73007B
|
73007B
MR975089 BOX, INSTRUMENT PANEL PARCEL |
MR975089 |
US $29.60 |
||
|
73035L
|
73035L
MR626744 COVER, INSTRUMENT PANEL SIDE, LH |
MR626744 |
US $14.36 |
||
|
73035L
|
73035L
MR644595 COVER, INSTRUMENT PANEL SIDE, LH |
MR644595 |
US $14.36 |
||
|
73035L
|
73035L
MR647111 COVER, INSTRUMENT PANEL SIDE, LH |
MR647111 |
US $14.36 |
||
|
73035R
|
73035R
MR626745 COVER, INSTRUMENT PANEL SIDE, RH |
MR626745 |
US $14.36 |
||
|
73035R
|
73035R
MR644596 COVER, INSTRUMENT PANEL SIDE, RH |
MR644596 |
US $14.36 |
||
|
73035R
|
73035R
MR647112 COVER, INSTRUMENT PANEL SIDE, RH |
MR647112 |
US $14.36 |
||
|
73048B
|
73048B
MR512554 BRACKET, INSTRUMENT PANEL SIDE, UPR |
MR512554 |
US $5.18 |
||
|
73048C
|
73048C
MR532891 BRACKET, INSTRUMENT PANEL SIDE, UPR |
MR532891 |
US $7.52 |
||
|
73094
|
73094
MR633898
PAD,INSTRUMENT PANEL
|
MR633898 |
— | ||
|
73096
|
73096
MR647651
PANEL,INSTRUMENT CONTROL
|
MR647651 |
— | ||
|
73096
|
73096
MR654801
PANEL,INSTRUMENT CONTROL
|
MR654801 |
— | ||
|
73108
|
73108
MR626799 PANEL, INSTRUMENT, LWR CTR |
MR626799 |
from US $30.56 |
||
|
73108
|
73108
MR647202 PANEL, INSTRUMENT, LWR CTR |
MR647202 |
US $27.38 |
||
|
73109
|
73109
MR633551 PANEL,INSTRUMENT,LWR |
MR633551 |
US $182.54 |
||
|
73109
|
73109
MR647662
PANEL,INSTRUMENT,LWR
|
MR647662 |
— | ||
|
73109
|
73109
MR648055
PANEL,INSTRUMENT,LWR
|
MR648055 |
— | ||
|
73250
|
73250
MN185261
MODULE,PASSENGER AIR BAG
|
MN185261 |
— | ||
|
73274
|
73274
MS240141 BOLT, FUEL FILLER LID PANELWasher assembled,6x16 |
MS240141 |
from US $1.25 |
||
|
73287B
|
73287B
MS240141 BOLT, FUEL FILLER LID PANELWasher assembled,6x16 |
MS240141 |
from US $1.25 |
||
|
73297B
|
73297B
MB409437 SCREW, STEERING COLUMN COVERTapping,5x12 |
MB409437 |
from US $1.91 |
||
|
73297E
|
73297E
MB409437 SCREW, STEERING COLUMN COVERTapping,5x12 |
MB409437 |
from US $1.91 |
||
|
73297E
|
73297E
MF453033 SCREW, TAPPING, 5x16Tapping,5x16 |
MF453033 |
from US $1.66 |
||
|
73297F
|
73297F
MB409437 SCREW, STEERING COLUMN COVERTapping,5x12 |
MB409437 |
from US $1.91 |
||
|
73297F
|
73297F
MB409438 SCREW, STEERING COLUMN COVERTapping,5x16 |
MB409438 |
from US $3.16 |
||
|
73507B
|
73507B
MR147231 CUSHION, GLOVEBOX |
MR147231 |
US $2.96 |
||
|
73507D
|
73507D
MR402762 CUSHION, GLOVEBOX |
MR402762 |
US $1.63 |
||
|
73508
|
73508
MR633537
GLOVEBOX
|
MR633537 |
— | ||
|
73508
|
73508
MR647632
GLOVEBOX
|
MR647632 |
— | ||
|
73508
|
73508
MR648038
GLOVEBOX
|
MR648038 |
— | ||
|
73527
|
73527
MR633552 LOCK,GLOVEBOX |
MR633552 |
US $11.37 |
||
|
73527
|
73527
MR647663
LOCK,GLOVEBOX
|
MR647663 |
— | ||
|
73527
|
73527
MR648056 LOCK,GLOVEBOX |
MR648056 |
US $8.17 |
||
|
73541
|
73541
MB326033 STOPPER, GLOVEBOX |
MB326033 |
from US $1.89 |
||
|
73592C
|
73592C
MS452405 SCREW, REFLECTOR(5x12) |
MS452405 |
US $1.37 |
||
|
73623
|
73623
MR626784 PANEL, INSTRUMENT PANEL CONSOLE |
MR626784 |
from US $59.46 |
||
|
73623
|
73623
MR644612 PANEL, INSTRUMENT PANEL CONSOLE |
MR644612 |
US $61.42 |
||
|
73623
|
73623
MR647180 PANEL, INSTRUMENT PANEL CONSOLE |
MR647180 |
US $61.42 |
||
|
73698D
|
73698D
MR402859 CLIP, FLOOR CONSOLE |
MR402859 |
from US $1.66 |
||
|
73703
|
73703
MR975303 SPRING, PARCEL BOX |
MR975303 |
US $1.04 |
||
|
73931
|
73931
MB135995 NUT, FUEL FILLER LID LOCKINGSpring,5 |
MB135995 |
from US $1.72 |
||
|
73935C
|
73935C
MF453093 SCREW, FUEL FILLER LID LOCKINGTapping,5x16 |
MF453093 |
from US $1.68 |
||
|
73935C
|
73935C
MF453273 SCREW, SCUFF PLATETapping,5x16 |
MF453273 |
from US $1.54 |
||
|
73974
|
73974
MF453394 SCREW, SUNVISORTapping,5x20 |
MF453394 |
from US $1.77 |
||
|
73974
|
73974
MF453574 SCREW, SCUFF PLATETapping,5x20 |
MF453574 |
US $1.92 |
||
|
73976B
|
73976B
MB135995 NUT, FUEL FILLER LID LOCKINGSpring,5 |
MB135995 |
from US $1.72 |
||
|
73978B
|
73978B
MR402859 CLIP, FLOOR CONSOLE |
MR402859 |
from US $1.66 |
||
|
73985
|
73985
MR402859 CLIP, FLOOR CONSOLE |
MR402859 |
from US $1.66 |
||
|
73992E
|
73992E
MF453093 SCREW, FUEL FILLER LID LOCKINGTapping,5x16 |
MF453093 |
from US $1.68 |
||
|
73992E
|
73992E
MF453273 SCREW, SCUFF PLATETapping,5x16 |
MF453273 |
from US $1.54 |
||
|
81101
|
81101
MR506452
BEZEL,COMBINATION METER
|
MR506452 |
— | ||
|
82378
|
82378
MR402645 HOLDER, INSTRUMENT PANEL SWITCH |
MR402645 |
US $11.35 |
||
|
82378
|
82378
MR647681 PANEL, INSTRUMENT PANEL SWITCH |
MR647681 |
US $6.51 |
||
|
82378
|
82378
MR647777 PANEL, INSTRUMENT PANEL SWITCH |
MR647777 |
US $6.51 |
||
|
83201B
|
83201B
MS810875 FUSE, SWITCHBlade(mini) type,7.5a |
MS810875 |
from US $1.15 |
||
|
83201B
|
83201B
MS810876 FUSE, BODY WIRINGBlade(mini) type,10a |
MS810876 |
from US $1.25 |
||
|
83201B
|
83201B
MS810877 FUSE, SWITCHBlade(mini) type,15a |
MS810877 |
from US $1.15 |
||
|
83201B
|
83201B
MS810878 FUSE, BODY WIRINGBlade(mini) type,20a |
MS810878 |
from US $1.25 |
||
|
83201C
|
83201C
MS810969 FUSE, CHASSIS WIRINGBlade type,30a |
MS810969 |
from US $1.33 |
||
|
83608
|
83608
MR172647 PULLER, FUSE |
MR172647 |
US $7.25 |
||
|
86515
|
86515
MR626743 GARNISH, DEFROSTER |
MR626743 |
from US $32.08 |