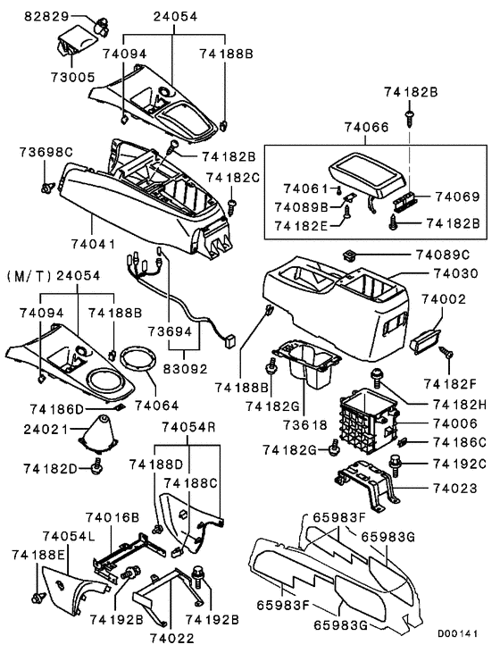
Console (LHD 0507.1-) Diagram Mitsubishi LANCER
- Year
- 2003 - 2009
- Sales region
- EUR
- Note
- COMFORT/INVITE(MPI),4FA/T LHD
- transmission
- 4FA/T
- grade
- COMFORT/INVITE
- body
- SEDAN
Difficulties in parts search?
Difficulties in parts search?
| Description | OEM Part # | Price | |||
|---|---|---|---|---|---|
|
24054
|
24054
MR647679
PANEL,GEARSHIFT LEVER
|
MR647679 |
— | ||
|
24054
|
24054
MR647680
PANEL,GEARSHIFT LEVER
|
MR647680 |
— | ||
|
65983F
|
65983F
MN124264 PAD, FLOOR |
MN124264 |
US $5.20 |
||
|
65983F
|
65983F
MN162740
PAD,FLOOR
|
MN162740 |
— | ||
|
65983G
|
65983G
MN124265 PAD, FLOOR |
MN124265 |
US $5.20 |
||
|
65983G
|
65983G
MN162738 PAD, FLOOR |
MN162738 |
US $3.85 |
||
|
73005
|
73005
MR646881 ASHTRAY, INSTRUMENT PANEL |
MR646881 |
from US $85.06 |
||
|
73005
|
73005
MR647113
ASHTRAY,INSTRUMENT PANEL
|
MR647113 |
— | ||
|
73618
|
73618
MR626765 HOLDER, INSTRUMENT PANEL CONSOLE CUP |
MR626765 |
US $59.51 |
||
|
73618
|
73618
MR630444 HOLDER, INSTRUMENT PANEL CONSOLE CUP |
MR630444 |
US $66.35 |
||
|
73618
|
73618
MR644605 HOLDER, INSTRUMENT PANEL CONSOLE CUP |
MR644605 |
US $44.40 |
||
|
73618
|
73618
MR647143 HOLDER, INSTRUMENT PANEL CONSOLE CUP |
MR647143 |
US $44.40 |
||
|
73618
|
73618
MR647540 HOLDER, INSTRUMENT PANEL CONSOLE CUP |
MR647540 |
US $48.84 |
||
|
73618
|
73618
MR654807
HOLDER,INSTRUMENT PANEL CONSOLE CUP
|
MR654807 |
— | ||
|
73694
|
73694
MB918617 BULB, INSTRUMENT PANEL WIRING14v-1.4w |
MB918617 |
from US $4.78 |
||
|
73694
|
73694
MS820083 BULB, GEARSHIFT LINK |
MS820083 |
from US $2.15 |
||
|
73698C
|
73698C
MR975477HC CLIP, BACK DOOR TRIM |
MR975477HC |
from US $2.38 |
||
|
73698C
|
73698C
MR975477YE CLIP, BACK DOOR TRIM |
MR975477YE |
US $1.78 |
||
|
74002
|
74002
MR647100 ASHTRAY, FLOOR CONSOLE |
MR647100 |
US $23.68 |
||
|
74002
|
74002
MR647101 ASHTRAY, FLOOR CONSOLE |
MR647101 |
US $23.68 |
||
|
74002
|
74002
MR789154 ASHTRAY, FLOOR CONSOLE |
MR789154 |
US $34.20 |
||
|
74006
|
74006
MR626771
BOX, FLOOR CONSOLE, INR
|
MR626771 |
— | ||
|
74006
|
74006
MR647150 BOX, FLOOR CONSOLE, INR |
MR647150 |
US $44.40 |
||
|
74006
|
74006
MR647769 BOX, FLOOR CONSOLE, INR |
MR647769 |
US $44.40 |
||
|
74016B
|
74016B
MR532717
BRACKET,FLOOR CONSOLE
|
MR532717 |
— | ||
|
74023
|
74023
MR506535 BRACKET, FLOOR CONSOLE, RR |
MR506535 |
US $47.88 |
||
|
74030
|
74030
MR626770 CONSOLE, FLOOR, RR |
MR626770 |
from US $127.57 |
||
|
74030
|
74030
MR647147 CONSOLE, FLOOR, RR |
MR647147 |
US $93.98 |
||
|
74030
|
74030
MR647768 CONSOLE, FLOOR, RR |
MR647768 |
US $93.98 |
||
|
74041
|
74041
MR633547
CONSOLE,FLOOR,FR
|
MR633547 |
— | ||
|
74041
|
74041
MR647654
CONSOLE,FLOOR,FR
|
MR647654 |
— | ||
|
74041
|
74041
MR648049
CONSOLE,FLOOR,FR
|
MR648049 |
— | ||
|
74054L
|
74054L
MR623872 COVER,FLOOR CONSOLE SIDE,LH |
MR623872 |
US $20.83 |
||
|
74054L
|
74054L
MR647655
COVER,FLOOR CONSOLE SIDE,LH
|
MR647655 |
— | ||
|
74054L
|
74054L
MR648050
COVER,FLOOR CONSOLE SIDE,LH
|
MR648050 |
— | ||
|
74054R
|
74054R
MR623873 COVER,FLOOR CONSOLE SIDE,RH |
MR623873 |
US $33.44 |
||
|
74054R
|
74054R
MR647656
COVER,FLOOR CONSOLE SIDE,RH
|
MR647656 |
— | ||
|
74054R
|
74054R
MR648051
COVER,FLOOR CONSOLE SIDE,RH
|
MR648051 |
— | ||
|
74061
|
74061
MB604673 CUSHION, FLOOR CONSOLE |
MB604673 |
US $4.24 |
||
|
74066
|
74066
MR626773 LID, FLOOR CONSOLE |
MR626773 |
US $152.44 |
||
|
74066
|
74066
MR647153 LID, FLOOR CONSOLE |
MR647153 |
US $152.44 |
||
|
74066
|
74066
MR654773 LID, FLOOR CONSOLE |
MR654773 |
US $137.64 |
||
|
74066
|
74066
MR654774 LID, FLOOR CONSOLE |
MR654774 |
US $137.64 |
||
|
74069
|
74069
MR512709 HINGE, FLOOR CONSOLE BOX LID |
MR512709 |
US $6.51 |
||
|
74069
|
74069
MR572987 HINGE, FLOOR CONSOLE BOX LID |
MR572987 |
US $7.10 |
||
|
74089B
|
74089B
MR626793 STRIKER, FLOOR RR CONSOLE |
MR626793 |
from US $1.35 |
||
|
74089B
|
74089B
MR647191 LOCK, FLOOR CONSOLE |
MR647191 |
from US $1.11 |
||
|
74089B
|
74089B
MR647192 LOCK, FLOOR CONSOLE |
MR647192 |
US $1.78 |
||
|
74089C
|
74089C
MR626792 LOCK, FLOOR CONSOLE |
MR626792 |
from US $2.01 |
||
|
74089C
|
74089C
MR647189 LOCK, FLOOR CONSOLE |
MR647189 |
US $1.92 |
||
|
74089C
|
74089C
MR647190 LOCK, FLOOR CONSOLE |
MR647190 |
US $1.92 |
||
|
74094
|
74094
MB604627 SPRING, INSTRUMENT PANEL ASHTRAY HOLD |
MB604627 |
US $6.98 |
||
|
74182B
|
74182B
MF453033 SCREW, TAPPING, 5x16Tapping,5x16 |
MF453033 |
from US $1.66 |
||
|
74182B
|
74182B
MF453273 SCREW, SCUFF PLATETapping,5x16 |
MF453273 |
from US $1.54 |
||
|
74182C
|
74182C
MF453033 SCREW, TAPPING, 5x16Tapping,5x16 |
MF453033 |
from US $1.66 |
||
|
74182C
|
74182C
MF453034 SCREW, ENG CONTROL EQUIPTapping,5x20 |
MF453034 |
from US $1.63 |
||
|
74182D
|
74182D
MB409435 SCREW, INSTRUMENT PANELTapping,4x10 |
MB409435 |
US $3.28 |
||
|
74182E
|
74182E
MF453782 SCREW, QTR TRIMTapping,3x10 |
MF453782 |
US $1.78 |
||
|
74182F
|
74182F
MF453031 SCREW 5x12Tapping,5x12 |
MF453031 |
from US $1.50 |
||
|
74182G
|
74182G
MB409437 SCREW, STEERING COLUMN COVERTapping,5x12 |
MB409437 |
from US $1.91 |
||
|
74182H
|
74182H
MF351012 SCREW, RADIATOR GRILLEWasher assembled,5x20 |
MF351012 |
US $2.74 |
||
|
74182H
|
74182H
MF351312 SCREW, INSTRUMENT PANEL UNDER TRIM5x20 |
MF351312 |
US $2.52 |
||
|
74186C
|
74186C
MB135995 NUT, FUEL FILLER LID LOCKINGSpring,5 |
MB135995 |
from US $1.72 |
||
|
74188B
|
74188B
MR402859 CLIP, FLOOR CONSOLE |
MR402859 |
from US $1.66 |
||
|
74188C
|
74188C
MR402859 CLIP, FLOOR CONSOLE |
MR402859 |
from US $1.66 |
||
|
74188D
|
74188D
MB566720 CLIP, RR VIEW MIRROR9x14.6 |
MB566720 |
from US $2.38 |
||
|
74188E
|
74188E
MR633536
CLIP,INSTRUMENT PANEL CONSOLE
|
MR633536 |
— | ||
|
74192B
|
74192B
MS240121 BOLT, CONNRODWasher assembled,6x16 |
MS240121 |
from US $1.70 |
||
|
74192C
|
74192C
MS240125 BOLT, FUEL TANKWasher assembled,8x20 |
MS240125 |
from US $1.05 |
||
|
82829
|
82829
MN121271 CIGAR LIGHTER, INSTRUMENT PANEL |
MN121271 |
from US $35.51 |
||
|
82829
|
82829
MR233903 CIGAR LIGHTER, INSTRUMENT PANEL |
MR233903 |
from US $58.46 |
||
|
83092
|
83092
MR572112 HARNESS, INSTRUMENT PANEL CTR CONSOLE LAMP |
MR572112 |
US $136.16 |