A/c condenser, piping (A/C COMPRESSOR BRACKET) Diagram Mitsubishi LANCER STATION WAGON

Year
1992 - 1996
Sales region
EUR
Note
GL,5FM/T LHD
drive
2WD
transmission
5FM/T
grade
GL

Difficulties in parts search?

Parts list
A/c condenser, piping

Difficulties in parts search?

A/c condenser, piping
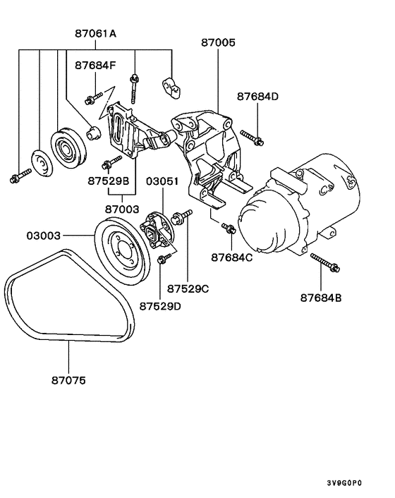
Description OEM Part # Price
87529B
87529B

MF244859

BOLT, A/C COMPRESSOR

Washer assembled,8x40

MF244859

from US $1.58

87529C
87529C

MD062107

CENTER BOLT, CRANKSHAFT PULLEY

14x41

MD062107

US $6.51

87529D
87529D

MS240213

BOLT, CRANKSHAFT PULLEY

Washer assembled,8x30

MS240213

US $3.40

87684B
87684B

MF244870

BOLT, A/C COMPRESSOR

Washer assembled,8x100

MF244870

from US $2.05

87684C
87684C

MF244880

BOLT, ENG RR MOUNTING

Washer assembled,10x25

MF244880

from US $1.50

87684D
87684D

MF244890

BOLT, INLET MANIFOLD

Washer assembled,10x60

MF244890

US $3.55

87684F
87684F

MF244859

BOLT, A/C COMPRESSOR

Washer assembled,8x40

MF244859

from US $1.58

A/c condenser, piping (A/C COMPRESSOR BRACKET) Diagram Mitsubishi LANCER STATION WAGON EUR 1885342-165493