A/c unit(manual:a) Diagram Mitsubishi MIRAGE 2DOOR HATCHBACK
- Year
- 1989 - 1990
- Sales region
- Japan
- Note
- FABIO(SUMMER SPECIAL),3FA/T
- drive
- 2WD
- transmission
- 3FA/T
- grade
- FABIO
Difficulties in parts search?
Parts list
Difficulties in parts search?
| Description | OEM Part # | Price | |||
|---|---|---|---|---|---|
|
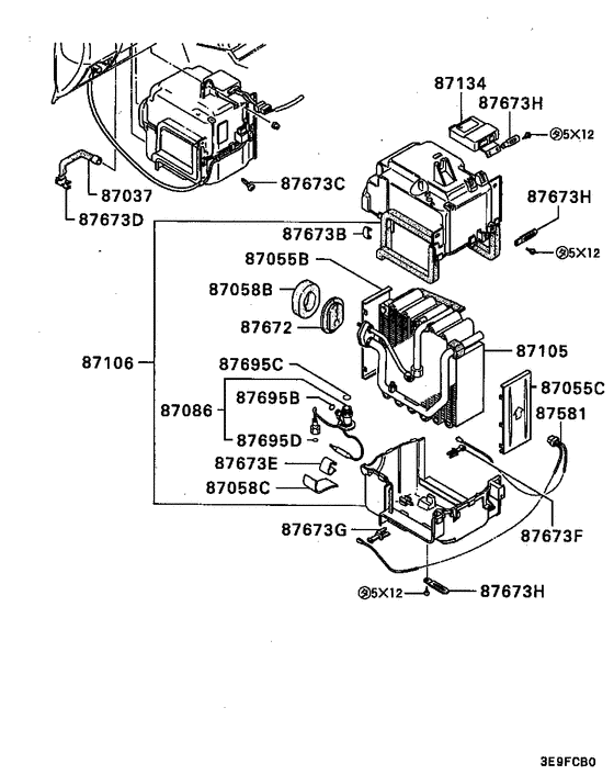
87037
|
87037
MB609007
HOSE, A/C EVAPORATOR DRAIN
|
MB609007 |
— | ||
|
87055B
|
87055B
MB630639
PLATE, A/C
|
MB630639 |
— | ||
|
87055C
|
87055C
MB630640
PLATE, A/C
|
MB630640 |
— | ||
|
87058B
|
87058B
MB276423
INSULATOR, A/C
|
MB276423 |
— | ||
|
87058C
|
87058C
MB276588
INSULATOR, A/C
|
MB276588 |
— | ||
|
87086
|
87086
MB276763
VALVE, A/C EXPANSION
|
MB276763 |
— | ||
|
87105
|
87105
MB630643
EVAPORATOR, A/C
|
MB630643 |
— | ||
|
87106
|
87106
MB276799
CASE, A/C
|
MB276799 |
— | ||
|
87134
|
87134
MB276801
THERMOSTAT
|
MB276801 |
— | ||
|
87581
|
87581
MB276802
SENSOR UNIT, WATER TEMPERATURE
|
MB276802 |
— | ||
|
87672
|
87672
MB276422
GROMMET, A/C
|
MB276422 |
— | ||
|
87673B
|
87673B
MB081308
CLIP, RR HEATER
|
MB081308 |
— | ||
|
87673C
|
87673C
MB476821 CLIP, SPLASH SHIELD |
MB476821 |
from US $1.17 |
||
|
87673D
|
87673D
MS470462 CLIP, A/C22.5-16.5 |
MS470462 |
US $2.52 |
||
|
87673D
|
87673D
MS470501
CLIP, A/C
|
MS470501 |
— | ||
|
87673E
|
87673E
MB630471
CLIP, RR A/C
|
MB630471 |
— | ||
|
87673F
|
87673F
MB630472
CLIP, A/C
|
MB630472 |
— | ||
|
87673G
|
87673G
MB630473
CLIP, A/C
|
MB630473 |
— | ||
|
87673H
|
87673H
MB630588
CLAMP, A/C
|
MB630588 |
— | ||
|
87695B
|
87695B
MB276213 O-RING, A/C PIPING8 |
MB276213 |
from US $1.23 |
||
|
87695C
|
87695C
MB276214 O-RING, A/C PIPING1/2; |
MB276214 |
US $6.51 |
||
|
87695C
|
87695C
MB630421
O-RING, A/C PIPING
|
MB630421 |
— | ||
|
87695D
|
87695D
MB276658
O-RING, A/C
|
MB276658 |
— |