Injector & throttle body (ALL (ASSEMBLY)) Diagram Mitsubishi MIRAGE
- Year
- 1988 - 1989
- Sales region
- MMNA
- Note
- PREMIUM LINE,5FM/T FED
- drive
- 2WD
- transmission
- 5FM/T
- grade
- PREMIUM LINE
Difficulties in parts search?
Difficulties in parts search?
| Description | OEM Part # | Price | |||
|---|---|---|---|---|---|
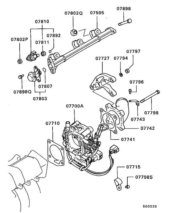
|
07505
|
07505
MD124382 PIPE, FUEL DELIVERY |
MD124382 |
US $310.13 |
||
|
07700A
|
07700A
MD129137
Throttle Body Assy
|
MD129137 |
— | ||
|
07710
|
07710
MD125823 GASKET, THROTTLE BODY |
MD125823 |
US $5.62 |
||
|
07715
|
07715
MD132000 CLIP, CRANK ANGLE SENSOR |
MD132000 |
US $4.44 |
||
|
07727
|
07727
MD129146 STAY, THROTTLE BODY |
MD129146 |
US $162.80 |
||
|
07741
|
07741
MD117583
GASKET, THROTTLE BODY AIR FITTING
|
MD117583 |
— | ||
|
07742
|
07742
MD118813 FITTING, THROTTLE BODY AIR HOSE |
MD118813 |
US $51.80 |
||
|
07743
|
07743
MD125824 PLATE, THROTTLE BODY EARTH |
MD125824 |
US $4.88 |
||
|
07794
|
07794
MF450435 WASHER, INLET MANIFOLDSpring,8 |
MF450435 |
US $1.48 |
||
|
07794
|
07794
MF450495 WASHER, CYLINDER HEADSpring,8 |
MF450495 |
US $4.51 |
||
|
07796
|
07796
MF350047 SCREW, FLYWHEEL HOUSINGWasher assembled,5x10 |
MF350047 |
US $2.05 |
||
|
07796
|
07796
MF350527 SCREW, THROTTLE BODYWasher assembled,5x10 |
MF350527 |
US $2.22 |
||
|
07797
|
07797
MF430121 NUT, CYLINDER HEAD8 |
MF430121 |
from US $0.80 |
||
|
07797
|
07797
MF430181 NUT, CYLINDER HEAD8 |
MF430181 |
US $2.74 |
||
|
07798
|
07798
MF241270 BOLT, THROTTLE BODYWasher assembled,8x85 |
MF241270 |
US $2.87 |
||
|
07798S
|
07798S
MF140722 BOLT, ACCEL CABLE SUPPORTFlange,6x10 |
MF140722 |
US $3.28 |
||
|
07802P
|
07802P
MD087060 INSULATOR, FUEL INJECTOR |
MD087060 |
from US $1.54 |
||
|
07802Q
|
07802Q
MD095402 INSULATOR, FUEL DELIVERY PIPE |
MD095402 |
from US $1.38 |
||
|
07803
|
07803
MD124648 REGULATOR, INJECTION MIXER FUEL PRESSURE |
MD124648 |
US $105.82 |
||
|
07807
|
07807
MD604696 O-RING, FUEL REGULATOR7.8 |
MD604696 |
US $6.43 |
||
|
07810
|
07810
MD116821 INJECTOR KIT, FUEL |
MD116821 |
US $253.08 |
||
|
07811
|
07811
MD614805 SHEET, FUEL INJECTOR |
MD614805 |
from US $3.72 |
||
|
07892
|
07892
MD614813
O-RING, FUEL INJECTOR
|
MD614813 |
— | ||
| replacement | |||||
|
07892
|
07892
1465A188 O-RING, FUEL INJECTOR7.6 |
1465A188 |
from US $2.75 |
||
|
07898
|
07898
MF240066 BOLT, FUEL INJECTORWasher assembled,8x65 |
MF240066 |
US $2.46 |
||
|
07898
|
07898
MF240666 BOLT, FUEL INJECTORWasher assembled,8x65 |
MF240666 |
US $2.81 |
||
|
07898Q
|
07898Q
MF241223 BOLT, ROCKER COVERWasher assembled,6x12 |
MF241223 |
from US $1.05 |
||
|
07898Q
|
07898Q
MF241823 BOLT, FUEL INJECTORWasher assembled,6x12 |
MF241823 |
US $3.42 |
||