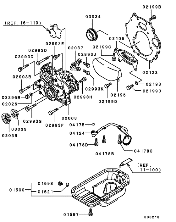
Cover,rear plate & oil pan (ALL) Diagram Mitsubishi PAJERO/MONTERO
- Year
- 1993 - 1999
- Sales region
- Japan
- Note
- XR-1/ZX(SS4),4FA/T
- transmission
- 4FA/T
- grade
- XR-1/ZX
Difficulties in parts search?
Difficulties in parts search?
| Description | OEM Part # | Price | |||
|---|---|---|---|---|---|
|
01500
|
01500
ME201646 OIL PAN, ENG |
ME201646 |
US $293.04 |
||
|
01500
|
01500
ME202022 OIL PAN, ENG |
ME202022 |
US $372.74 |
||
|
01500
|
01500
ME202600 OIL PAN, ENG |
ME202600 |
US $266.40 |
||
|
01521
|
01521
MD050317 GASKET, ENG OIL PAN DRAIN PLUGD=14 |
MD050317 |
from US $1.23 |
||
|
01597
|
01597
MH001511 BOLT, ENG OIL PANFlange,8x14 |
MH001511 |
from US $1.62 |
||
|
01598
|
01598
MD050316 PLUG, ENG OIL PAN... |
MD050316 |
from US $5.30 |
||
|
02003
|
02003
ME200645 CASE, TIMING GEAR |
ME200645 |
US $293.04 |
||
|
02003
|
02003
ME201530 CASE, TIMING GEAR |
ME201530 |
US $144.30 |
||
|
02003
|
02003
ME202024 CASE, TIMING GEAR |
ME202024 |
US $291.56 |
||
|
02003
|
02003
ME202640 CASE, TIMING GEAR |
ME202640 |
US $292.66 |
||
|
02026
|
02026
MF660062 GASKET, OIL FILTER INRD=8 |
MF660062 |
from US $1.19 |
||
|
02036
|
02036
ME200028 OIL SEAL, TIMING GEAR CASE |
ME200028 |
from US $25.12 |
||
|
02036
|
02036
ME202325
OIL SEAL, TIMING GEAR CASE
|
ME202325 |
— | ||
| replacement | |||||
|
02036
|
02036
ME202850 OIL SEAL, TIMING GEAR CASE |
ME202850 |
from US $21.10 |
||
|
02036
|
02036
ME202850 OIL SEAL, TIMING GEAR CASE |
ME202850 |
from US $21.10 |
||
|
02037
|
02037
ME200344 STIFFENER, TIMING GEAR CASE |
ME200344 |
US $38.48 |
||
|
02105
|
02105
ME200764 COVER, FLYWHEEL HOUSING, FR LWR |
ME200764 |
US $19.15 |
||
|
02122
|
02122
ME201027 PLATE, CYLINDER BLOCK, RR |
ME201027 |
US $99.90 |
||
|
02193
|
02193
MF450006 WASHER, CYLINDER HEADPlain,10 |
MF450006 |
from US $1.01 |
||
|
02195
|
02195
ME200960 SPACER, ENG RR PLATE |
ME200960 |
US $137.64 |
||
|
02199B
|
02199B
MF140257 BOLT, M/T CASEFlange,10x18 |
MF140257 |
from US $1.33 |
||
|
02199C
|
02199C
MF140002 BOLT, ROCKER COVERFlange,6x10 |
MF140002 |
US $0.96 |
||
| replacement | |||||
|
02199C
|
02199C
MF140202 BOLT, FLANGE (6x10)Flange,6x10 |
MF140202 |
from US $1.66 |
||
|
02199C
|
02199C
MF243622 BOLT, ROCKER COVERWasher assembled,6x12 |
MF243622 |
from US $1.33 |
||
|
02199D
|
02199D
MH000868 BOLT, TACHOMETER DRIVEFlange,10x12 |
MH000868 |
US $9.77 |
||
|
02993B
|
02993B
MF140243 BOLT, ROCKER COVERFlange,8x85 |
MF140243 |
from US $3.01 |
||
|
02993C
|
02993C
MF140240 BOLT, ENG FR CASEFlange,8x75 |
MF140240 |
from US $2.42 |
||
|
02993D
|
02993D
MF140244 BOLT, INLET MANIFOLD, NO.1Flange,8x90 |
MF140244 |
from US $3.04 |
||
|
02993E
|
02993E
MF140064 BOLT, EXHAUST PIPEFlange,10x35 |
MF140064 |
US $3.11 |
||
|
02993F
|
02993F
MF140237 BOLT, WATER PUMPFlange,8x60 |
MF140237 |
from US $1.99 |
||
|
02993G
|
02993G
MF140241 BOLT, ENG OIL PUMPFlange,8x80 |
MF140241 |
from US $2.48 |
||
|
02993H
|
02993H
MF140205 BOLT, CYLINDER BLOCKFlange,6x16 |
MF140205 |
from US $0.82 |
||
|
02993H
|
02993H
MF140207 BOLT, ROCKER COVERFlange,6x20 |
MF140207 |
from US $0.72 |
||
|
02993J
|
02993J
MF140227 BOLT, ROCKER COVERFlange,8x25 |
MF140227 |
from US $0.96 |
||
|
02993K
|
02993K
MF140231 BOLT, CYLINDER HEADFlange,8x35 |
MF140231 |
from US $1.58 |
||
|
03033
|
03033
ME200027 OIL SLINGER, CRANKSHAFT, FR |
ME200027 |
from US $14.72 |
||
|
03034
|
03034
ME200026 OIL SLINGER, CRANKSHAFT, RR |
ME200026 |
US $19.15 |
||
|
03296B
|
03296B
ME200435 NUT, TIMING GEAR TRAINNut,cap,8 |
ME200435 |
from US $1.62 |
||
|
04124
|
04124
ME201461 STRAINER, ENG OIL PAN |
ME201461 |
US $94.72 |
||
|
04124
|
04124
ME201643 STRAINER, ENG OIL PAN |
ME201643 |
from US $76.22 |
||
|
04124
|
04124
ME202541 STRAINER, ENG OIL PAN |
ME202541 |
US $68.82 |
||
|
04175
|
04175
MH035044 O-RING, ENG OIL COOLER INRD=18 |
MH035044 |
from US $4.25 |
||
|
04178B
|
04178B
MF140223 BOLT, CYLINDER HEADFlange,8x16 |
MF140223 |
from US $1.01 |
||
|
04178C
|
04178C
MF140222 BOLT, ENG HANGERFlange,8x14 |
MF140222 |
from US $0.98 |
||
|
04178C
|
04178C
MF140229 BOLT, CYLINDER BLOCKFlange,8x30 |
MF140229 |
from US $1.11 |
||
|
04178D
|
04178D
MF140225 BOLT, ENG WATER COOLERFlange,8x20 |
MF140225 |
from US $0.98 |
||
|
04178D
|
04178D
MF140237 BOLT, WATER PUMPFlange,8x60 |
MF140237 |
from US $1.99 |
||
|
11 100
|
Liquid gasket
11 100
|
||||
|
16 110
|
Alternator & vacuum pump
16 110
|
||||
|
16 110
|
Alternator & vacuum pump
16 110
|
||||
|
16 110
|
Alternator & vacuum pump
16 110
|
||||
|
16 110
|
Alternator & vacuum pump
16 110
|
||||