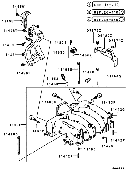
Inlet manifold (ALL (SURGE TANK)) Diagram Mitsubishi PAJERO/MONTERO
- Year
- 1997
- Sales region
- Japan
- Note
- EVOLUTION,5FM/T
- transmission
- 5FM/T
- grade
- EVOLUTION
Difficulties in parts search?
Difficulties in parts search?
| Description | OEM Part # | Price | |||
|---|---|---|---|---|---|
|
05427Z
|
05427Z
MD355181 PROTECTOR, FUEL HOSE |
MD355181 |
US $112.48 |
||
|
07874Z
|
07874Z
MF434104 NUT, ROCKER COVERFlange,8 |
MF434104 |
from US $0.55 |
||
|
07875Z
|
07875Z
MF140023 BOLT, ACCEL CABLE SUPPORTFlange,8x16 |
MF140023 |
from US $0.53 |
||
|
11342P
|
11342P
MD355098 TANK, ENG AIR INTAKE SURGE |
MD355098 |
US $1,656 |
||
|
11437
|
11437
MD354679
STAY, INLET MANIFOLD
|
MD354679 |
— | ||
|
11442P
|
11442P
MS401104 STUD, INLET MANIFOLD6x20 |
MS401104 |
from US $3.11 |
||
|
11442Q
|
11442Q
MS401325 STUD, CYLINDER HEAD8x20 |
MS401325 |
US $2.87 |
||
|
11452
|
11452
MD326170 SENSOR, SURGE TANK AIR TEMPERATURE |
MD326170 |
from US $25.14 |
||
|
11453
|
11453
MD354678
PROTECTOR, INLET MANIFOLD
|
MD354678 |
— | ||
|
11458
|
11458
MF660064 GASKET, CYLINDER BLOCKD=12 |
MF660064 |
from US $0.57 |
||
|
11483P
|
11483P
MD108999 NIPPLE, INLET MANIFOLD4 |
MD108999 |
US $4.59 |
||
|
11493
|
11493
MD354756
CLAMP, INLET MANIFOLD
|
MD354756 |
— | ||
|
11495
|
11495
MS471104 BUSHING, CYLINDER HEAD8x9 |
MS471104 |
from US $1.79 |
||
|
11498Q
|
11498Q
MD195686 BOLT, INLET MANIFOLDWasher assembled,8x115 |
MD195686 |
US $4.51 |
||
|
11498S
|
11498S
MD195687 BOLT, INLET MANIFOLDWasher assembled,8x130 |
MD195687 |
from US $3.47 |
||
|
11498T
|
11498T
MF241852 BOLT, INLET MANIFOLDWasher assembled,8x18 |
MF241852 |
US $3.28 |
||
|
11498U
|
11498U
MD347641 BOLT, INLET MANIFOLDWasher assembled,8x160 |
MD347641 |
from US $4.54 |
||
|
11498W
|
11498W
MF140724 BOLT, ACCEL CABLE SUPPORTFlange,6x14 |
MF140724 |
US $3.28 |
||
|
14839
|
14839
MD632057 O-RING, ENG CONTROL PRESSURE SENSOR |
MD632057 |
from US $2.22 |
||
|
14871
|
14871
MF244804 BOLT, ENG CONTROL PRESSURE SENSORWasher assembled,5x16 |
MF244804 |
US $2.33 |
||
|
14871
|
14871
MF244805 BOLT, ENG CONTROL PRESSURE SENSORWasher assembled,5x18 |
MF244805 |
from US $1.33 |
||
|
14930
|
14930
MD310129 SENSOR, ENG CONTROL BOOST |
MD310129 |
US $206.57 |
||
|
15 710
|
Emission control
15 710
|
||||
|
15 710
|
Emission control
15 710
|
||||
|
26 140
|
Front axle freewheel clutch
26 140
|
||||
|
26 140
|
Front axle freewheel clutch
26 140
|
||||
|
35 230
|
Power brake booster
35 230
|
||||