Short engine assy (ALL) Diagram Mitsubishi PAJERO/MONTERO

Year
2000 - 2006
Sales region
EUR
Note
GLS(NSS4),5FM/T LHD
transmission
5FM/T
grade
GLS

Difficulties in parts search?

Parts list
Short engine assy

Difficulties in parts search?

Short engine assy
Description OEM Part # Price
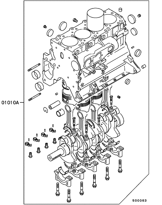
01010A
01010A
MD335384
ENGINE ASSY,SHORT

MD335384

01010A
01010A
MD378076
ENGINE ASSY,SHORT

MD378076

Short engine assy (ALL) Diagram Mitsubishi PAJERO/MONTERO EUR 1881878-164974