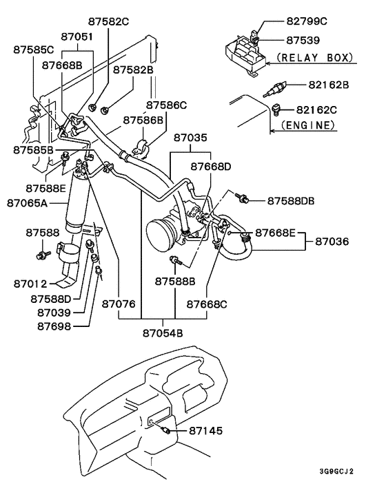
A/c cond, piping(manual:a) (A/C PIPING ETC.) Diagram Mitsubishi RVR
- Year
- 1991 - 1996
- Sales region
- Japan
- Note
- S(DOHC),4FA/T
- drive
- 2WD
- transmission
- 4FA/T
- grade
- S
Difficulties in parts search?
Difficulties in parts search?
| Description | OEM Part # | Price | |||
|---|---|---|---|---|---|
|
82162B
|
82162B
MB568959
SWITCH, WATER TEMPERATURE
|
MB568959 |
— | ||
| replacement | |||||
|
82162B
|
82162B
MB439576 SWITCH, WATER TEMPERATURE |
MB439576 |
from US $70.45 |
||
|
82799C
|
82799C
MB629083
RELAY, ABS
|
MB629083 |
— | ||
| replacements | |||||
|
82799C
|
82799C
8627A011
RELAY (A/T FAIL SAFE CONTROL)
|
8627A011 |
— | ||
|
82799C
|
82799C
8627A030 RELAY |
8627A030 |
from US $5.97 |
||
|
87012
|
87012
MB813239
BRACKET, A/C RECEIVER
|
MB813239 |
— | ||
|
87012
|
87012
MB899369
BRACKET, A/C RECEIVER
|
MB899369 |
— | ||
|
87035
|
87035
MB609855
HOSE, A/C COMPRESSOR DISCHARGE
|
MB609855 |
— | ||
|
87035
|
87035
MR117008 HOSE, A/C COMPRESSOR DISCHARGE |
MR117008 |
US $165.76 |
||
|
87036
|
87036
MB609858
HOSE, A/C COMPRESSOR SUCTION
|
MB609858 |
— | ||
|
87036
|
87036
MR117010
HOSE, A/C COMPRESSOR SUCTION
|
MR117010 |
— | ||
|
87039
|
87039
MB123673
INSULATOR, A/C CONDENSER
|
MB123673 |
— | ||
|
87051
|
87051
MB609861
PIPE, A/C CONDENSER OUTLET
|
MB609861 |
— | ||
|
87051
|
87051
MB899347
PIPE, A/C CONDENSER OUTLET
|
MB899347 |
— | ||
|
87051
|
87051
MR117019
PIPE, A/C CONDENSER OUTLET
|
MR117019 |
— | ||
|
87054B
|
87054B
MB609862
PIPE, A/C RECEIVER OUTLET
|
MB609862 |
— | ||
|
87054B
|
87054B
MB899359
PIPE, A/C RECEIVER OUTLET
|
MB899359 |
— | ||
|
87054B
|
87054B
MR117022
PIPE, A/C RECEIVER OUTLET
|
MR117022 |
— | ||
|
87065A
|
87065A
MB657527
RECEIVER ASSY, A/C
|
MB657527 |
— | ||
|
87065A
|
87065A
MR147551
RECEIVER ASSY, A/C
|
MR147551 |
— | ||
|
87076
|
87076
MB657806
SWITCH, A/C REFRIGERANT PRESSURE
|
MB657806 |
— | ||
|
87076
|
87076
MR117069
SWITCH, A/C REFRIGERANT PRESSURE
|
MR117069 |
— | ||
|
87145
|
87145
MB657410 SWITCH, A/C |
MB657410 |
US $48.77 |
||
|
87539
|
87539
MS810965 FUSE, SWITCHBlade type,10a |
MS810965 |
from US $1.31 |
||
|
87539
|
87539
MS810966 FUSE, BODY WIRINGBlade type,15a |
MS810966 |
from US $1.19 |
||
|
87539
|
87539
MZ701067
FUSE, A/C CONTROL EQUIP
|
MZ701067 |
— | ||
|
87582B
|
87582B
MS440503 NUT, ENG FR MOUNTINGWasher assembled,8 |
MS440503 |
from US $0.84 |
||
|
87582B
|
87582B
MZ702425
BOLT, A/C CONDENSER
|
MZ702425 |
— | ||
|
87582C
|
87582C
MS440502 NUT, FUEL TANKWasher assembled,6 |
MS440502 |
from US $1.74 |
||
|
87582C
|
87582C
MS446182 NUT, ENG SPEED CONTROL EQUIPFlange,6 |
MS446182 |
US $1.63 |
||
|
87585B
|
87585B
MU481162 CLIP, A/C PIPING12 |
MU481162 |
from US $1.33 |
||
|
87585C
|
87585C
MS470477 CLIP, ACCEL CONTROL EQUIP8.3-12 |
MS470477 |
US $3.85 |
||
|
87586B
|
87586B
MB877146
CLAMP, A/C PIPING
|
MB877146 |
— | ||
|
87586B
|
87586B
MR114548
CLAMP, A/C PIPING
|
MR114548 |
— | ||
|
87586C
|
87586C
MB877145
CLAMP, A/C PIPING
|
MB877145 |
— | ||
|
87586C
|
87586C
MR114547
CLAMP, A/C PIPING
|
MR114547 |
— | ||
|
87588
|
87588
MF243624 BOLTWasher assembled,6x16 |
MF243624 |
from US $0.96 |
||
|
87588
|
87588
MS240022 BOLT, CRUISE CONTROL EQUIPWasher assembled,6x20 |
MS240022 |
US $2.19 |
||
|
87588B
|
87588B
MF244830 BOLT, ENG RR PLATE |
MF244830 |
US $2.19 |
||
|
87588B
|
87588B
MZ702390
BOLT, A/C PIPING
|
MZ702390 |
— | ||
|
87588D
|
87588D
MF244832
BOLT, A/C PIPING
|
MF244832 |
— | ||
|
87588D
|
87588D
MF244857 BOLT, A/C DRIVINGWasher assembled,8x35 |
MF244857 |
from US $1.19 |
||
|
87588D
|
87588D
MZ702425
BOLT, A/C CONDENSER
|
MZ702425 |
— | ||
|
87588DB
|
87588DB
MF244857 BOLT, A/C DRIVINGWasher assembled,8x35 |
MF244857 |
from US $1.19 |
||
|
87588DB
|
87588DB
MZ701482
BOLT, A/C PIPING
|
MZ701482 |
— | ||
|
87588E
|
87588E
MF243628 BOLT, CONNRODWasher assembled,6x25 |
MF243628 |
US $0.55 |
||
|
87668B
|
87668B
MB276213 O-RING, A/C PIPING8 |
MB276213 |
from US $1.23 |
||
|
87668B
|
87668B
MR114742
O-RING, A/C PIPING
|
MR114742 |
— | ||
|
87668B
|
87668B
MR117053 O-RING, A/C PIPINGD=8 |
MR117053 |
from US $1.27 |
||
| replacement | |||||
|
87668B
|
87668B
9491420010 O-RING, A/C PIPING |
9491420010 |
US $2.19 |
||
|
87668C
|
87668C
MB276213 O-RING, A/C PIPING8 |
MB276213 |
from US $1.23 |
||
|
87668C
|
87668C
MR114742
O-RING, A/C PIPING
|
MR114742 |
— | ||
|
87668C
|
87668C
MR117053 O-RING, A/C PIPINGD=8 |
MR117053 |
from US $1.27 |
||
| replacement | |||||
|
87668C
|
87668C
9491420010 O-RING, A/C PIPING |
9491420010 |
US $2.19 |
||
|
87668D
|
87668D
MB609179
O-RING, A/C PIPING
|
MB609179 |
— | ||
|
87668D
|
87668D
MR114743 O-RING, A/C PIPING1/2 |
MR114743 |
US $1.48 |
||
|
87668D
|
87668D
MR117054 O-RING, A/C PIPING |
MR117054 |
US $2.44 |
||
| replacement | |||||
|
87668D
|
87668D
9491420020 O-RING, A/C PIPING |
9491420020 |
US $3.01 |
||
|
87668E
|
87668E
MB276215 O-RING, A/C PIPING5/8; |
MB276215 |
US $0.92 |
||
|
87668E
|
87668E
MR114744 O-RING, A/C PIPING5/8 |
MR114744 |
US $1.48 |
||
|
87668E
|
87668E
MR117055 O-RING, A/C PIPING |
MR117055 |
US $2.63 |
||
| replacement | |||||
|
87668E
|
87668E
9491420030 O-RING, A/C PIPING |
9491420030 |
US $3.28 |
||
|
87698
|
87698
MB167780
BUSHING, A/C CONDENSER
|
MB167780 |
— | ||