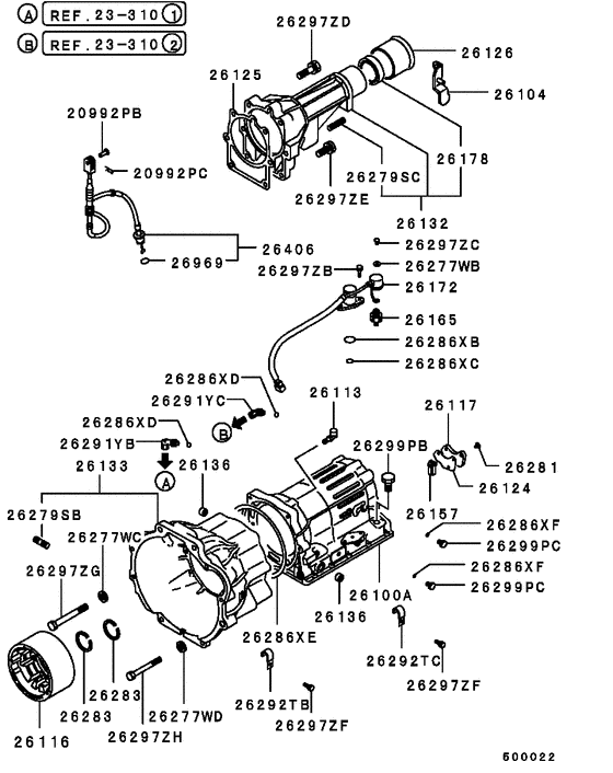
A/t case (ALL (CASE UPPER SIDE)) Diagram Mitsubishi STARION
- Year
- 1982 - 1984
- Sales region
- Japan
- Note
- GSR-X,4FA/T
- transmission
- 4FA/T
- grade
- GSR-X
Difficulties in parts search?
Difficulties in parts search?
| Description | OEM Part # | Price | |||
|---|---|---|---|---|---|
|
20992PB
|
20992PB
MD003071
PIN, CARB
|
MD003071 |
— | ||
|
20992PC
|
20992PC
MF472302 PIN, CARBSnap,5x17.9 |
MF472302 |
US $1.48 |
||
|
26100A
|
26100A
MD609058 CASE ASSY, A/T |
MD609058 |
US $979.89 |
||
|
26104
|
26104
MD951883 BRACKET, A/T CASE CONTROL LEVER |
MD951883 |
US $42.92 |
||
|
26113
|
26113
MD951743 BREATHER, A/T CASE |
MD951743 |
US $6.43 |
||
|
26116
|
26116
MD951777 CASE, A/T O/D |
MD951777 |
US $521.25 |
||
|
26117
|
26117
MD951331 COVER, A/T CASE, RR |
MD951331 |
US $7.10 |
||
|
26124
|
26124
MD951330 GASKET, A/T CASE RR COVER |
MD951330 |
US $5.03 |
||
|
26125
|
26125
MD951484
GASKET, A/T EXTENSION HOUSING
|
MD951484 |
— | ||
| replacement | |||||
|
26125
|
26125
MB896468 GASKET, A/T EXTENSION HOUSING |
MB896468 |
US $14.36 |
||
|
26126
|
26126
MD951483 GUARD, A/T EXTENSION HOUSING DUST SEAL |
MD951483 |
US $45.14 |
||
|
26132
|
26132
MD951916 HOUSING, A/T CASE EXTENSION |
MD951916 |
US $658.11 |
||
|
26133
|
26133
MD951770 HOUSING, A/T TORQUE CONVERTER |
MD951770 |
US $789.15 |
||
|
26136
|
26136
MD951333
OIL SEAL, A/T CONVERTER HOUSING
|
MD951333 |
— | ||
| replacement | |||||
|
26136
|
26136
MR111500 OIL SEAL, A/T CONVERTER HOUSING |
MR111500 |
from US $4.11 |
||
|
26157
|
26157
MD609059 STRAINER, A/T CASE GOVERNOR VALVE |
MD609059 |
US $11.10 |
||
|
26165
|
26165
MD609084
SWITCH, A/T CASE DETECT
|
MD609084 |
— | ||
|
26172
|
26172
MD609079 VALVE, A/T CASE SOLENOID |
MD609079 |
US $174.64 |
||
|
26178
|
26178
MD951482 OIL SEAL, A/T CASE MANUAL CONTROL SHAFT |
MD951482 |
from US $16.69 |
||
|
26277WB
|
26277WB
MD609086 WASHER, A/T CASESpring |
MD609086 |
US $1.92 |
||
|
26277WC
|
26277WC
MD951328 WASHER, A/T CASEWave |
MD951328 |
US $2.66 |
||
|
26277WD
|
26277WD
MD951326 WASHER, A/T CASEWave |
MD951326 |
US $3.11 |
||
|
26279SB
|
26279SB
MD951846 STUD, A/T CASE6x20 |
MD951846 |
US $3.26 |
||
|
26279SC
|
26279SC
MD951847 STUD, A/T CASE10x25 |
MD951847 |
US $2.81 |
||
|
26281
|
26281
MD951818 SCREW, A/T CASE6x1x12 |
MD951818 |
US $3.70 |
||
|
26283
|
26283
MD951734 SEAL RING, A/T CASE |
MD951734 |
US $9.30 |
||
|
26286XB
|
26286XB
MD609081 O-RING, A/T CASE23.6 |
MD609081 |
from US $1.77 |
||
|
26286XC
|
26286XC
MD609080 O-RING, A/T CASE9.8 |
MD609080 |
US $2.74 |
||
|
26286XD
|
26286XD
MD951336 O-RING, A/T CASE10.4 |
MD951336 |
US $5.20 |
||
|
26286XE
|
26286XE
MD951771 O-RING, A/T CASE |
MD951771 |
US $17.02 |
||
|
26286XF
|
26286XF
MD951630 O-RING, A/T CASE6.07 |
MD951630 |
US $2.96 |
||
|
26291YB
|
26291YB
MD951765 JOINT, A/T CASE |
MD951765 |
US $45.88 |
||
|
26291YC
|
26291YC
MD951766 JOINT, A/T CASE |
MD951766 |
US $49.58 |
||
|
26292TB
|
26292TB
MD951775 CLAMP, A/T CASE |
MD951775 |
US $5.48 |
||
|
26292TC
|
26292TC
MD609089 CLAMP, A/T CASE |
MD609089 |
US $5.48 |
||
|
26297ZB
|
26297ZB
MD609082 BOLT, A/T CASEWasher assembled,8x16 |
MD609082 |
US $2.07 |
||
|
26297ZC
|
26297ZC
MD609085 SCREW, A/T CASE4x8 |
MD609085 |
US $1.92 |
||
|
26297ZD
|
26297ZD
MD609077 BOLT, A/T CASEWasher assembled,10x45 |
MD609077 |
US $5.77 |
||
|
26297ZE
|
26297ZE
MD609078 BOLT, A/T CASEWasher assembled,10x35 |
MD609078 |
US $3.55 |
||
|
26297ZF
|
26297ZF
MD951776 BOLT, A/T CASEWasher assembled,6x10 |
MD951776 |
US $2.07 |
||
|
26297ZG
|
26297ZG
MD609320 BOLT, A/T CASEFlange,10x118 |
MD609320 |
US $5.48 |
||
|
26297ZG
|
26297ZG
MD951773 BOLT, A/T CASE10x118 |
MD951773 |
US $9.62 |
||
|
26297ZH
|
26297ZH
MD609319 BOLT, A/T CASEFlange,12x97 |
MD609319 |
US $5.48 |
||
|
26297ZH
|
26297ZH
MD951772 BOLT, A/T CASE12x98 |
MD951772 |
US $9.62 |
||
|
26406
|
26406
MD951924 CABLE, A/T THROTTLE CONTROL |
MD951924 |
US $87.32 |
||
|
26969
|
26969
MD951511 O-RING, A/T CONTROL EQUIP |
MD951511 |
US $3.85 |
||
|
23 310
|
A/t oil cooler & tube
23 310
|
||||