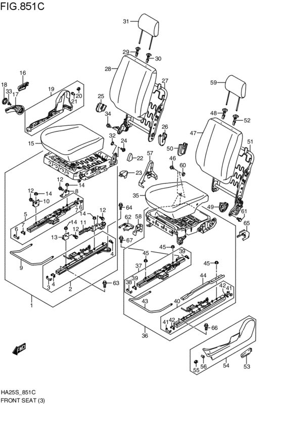
front seat (SX; 2009-09-01~) Diagram Suzuki ALTO/A-STAR/CELERIO
- Year
- 2009 - 2011
- Sales region
- Japan
- drive
- 2WD
- transmission
- CVT
- grade
- SX
- abs
- ABS
Difficulties in parts search?
Difficulties in parts search?
| Description | OEM Part # | Price | |||
|---|---|---|---|---|---|
|
1
|
1
85103-64L50-000
フレームアッシ,フロントクッション,ライト
SX; 2009-09-01~2009-11-01 |
85103-64L50-000 |
— | ||
| replacement | |||||
|
1
|
1
85103-64L55-000
New Genuine Part
SX; 2009-09-01~2009-11-01 |
85103-64L55-000 |
— | ||
|
1
|
1
85103-64L51-000
フレームアッシ,フロントクッション,ライト
SX; 2009-12-01~2010-03-01 |
85103-64L51-000 |
— | ||
| replacement | |||||
|
1
|
1
85103-64L55-000
New Genuine Part
SX; 2009-12-01~2010-03-01 |
85103-64L55-000 |
— | ||
|
1
|
1
85103-64L52-000
フレームアッシ,フロントクッション,ライト
SX; 2010-04-01~ |
85103-64L52-000 |
— | ||
| replacement | |||||
|
1
|
1
85103-64L55-000
New Genuine Part
SX; 2010-04-01~ |
85103-64L55-000 |
— | ||
|
2
|
2
86610-85K00-000
アジャスタアッシ,フロントインサイド,ライト
SX; 2009-09-01~2009-11-01 |
86610-85K00-000 |
— | ||
| replacement | |||||
|
2
|
2
86610-85K02-000
アジャスタアッシ,フロントインサイド,ライト
SX; 2009-09-01~2009-11-01 |
86610-85K02-000 |
— | ||
|
2
|
2
86610-85K01-000
アジャスタアッシ,フロントインサイド,ライト
SX; 2009-12-01~2010-03-01 |
86610-85K01-000 |
— | ||
| replacement | |||||
|
2
|
2
86610-85K02-000
アジャスタアッシ,フロントインサイド,ライト
SX; 2009-12-01~2010-03-01 |
86610-85K02-000 |
— | ||
|
2
|
2
86610-85K02-000
アジャスタアッシ,フロントインサイド,ライト
SX; 2010-04-01~ |
86610-85K02-000 |
— | ||
|
3
|
3
86652-57L01-000 CAP,FR ADJUSTER LWRSX; 2009-09-01~ |
86652-57L01-000 |
US $4.93 |
||
|
4
|
4
86654-57L00-000 CAP,ADJUSTER UPRSX; 2009-09-01~ |
86654-57L00-000 |
US $4.45 |
||
|
5
|
5
86630-57L10-000
アジャスタアッシ,フロントアウトサイド,ライト
SX; 2009-09-01~2009-11-01 |
86630-57L10-000 |
— | ||
| replacement | |||||
|
5
|
5
86630-57L14-000 ADJUSTER ASSY,FR OUTSIDE,RSX; 2009-09-01~2009-11-01 |
86630-57L14-000 |
US $96.42 |
||
|
5
|
5
86630-57L11-000
アジャスタアッシ,フロントアウトサイド,ライト
SX; 2009-12-01~2010-03-01 |
86630-57L11-000 |
— | ||
| replacement | |||||
|
5
|
5
86630-57L14-000 ADJUSTER ASSY,FR OUTSIDE,RSX; 2009-12-01~2010-03-01 |
86630-57L14-000 |
US $96.42 |
||
|
5
|
5
86630-57L12-000
アジャスタアッシ,フロントアウトサイド,ライト
SX; 2010-04-01~ |
86630-57L12-000 |
— | ||
| replacement | |||||
|
5
|
5
86630-57L14-000 ADJUSTER ASSY,FR OUTSIDE,RSX; 2010-04-01~ |
86630-57L14-000 |
US $96.42 |
||
|
6
|
6
86652-57L01-000 CAP,FR ADJUSTER LWRSX; 2009-09-01~ |
86652-57L01-000 |
US $4.93 |
||
|
7
|
7
86654-57L00-000 CAP,ADJUSTER UPRSX; 2009-09-01~ |
86654-57L00-000 |
US $4.45 |
||
|
8
|
8
86641-85K10-000
ライザ,リヤアウトサイド
SX; 2009-09-01~ |
86641-85K10-000 |
— | ||
|
9
|
9
86691-85K01-000
ハンドル,フロントシートアジャスタ
SX; 2009-09-01~ |
86691-85K01-000 |
— | ||
|
10
|
10
86710-85K10-000
ライザ,リフタフロントアウトサイド,ライト
SX; 2009-09-01~ |
86710-85K10-000 |
— | ||
|
11
|
11
86712-85K10-000
ライザ,リヤインサイド,ライト
SX; 2009-09-01~ |
86712-85K10-000 |
— | ||
|
12
|
12
86717-63J70-000 BOLT,RISERSX; 2009-09-01~ |
86717-63J70-000 |
US $3.86 |
||
|
13
|
13
86721-85K10-000
ライザ,リフタフロントインサイド,ライト
SX; 2009-09-01~ |
86721-85K10-000 |
— | ||
|
14
|
14
08316-1010A-000 NUTNut, kick starter SX; 2009-09-01~ |
08316-1010A-000 |
from US $0.76 |
||
|
15
|
15
85107-64L50-GZT
トリムアッシ,フロントクッション(ベージュ)
SX:2WD; 2009-09-01~ |
85107-64L50-GZT |
— | ||
|
16
|
16
85211-63J10-R8R
ノブ,リクライニング,ライト(ブラウン)
SX; 2009-09-01~ |
85211-63J10-R8R |
— | ||
| replacement | |||||
|
16
|
16
85211-63J11-R8R
New Genuine Part
SX; 2009-09-01~ |
85211-63J11-R8R |
— | ||
|
17
|
17
85213-65J00-R8R
レバー,シートリフタ(ブラウン)
SX; 2009-09-01~ |
85213-65J00-R8R |
— | ||
|
18
|
18
85214-63J20-R8R
キャップ,リフタレバー(ブラウン)
SX; 2009-09-01~ |
85214-63J20-R8R |
— | ||
|
19
|
19
85220-63J10-R8R
カバー,リクライニングアウトサイド,ライト(ブラウン
SX; 2009-09-01~2009-10-01 |
85220-63J10-R8R |
— | ||
| replacement | |||||
|
19
|
19
85220-63J12-R8R
カバー,リクライニングアウトサイド,ライト(ブラウン
SX; 2009-09-01~2009-10-01 |
85220-63J12-R8R |
— | ||
|
19
|
19
85220-63J11-R8R
カバー,リクライニングアウトサイド,ライト(ブラウン
SX; 2009-11-01~2010-03-01 |
85220-63J11-R8R |
— | ||
| replacement | |||||
|
19
|
19
85220-63J12-R8R
カバー,リクライニングアウトサイド,ライト(ブラウン
SX; 2009-11-01~2010-03-01 |
85220-63J12-R8R |
— | ||
|
19
|
19
85220-63J12-R8R
カバー,リクライニングアウトサイド,ライト(ブラウン
SX; 2010-04-01~ |
85220-63J12-R8R |
— | ||
|
20
|
20
09409-10308-000 CLIPSX; 2009-09-01~ |
09409-10308-000 |
US $1.60 |
||
|
21
|
21
09409-10313-000 CLIPSX; 2009-09-01~ |
09409-10313-000 |
from US $1.76 |
||
|
22
|
22
85241-72J00-R8R
カバー,フロントヒンジアウトサイド(ブラウン)
SX; 2009-09-01~ |
85241-72J00-R8R |
— | ||
|
23
|
23
85243-63J70-000 COVER,RR RISER INSIDE,RSX; 2009-09-01~ |
85243-63J70-000 |
US $11.36 |
||
|
24
|
24
85295-58J01-000 BOLT,FR BACK FIXSX; 2009-09-01~ |
85295-58J01-000 |
US $2.47 |
||
|
25
|
25
85222-72J00-R8R
カバー,リクライニングインサイド,ライト(ブラウン)
SX; 2009-09-01~ |
85222-72J00-R8R |
— | ||
|
26
|
26
85242-72J01-R8R
カバー,フロントヒンジインサイド,ライト(ブラウン)
SX; 2009-09-01~ |
85242-72J01-R8R |
— | ||
|
27
|
27
85303-64L50-000
フレームアッシ,フロントバック,ライト
SX; 2009-09-01~ |
85303-64L50-000 |
— | ||
| replacements | |||||
|
27
|
27
85303-64L51-000
New Genuine Part
SX; 2009-09-01~ |
85303-64L51-000 |
— | ||
|
27
|
27
85303-64L52-000
New Genuine Part
SX; 2009-09-01~ |
85303-64L52-000 |
— | ||
|
28
|
28
85307-64L00-GZT
トリムアッシ,フロントバック(ベージュ)
SX; 2009-09-01~ |
85307-64L00-GZT |
— | ||
|
29
|
29
85341-63J10-P4Z
GUIDE,HEADRESTRAINT
SX; 2009-09-01~ |
85341-63J10-P4Z |
— | ||
| replacements | |||||
|
29
|
29
85341-63J11-P4Z
GUIDE,HEADRESTRAINT
SX; 2009-09-01~ |
85341-63J11-P4Z |
— | ||
|
29
|
29
85341-63J12-P4Z Guide,headrestraintSX; 2009-09-01~ |
85341-63J12-P4Z |
US $7.36 |
||
|
30
|
30
85840-63J10-P4Z
GUIDE,HEADRESTRAINT
SX; 2009-09-01~ |
85840-63J10-P4Z |
— | ||
| replacements | |||||
|
30
|
30
85840-63J11-P4Z
GUIDE COMP,HEADRESTRAINT
SX; 2009-09-01~ |
85840-63J11-P4Z |
— | ||
|
30
|
30
85840-63J12-P4Z Guide Comp,headrestraintSX; 2009-09-01~ |
85840-63J12-P4Z |
US $9.12 |
||
|
31
|
31
86401-85K00-GZU
ヘッドレストレイントアッシ(ベージュ)
SX; 2009-09-01~ |
86401-85K00-GZU |
— | ||
| replacement | |||||
|
31
|
31
86401-85K01-GZU
New Genuine Part
SX; 2009-09-01~ |
86401-85K01-GZU |
— | ||
|
32
|
32
87286-58J10-000 BUSH,CUSH STAY FIXSX; 2009-09-01~ |
87286-58J10-000 |
US $3.75 |
||
|
33
|
33
09132-05043-000 SCREW(5X10)SX; 2009-09-01~ |
09132-05043-000 |
US $12.90 |
||
|
34
|
34
01550-1016A-000 BoltPlug, oil gallery SX; 2009-09-01~ |
01550-1016A-000 |
from US $4.96 |
||
|
35
|
35
85108-64LA0-GZT
トリムアッシ,フロントクッション,レフト(ベージュ)
SX; 2009-09-01~ |
85108-64LA0-GZT |
— | ||
|
36
|
36
85603-85K01-000
フレームアッシ,フロントクッション,レフト
SX; 2009-09-01~2009-11-01 |
85603-85K01-000 |
— | ||
| replacement | |||||
|
36
|
36
85603-64LC1-000
New Genuine Part
SX; 2009-09-01~2009-11-01 |
85603-64LC1-000 |
— | ||
|
36
|
36
85603-85K02-000
フレームアッシ,フロントクッション,レフト
SX; 2009-12-01~2010-03-01 |
85603-85K02-000 |
— | ||
| replacement | |||||
|
36
|
36
85603-64LC1-000
New Genuine Part
SX; 2009-12-01~2010-03-01 |
85603-64LC1-000 |
— | ||
|
36
|
36
85603-85K03-000
フレームアッシ,フロントクッション,レフト
SX; 2010-04-01~ |
85603-85K03-000 |
— | ||
| replacement | |||||
|
36
|
36
85603-64LC1-000
New Genuine Part
SX; 2010-04-01~ |
85603-64LC1-000 |
— | ||
|
37
|
37
86620-85K00-000
アジャスタアッシ,フロントインサイド,レフト
SX; 2009-09-01~2009-11-01 |
86620-85K00-000 |
— | ||
| replacement | |||||
|
37
|
37
86620-85K02-000
アジャスタアッシ,フロントインサイド,レフト
SX; 2009-09-01~2009-11-01 |
86620-85K02-000 |
— | ||
|
37
|
37
86620-85K01-000
アジャスタアッシ,フロントインサイド,レフト
SX; 2009-12-01~2010-03-01 |
86620-85K01-000 |
— | ||
| replacement | |||||
|
37
|
37
86620-85K02-000
アジャスタアッシ,フロントインサイド,レフト
SX; 2009-12-01~2010-03-01 |
86620-85K02-000 |
— | ||
|
37
|
37
86620-85K02-000
アジャスタアッシ,フロントインサイド,レフト
SX; 2010-04-01~ |
86620-85K02-000 |
— | ||
|
38
|
38
86652-57L01-000 CAP,FR ADJUSTER LWRSX; 2009-09-01~ |
86652-57L01-000 |
US $4.93 |
||
|
39
|
39
86654-57L00-000 CAP,ADJUSTER UPRSX; 2009-09-01~ |
86654-57L00-000 |
US $4.45 |
||
|
40
|
40
86640-57L00-000
アジャスタアッシ,フロントアウトサイド,レフト
SX; 2009-09-01~2009-11-01 |
86640-57L00-000 |
— | ||
| replacement | |||||
|
40
|
40
86640-57L02-000
アジャスタアッシ,フロントアウトサイド,レフト
SX; 2009-09-01~2009-11-01 |
86640-57L02-000 |
— | ||
|
40
|
40
86640-57L01-000
アジャスタアッシ,フロントアウトサイド,レフト
SX; 2009-12-01~2010-03-01 |
86640-57L01-000 |
— | ||
| replacement | |||||
|
40
|
40
86640-57L02-000
アジャスタアッシ,フロントアウトサイド,レフト
SX; 2009-12-01~2010-03-01 |
86640-57L02-000 |
— | ||
|
40
|
40
86640-57L02-000
アジャスタアッシ,フロントアウトサイド,レフト
SX; 2010-04-01~ |
86640-57L02-000 |
— | ||
|
41
|
41
86652-57L01-000 CAP,FR ADJUSTER LWRSX; 2009-09-01~ |
86652-57L01-000 |
US $4.93 |
||
|
42
|
42
86654-57L00-000 CAP,ADJUSTER UPRSX; 2009-09-01~ |
86654-57L00-000 |
US $4.45 |
||
|
43
|
43
86691-85K01-000
ハンドル,フロントシートアジャスタ
SX; 2009-09-01~ |
86691-85K01-000 |
— | ||
|
44
|
44
86768-85K00-000
リンフォースメント,フロントアジャスタアウト,レフト
SX; 2009-09-01~ |
86768-85K00-000 |
— | ||
|
45
|
45
08316-1010A-000 NUTNut, kick starter SX; 2009-09-01~ |
08316-1010A-000 |
from US $0.76 |
||
|
46
|
46
85295-58J01-000 BOLT,FR BACK FIXSX; 2009-09-01~ |
85295-58J01-000 |
US $2.47 |
||
|
47
|
47
85308-64L10-GZT
トリムアッシ,フロントバック,レフト(ベージュ)
SX; 2009-09-01~ |
85308-64L10-GZT |
— | ||
|
48
|
48
85341-63J10-P4Z
GUIDE,HEADRESTRAINT
SX; 2009-09-01~ |
85341-63J10-P4Z |
— | ||
| replacements | |||||
|
48
|
48
85341-63J11-P4Z
GUIDE,HEADRESTRAINT
SX; 2009-09-01~ |
85341-63J11-P4Z |
— | ||
|
48
|
48
85341-63J12-P4Z Guide,headrestraintSX; 2009-09-01~ |
85341-63J12-P4Z |
US $7.36 |
||
|
49
|
49
85722-72J00-R8R
カバー,リクライニングインサイド,レフト(ブラウン)
SX; 2009-09-01~ |
85722-72J00-R8R |
— | ||
|
50
|
50
85742-72J01-R8R
カバー,フロントヒンジインサイド,レフト(ブラウン)
SX; 2009-09-01~ |
85742-72J01-R8R |
— | ||
|
51
|
51
85803-66K00-000
フレームアッシ,フロントバック,レフト
SX; 2009-09-01~ |
85803-66K00-000 |
— | ||
| replacement | |||||
|
51
|
51
85803-66K02-000
New Genuine Part
SX; 2009-09-01~ |
85803-66K02-000 |
— | ||
|
52
|
52
85840-63J10-P4Z
GUIDE,HEADRESTRAINT
SX; 2009-09-01~ |
85840-63J10-P4Z |
— | ||
| replacements | |||||
|
52
|
52
85840-63J11-P4Z
GUIDE COMP,HEADRESTRAINT
SX; 2009-09-01~ |
85840-63J11-P4Z |
— | ||
|
52
|
52
85840-63J12-P4Z Guide Comp,headrestraintSX; 2009-09-01~ |
85840-63J12-P4Z |
US $9.12 |
||
|
53
|
53
85711-63J10-R8R
ノブ,リクライニング,レフト(ブラウン)
SX; 2009-09-01~ |
85711-63J10-R8R |
— | ||
| replacement | |||||
|
53
|
53
85711-63J11-R8R
New Genuine Part
SX; 2009-09-01~ |
85711-63J11-R8R |
— | ||
|
54
|
54
85720-63J10-R8R
カバー,リクライニングアウトサイド,レフト(ブラウン
SX; 2009-09-01~ |
85720-63J10-R8R |
— | ||
|
55
|
55
09409-10308-000 CLIPSX; 2009-09-01~ |
09409-10308-000 |
US $1.60 |
||
|
56
|
56
09409-10313-000 CLIPSX; 2009-09-01~ |
09409-10313-000 |
from US $1.76 |
||
|
57
|
57
85741-85K00-R8R
カバー,フロントヒンジアウトサイド,レフト(ブラウン
SX; 2009-09-01~ |
85741-85K00-R8R |
— | ||
|
58
|
58
85743-85K00-000
カバー,フロントライザインサイド,レフト
SX; 2009-09-01~ |
85743-85K00-000 |
— | ||
|
59
|
59
86401-85K00-GZU
ヘッドレストレイントアッシ(ベージュ)
SX; 2009-09-01~ |
86401-85K00-GZU |
— | ||
| replacement | |||||
|
59
|
59
86401-85K01-GZU
New Genuine Part
SX; 2009-09-01~ |
86401-85K01-GZU |
— | ||
|
60
|
60
87286-58J10-000 BUSH,CUSH STAY FIXSX; 2009-09-01~ |
87286-58J10-000 |
US $3.75 |
||
|
61
|
61
01550-1016A-000 BoltPlug, oil gallery SX; 2009-09-01~ |
01550-1016A-000 |
from US $4.96 |
||
|
62
|
62
85495-85K00-P4Z COVER,RR INSIDE,RSX; 2009-09-01~ |
85495-85K00-P4Z |
US $7.76 |
||
|
63
|
63
09119-08097-000 BOLT(8X25)SX; 2009-09-01~ |
09119-08097-000 |
from US $1.76 |
||
|
64
|
64
09119-10085-000 BOLTSX; 2009-09-01~ |
09119-10085-000 |
US $20.20 |
||
|
65
|
65
85995-85K00-P4Z COVER,RR INSIDE,LSX; 2009-09-01~ |
85995-85K00-P4Z |
US $7.76 |
||
|
66
|
66
09119-08097-000 BOLT(8X25)SX; 2009-09-01~ |
09119-08097-000 |
from US $1.76 |
||
|
67
|
67
09119-10085-000 BOLTSX; 2009-09-01~ |
09119-10085-000 |
US $20.20 |
||