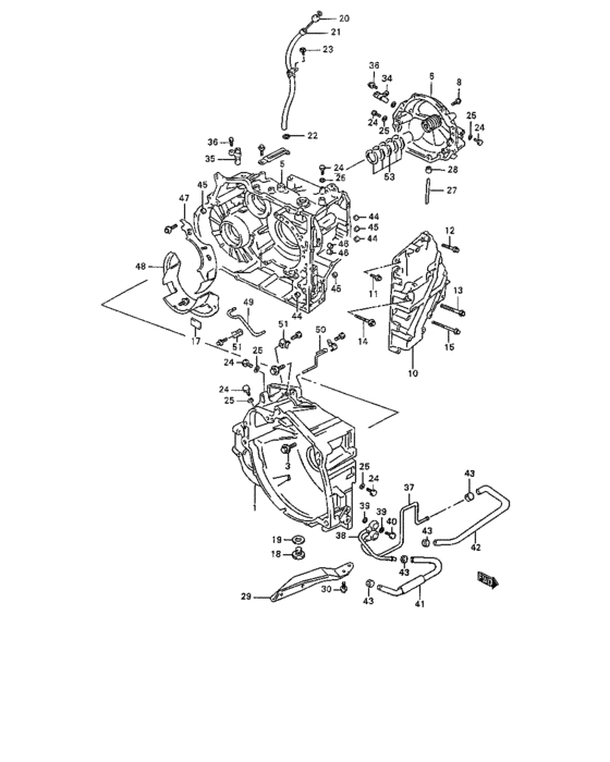
At tm case (AT) Diagram Suzuki BALENO/ESTEEM
- Year
- -
- Sales region
- Caribbean
- transmission
- AT
- grade
- GLX
Difficulties in parts search?
Difficulties in parts search?
| Description | OEM Part # | Price | |||
|---|---|---|---|---|---|
|
1
|
1
24720-60G10-000
ハウジング,トルクコンバータ
->24720-60G12,USED WITH 27441-60G10 |
24720-60G10-000 |
— | ||
| replacements | |||||
|
1
|
1
24720-60G12-000
HOUSING,TORQUE CONVERTER
->24720-60G12,USED WITH 27441-60G10 |
24720-60G12-000 |
— | ||
|
1
|
1
27441-60G10-000 SEAL,DIFF SIDE,R->24720-60G12,USED WITH 27441-60G10 |
27441-60G10-000 |
from US $18.47 |
||
|
1
|
1
24720-60G12-000
HOUSING,TORQUE CONVERTER
JS2GB31S T5100009~ |
24720-60G12-000 |
— | ||
|
2
|
2
24725-60G10-000 BOLT,HOUSING NO.1 |
24725-60G10-000 |
US $4.27 |
||
|
3
|
3
24729-60G10-000 Bolt |
24729-60G10-000 |
US $4.12 |
||
|
4
|
4
24727-60G10-000 BOLT,HOUSING NO.3 |
24727-60G10-000 |
US $4.75 |
||
|
5
|
5
24710-60G11-000
ケース,トランスミッション
|
24710-60G11-000 |
— | ||
| replacement | |||||
|
5
|
5
24710-60G12-000
CASE,T/M
|
24710-60G12-000 |
— | ||
|
6
|
6
24730-60G10-000 COVER ASSY,T/M RR |
24730-60G10-000 |
US $591.36 |
||
|
7
|
7
24727-60G10-000 BOLT,HOUSING NO.3 |
24727-60G10-000 |
US $4.75 |
||
|
8
|
8
24734-60G10-000 BOLT,RR COVER NO.2 |
24734-60G10-000 |
US $4.05 |
||
|
9
|
9
24736-60G10-000
ボルト
|
24736-60G10-000 |
— | ||
| replacement | |||||
|
9
|
9
22893-59J10-000 BOLT,OIL PUMP ASSY |
22893-59J10-000 |
from US $3.80 |
||
|
10
|
10
24751-60G10-000
カバー,トランスミッション,サイド
|
24751-60G10-000 |
— | ||
| replacements | |||||
|
10
|
10
24751-60G11-000
Cover,transmission side
|
24751-60G11-000 |
— | ||
|
10
|
10
24756-60G10-000
BOLT,SIDE COVER NO.5
|
24756-60G10-000 |
— | ||
|
11
|
11
24727-60G10-000 BOLT,HOUSING NO.3 |
24727-60G10-000 |
US $4.75 |
||
|
12
|
12
24753-60G10-000 BOLT,SIDE COVER NO.2 |
24753-60G10-000 |
US $4.56 |
||
|
13
|
13
24754-60G10-000 BOLT,SIDE COVER NO.3 |
24754-60G10-000 |
US $5.37 |
||
|
14
|
14
24755-60G10-000
BOLT,SIDE COVER NO.4
|
24755-60G10-000 |
— | ||
|
15
|
15
24756-60G10-000
BOLT,SIDE COVER NO.5
|
24756-60G10-000 |
— | ||
|
16
|
16
24757-60G10-000 BOLT,SIDE COVER NO.6 |
24757-60G10-000 |
US $6.26 |
||
|
17
|
17
24745-57B00-000 MAGNET,T/M OIL PAN |
24745-57B00-000 |
US $5.60 |
||
|
18
|
18
24823-60G11-000 PLUG,DRAIN |
24823-60G11-000 |
from US $9.54 |
||
|
19
|
19
24824-60G10-000 GASKET,DRAIN PLUG |
24824-60G10-000 |
from US $2.56 |
||
|
20
|
20
24831-60G10-000
ゲージ,トランスミッションオイルレベル
95 MODEL,96 MODEL |
24831-60G10-000 |
— | ||
| replacement | |||||
|
20
|
20
24831-65G30-000
GAUGE,T/M OIL LEVER
95 MODEL,96 MODEL |
24831-65G30-000 |
— | ||
|
21
|
21
24841-60G10-000 TUBE,T/M OIL FILLER |
24841-60G10-000 |
US $37.90 |
||
|
22
|
22
24842-60G10-000 O-RING |
24842-60G10-000 |
US $2.69 |
||
|
23
|
23
29999-60G10-000
ボルト,オイルフィラチューブ
|
29999-60G10-000 |
— | ||
| replacements | |||||
|
23
|
23
02162-0616B-000 SCREWBolt, adjust |
02162-0616B-000 |
from US $0.80 |
||
|
23
|
23
02162-06163-000
Screw
|
02162-06163-000 |
— | ||
|
24
|
24
29849-57B00-000 PLUG,T/M CASE |
29849-57B00-000 |
US $5.89 |
||
|
25
|
25
29738-57B00-000 O-RING |
29738-57B00-000 |
US $2.40 |
||
|
26
|
26
24851-60G10-000 PLUG,BREATHER |
24851-60G10-000 |
US $8.35 |
||
|
27
|
27
24856-60G10-000 HOSE,BREATHER |
24856-60G10-000 |
US $5.74 |
||
|
28
|
28
46543-60A00-000
プラグ,ブリーザ
|
46543-60A00-000 |
— | ||
| replacement | |||||
|
28
|
28
27991-65D01-000 PLUG,BREATHER |
27991-65D01-000 |
from US $1.92 |
||
|
29
|
29
24791-60G10-000 STIFFENER,HOUSING FRONT |
24791-60G10-000 |
US $33.30 |
||
|
30
|
30
01550-10253-000
Bolt
|
01550-10253-000 |
— | ||
| replacements | |||||
|
30
|
30
01550-1025B-000 BoltBolt, rr swgarm bracket, l |
01550-1025B-000 |
from US $5.59 |
||
|
30
|
30
01550-1025A-000 BOLTBolt, drive gear |
01550-1025A-000 |
from US $1.06 |
||
|
31
|
31
01421-10253-000
Stud bolt
|
01421-10253-000 |
— | ||
| replacement | |||||
|
31
|
31
01421-1025B-000 BOLT,STUD |
01421-1025B-000 |
from US $5.07 |
||
|
32
|
32
08316-10103-000
Nut
|
08316-10103-000 |
— | ||
| replacement | |||||
|
32
|
32
08316-1010B-000 NUT |
08316-1010B-000 |
from US $0.80 |
||
|
33
|
33
01550-10253-000
Bolt
|
01550-10253-000 |
— | ||
| replacements | |||||
|
33
|
33
01550-1025B-000 BoltBolt, rr swgarm bracket, l |
01550-1025B-000 |
from US $5.59 |
||
|
33
|
33
01550-1025A-000 BOLTBolt, drive gear |
01550-1025A-000 |
from US $1.06 |
||
|
34
|
34
26143-60G10-000 SENSOR,SPEED INPUT |
26143-60G10-000 |
from US $127.58 |
||
|
35
|
35
26141-60G10-000 SENSOR,SPEED OUTPUT |
26141-60G10-000 |
US $129.54 |
||
|
36
|
36
29999-57B00-000 Bolt |
29999-57B00-000 |
US $5.89 |
||
|
37
|
37
22911-60G10-000
PIPE,OIL OUTLET
|
22911-60G10-000 |
— | ||
|
38
|
38
22921-60G10-000
PIPE,OIL INLET
|
22921-60G10-000 |
— | ||
|
39
|
39
09168-14015-000 GASKET(14X20X1.5)Gasket, oil hose union |
09168-14015-000 |
from US $1.17 |
||
|
40
|
40
09360-14012-000 BOLT,14X27Bolt, union (14x27) |
09360-14012-000 |
from US $6.88 |
||
|
41
|
41
22931-60G10-000 HOSE,OIL COOLER INLET |
22931-60G10-000 |
US $23.74 |
||
|
42
|
42
22932-60G10-000
HOSE,OIL COOLER OUTLET
|
22932-60G10-000 |
— | ||
|
43
|
43
09401-15408-000 CLIPClip, 2nd air cleaner hose no.2 |
09401-15408-000 |
from US $3.26 |
||
|
44
|
44
24815-60G10-000 GASKET,T/M CASE OIL LINE NO.1 |
24815-60G10-000 |
US $10.88 |
||
|
45
|
45
24816-60G10-000 GASKET,T/M CASE OIL LINE NO.2 |
24816-60G10-000 |
from US $6.10 |
||
|
46
|
46
24818-60G10-000
ガスケット,トランスミッションケースオイルライン,NO.4
|
24818-60G10-000 |
— | ||
| replacement | |||||
|
46
|
46
24818-68J10-000 GASKET,GOVERNOR APPLY NO.1 |
24818-68J10-000 |
from US $5.18 |
||
|
47
|
47
24881-60G10-000
プレート,オイルリザーバ,ライト
|
24881-60G10-000 |
— | ||
| replacement | |||||
|
47
|
47
24881-65G10-000 PLATE,OIL RESERVOIR,R |
24881-65G10-000 |
US $53.36 |
||
|
48
|
48
24882-60G10-000
プレート,オイルリザーバ,レフト
|
24882-60G10-000 |
— | ||
| replacement | |||||
|
48
|
48
24882-54G10-000 PLATE,OIL RESERVOIR,L |
24882-54G10-000 |
US $53.36 |
||
|
49
|
49
24883-60G10-000 TUBE,DIFF SIDE |
24883-60G10-000 |
US $25.21 |
||
|
50
|
50
24884-60G10-000 TUBE,DIFF SIDE |
24884-60G10-000 |
US $19.32 |
||
|
51
|
51
24885-60G10-000 CLAMP,R LUBRICATION TUBE |
24885-60G10-000 |
US $4.75 |
||
|
52
|
52
24732-60GT0-000 RING SET,REAR COVER SEAL |
24732-60GT0-000 |
US $64.77 |
||