at - gasket set (4AT; 2002-11-01~2003-10-01) Diagram Suzuki CARRY/EVERY

Year
2002 - 2011
Sales region
Japan
Engine
TURBO
drive
2WD
transmission
AT
grade
PZ
number of the gears
4AT
body
W

Difficulties in parts search?

Parts list
at - gasket set

Difficulties in parts search?

at - gasket set
Description OEM Part # Price
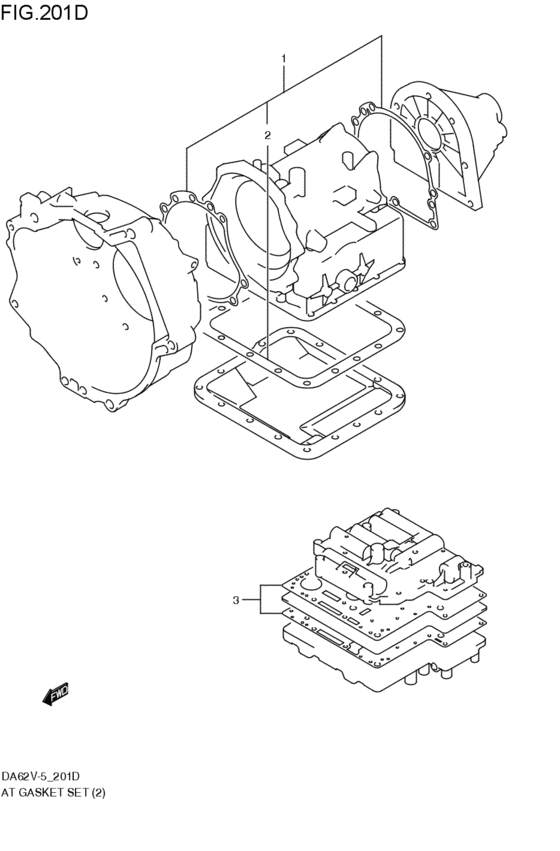
1
1

24780-81AT0-000

GASKET SET,T/M CASE

4AT; 2002-11-01~2003-10-01

24780-81AT0-000

US $109.60

2
2

24784-81A10-000

GASKET,T/M CASE

4AT; 2002-11-01~2003-10-01

24784-81A10-000

US $68

3
3

26580-81AT1-000

GASKET SET,VALVE BODY

4AT; 2002-11-01~2003-10-01

26580-81AT1-000

US $33.44

at - gasket set (4AT; 2002-11-01~2003-10-01) Diagram Suzuki CARRY/EVERY Japan 473013-64053