at - gasket set (4AT; 2001-08-01~2002-12-01) Diagram Suzuki CARRY/EVERY

Year
2001 - 2011
Sales region
Japan
supercharge
TURBO
drive
4WD
transmission
AT
grade
PZ
number of the gears
4AT
body
W
air bag
AB
abs
ABS
power steering
PWST
differential lock
DFLK-N

Difficulties in parts search?

Parts list
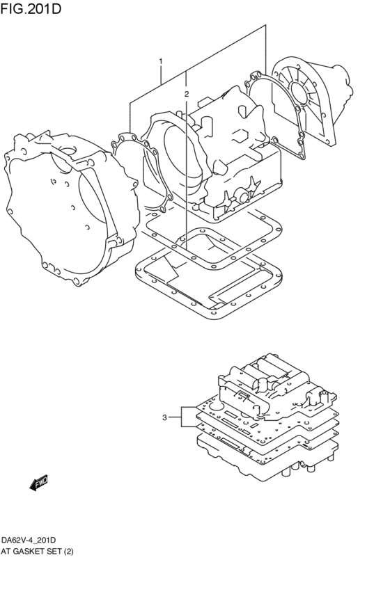
at - gasket set

Difficulties in parts search?

at - gasket set
Description OEM Part # Price
1
1

24780-81AT0-000

GASKET SET,T/M CASE

4AT; 2001-08-01~2002-12-01

24780-81AT0-000

US $109.60

2
2

24784-81A10-000

GASKET,T/M CASE

4AT; 2001-08-01~2002-12-01

24784-81A10-000

US $68

3
3

26580-81AT1-000

GASKET SET,VALVE BODY

4AT; 2001-08-01~2002-12-01

26580-81AT1-000

US $33.44

at - gasket set (4AT; 2001-08-01~2002-12-01) Diagram Suzuki CARRY/EVERY Japan 472713-63991