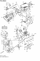
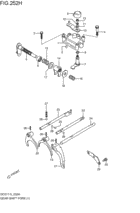
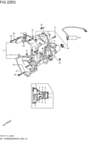
Suzuki CARRY/EVERY Car & Auto Parts

Year
1997 - 2011
Sales region
Japan
Engine
4V
supercharge
CARB
drive
2WD
transmission
MT
grade
KU
number of the gears
4MT
body
K

Difficulties in parts search?

Model Options

Difficulties in parts search?

Suzuki CARRY/EVERY Car & Auto Japan 65624 Parts