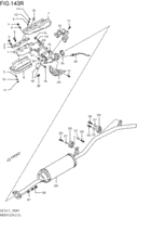
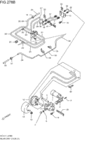
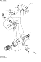
Suzuki CARRY/EVERY Car & Auto Parts

Year
1993
Sales region
Japan
supercharge
CARB
drive
P4WD
transmission
MT
grade
NSB
number of the gears
EL+5MT
type
TYPE2
body
K
valve
4V
air-conditioner
AIRCON-N
アングル
NANGL
農繁
NNOUHAN
郵政
NYUSEI

Difficulties in parts search?

Model Options

Difficulties in parts search?

Suzuki CARRY/EVERY Car & Auto Japan 65170 Parts