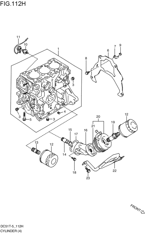
Cylinder (V:AT; 1997-04-01~1998-11-01) Diagram Suzuki CARRY/EVERY
- Year
- 1997 - 2011
- Sales region
- Japan
- Engine
- 4V
- supercharge
- EPI
- drive
- F4WD
- transmission
- AT
- grade
- PX
- number of the gears
- 3AT
- body
- P
Difficulties in parts search?
Difficulties in parts search?
| Description | OEM Part # | Price | |||
|---|---|---|---|---|---|
|
1
|
1
11200-53F10-000
ブロックアッシ,シリンダ
V:AT:4V; 1997-04-01~1998-11-01 |
11200-53F10-000 |
— | ||
| replacement | |||||
|
1
|
1
11200-76GV1-000
BLOCK ASSY,CYLINDER
V:AT:4V; 1997-04-01~1998-11-01 |
11200-76GV1-000 |
— | ||
|
2
|
2
09241-30009-000
Plug
V:AT; 1997-04-01~1998-11-01 |
09241-30009-000 |
— | ||
| replacement | |||||
|
2
|
2
09241-30010-000 PLUGV:AT; 1997-04-01~1998-11-01 |
09241-30010-000 |
US $2.40 |
||
|
3
|
3
09246-06002-000
PLUG
V:AT; 1997-04-01~1998-11-01 |
09246-06002-000 |
— | ||
| replacement | |||||
|
3
|
3
09246-08007-000 PLUGV:AT; 1997-04-01~1998-11-01 |
09246-08007-000 |
US $1.76 |
||
|
4
|
4
09246-05006-000 PLUG(1/8PT,H:5.5)V:AT; 1997-04-01~1998-11-01 |
09246-05006-000 |
from US $1.42 |
||
|
5
|
5
09103-10022-000
BOLT(10X54)
V:AT; 1997-04-01~1998-11-01 |
09103-10022-000 |
— | ||
|
6
|
6
11311-50F10-000
PLATE,CLUTCH HSG UPPER
V:AT; 1997-04-01~1998-11-01 |
11311-50F10-000 |
— | ||
|
7
|
7
11331-78122-000
プレート,スパークタイミング
V:AT; 1997-04-01~1998-11-01 |
11331-78122-000 |
— | ||
|
8
|
8
01550-06103-000
Bolt, front
V:AT; 1997-04-01~1998-11-01 |
01550-06103-000 |
— | ||
| replacements | |||||
|
8
|
8
01550-0610B-000 BoltBolt V:AT; 1997-04-01~1998-11-01 |
01550-0610B-000 |
from US $0.80 |
||
|
8
|
8
01550-0610A-000 BOLTV:AT; 1997-04-01~1998-11-01 |
01550-0610A-000 |
from US $0.80 |
||
|
9
|
9
08310-00063-000
Nut
V:AT; 1997-04-01~1998-11-01 |
08310-00063-000 |
— | ||
| replacements | |||||
|
9
|
9
08310-0006B-000 NUTNut gear shift link rod V:AT; 1997-04-01~1998-11-01 |
08310-0006B-000 |
from US $0.76 |
||
|
9
|
9
08310-0006A-000 NUTV:AT; 1997-04-01~1998-11-01 |
08310-0006A-000 |
from US $0.76 |
||
|
10
|
10
37820-80001-000
Switch, pressure
V:AT; 1997-04-01~1998-11-01 |
37820-80001-000 |
— | ||
| replacement | |||||
|
10
|
10
37820-80002-000 SWITCH ASSY,OIL PRESSUREV:AT; 1997-04-01~1998-11-01 |
37820-80002-000 |
from US $18.93 |
||
|
11
|
11
36890-85020-000 WIRE,OIL PRESS SWV:AT; 1997-04-01~1998-11-01 |
36890-85020-000 |
US $5.92 |
||
|
12
|
12
16510-81403-000
Oil Filter
DENSO; V:AT; 1997-04-01~1998-11-01 |
16510-81403-000 |
— | ||
| replacements | |||||
|
12
|
12
16510-82703-000 FILTER ASSY,OIL TOKYO ROKIFilter, oil DENSO; V:AT; 1997-04-01~1998-11-01 |
16510-82703-000 |
from US $13.41 |
||
|
12
|
12
16510-81404-000
Oil Filter
DENSO; V:AT; 1997-04-01~1998-11-01 |
16510-81404-000 |
— | ||
|
12
|
12
16510-82703-000 FILTER ASSY,OIL TOKYO ROKIFilter, oil TOKYO ROKI; V:AT; 1997-04-01~1998-11-01 |
16510-82703-000 |
from US $13.41 |
||
|
14
|
14
11241-85400-000 STAND,OIL FILTER CYLV:AT:(4V:F4WD,TURBO); 1997-04-01~1998-11-01 |
11241-85400-000 |
US $7.04 |
||
|
15
|
15
09280-16005-000 O RING(D:2.4,ID:15.8)O ring, exhaust pipe V:AT:(4V:F4WD,TURBO); 1997-04-01~1998-11-01 |
09280-16005-000 |
from US $1.40 |
||
|
16
|
16
16531-55F00-000
ケース,オイルクーラアダプタ
V:AT:(4V:F4WD,TURBO); 1997-04-01~1998-11-01 |
16531-55F00-000 |
— | ||
|
17
|
17
16539-76001-000 GASKET,OIL ADAPTER CASEV:AT:(4V:F4WD,TURBO); 1997-04-01~1998-11-01 |
16539-76001-000 |
US $4.26 |
||
|
18
|
18
01550-06253-000
Bolt (6x25)
V:AT:(4V:F4WD,TURBO); 1997-04-01~1998-11-01 |
01550-06253-000 |
— | ||
| replacements | |||||
|
18
|
18
01550-0625B-000 BOLTBolt, head cover V:AT:(4V:F4WD,TURBO); 1997-04-01~1998-11-01 |
01550-0625B-000 |
from US $0.91 |
||
|
18
|
18
01550-0625A-000 BOLTBolt V:AT:(4V:F4WD,TURBO); 1997-04-01~1998-11-01 |
01550-0625A-000 |
from US $0.96 |
||
|
19
|
19
11241-82C00-000 STAND,OIL COOLERV:AT:(4V:F4WD,TURBO); 1997-04-01~1998-11-01 |
11241-82C00-000 |
US $20.24 |
||
|
20
|
20
16600-55FV0-000
クーラアッシ,オイル
V:AT:(4V:F4WD,TURBO); 1997-04-01~1998-11-01 |
16600-55FV0-000 |
— | ||
|
21
|
21
16621-73G00-000
GASKET,OIL COOLER
V:AT:(4V:F4WD,TURBO); 1997-04-01~1998-11-01 |
16621-73G00-000 |
— | ||
| replacement | |||||
|
21
|
21
16621-73G01-000 GASKET,OIL COOLERV:AT:(4V:F4WD,TURBO); 1997-04-01~1998-11-01 |
16621-73G01-000 |
from US $6.98 |
||
|
22
|
22
16540-55F00-000
ガード,オイルフィルタ
V:AT:(4V:F4WD,TURBO); 1997-04-01~1998-11-01 |
16540-55F00-000 |
— | ||
|
23
|
23
01550-08163-000
Bolt, holder
V:AT:(4V:F4WD,TURBO); 1997-04-01~1998-11-01 |
01550-08163-000 |
— | ||
| replacements | |||||
|
23
|
23
01550-0816B-000 BOLTV:AT:(4V:F4WD,TURBO); 1997-04-01~1998-11-01 |
01550-0816B-000 |
from US $0.91 |
||
|
23
|
23
01550-0816A-000 BOLTBolt, rear V:AT:(4V:F4WD,TURBO); 1997-04-01~1998-11-01 |
01550-0816A-000 |
from US $0.91 |
||