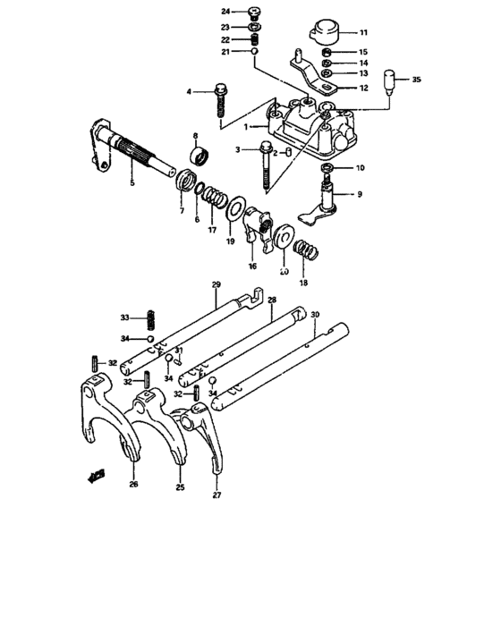
Gear shift fork (V:4 SPEED) Diagram Suzuki CARRY/SUPER CARRY
- Year
- -
- Sales region
- Pacific
- grade
- TA
Difficulties in parts search?
Difficulties in parts search?
| Description | OEM Part # | Price | |||
|---|---|---|---|---|---|
|
1
|
1
25121-85200-000
Case, gear shift lever
->25121-85201,USED WITH,25520-85203,AND 09284-17004 |
25121-85200-000 |
— | ||
| replacements | |||||
|
1
|
1
09285-17004-000
SEAL,OIL(17X25X4)
->25121-85201,USED WITH,25520-85203,AND 09284-17004 |
09285-17004-000 |
— | ||
|
1
|
1
25121-850V0-000 CASE,GEAR SHIFT LEVER->25121-85201,USED WITH,25520-85203,AND 09284-17004 |
25121-850V0-000 |
US $55.57 |
||
|
1
|
1
25520-85203-000
SHAFT,GEAR SHIFT LEVER
->25121-85201,USED WITH,25520-85203,AND 09284-17004 |
25520-85203-000 |
— | ||
|
1
|
1
25121-85201-000
Case, gear shift lever
DA21V-103226~ |
25121-85201-000 |
— | ||
| replacement | |||||
|
1
|
1
25121-850V0-000 CASE,GEAR SHIFT LEVERDA21V-103226~ |
25121-850V0-000 |
US $55.57 |
||
|
2
|
2
04221-06129-000 PIN |
04221-06129-000 |
from US $0.96 |
||
|
3
|
3
01517-08553-000
ボルト
|
01517-08553-000 |
— | ||
| replacements | |||||
|
3
|
3
01550-0855A-000 BOLTBolt, gear holder |
01550-0855A-000 |
from US $1.22 |
||
|
3
|
3
01550-0855B-000 Bolt |
01550-0855B-000 |
from US $1.51 |
||
|
4
|
4
01517-08403-000
ボルト
|
01517-08403-000 |
— | ||
| replacement | |||||
|
4
|
4
01550-0840B-000 Bolt |
01550-0840B-000 |
from US $1.12 |
||
|
5
|
5
25520-85202-000
Shaft, gear shift lever
|
25520-85202-000 |
— | ||
|
5
|
5
25520-85203-000
SHAFT,GEAR SHIFT LEVER
DA21V-103226~ |
25520-85203-000 |
— | ||
|
6
|
6
09280-13008-000
O ring
~DA21V-103225 |
09280-13008-000 |
— | ||
| replacement | |||||
|
6
|
6
09280-12008-000 O RING(D:2.4,ID:12.3)O ring (d:2.4,id:12.3) ~DA21V-103225 |
09280-12008-000 |
from US $2.13 |
||
|
7
|
7
25525-79500-000 BOOT,SHIFT~DA21V-103225 |
25525-79500-000 |
US $1.73 |
||
|
8
|
8
09284-17004-000 SEAL,OIL(17X25X12)DA21V-103226~ |
09284-17004-000 |
US $5.12 |
||
|
9
|
9
25530-79501-000 SHAFT,GEAR SELECT |
25530-79501-000 |
US $18.40 |
||
|
10
|
10
09286-09001-000 SEAL,OIL(9.2X14X2.8) |
09286-09001-000 |
from US $1.04 |
||
|
11
|
11
25536-84200-000 BOOT,LEVER |
25536-84200-000 |
US $2.08 |
||
|
12
|
12
25535-85412-000 ARM,GEAR SELECT |
25535-85412-000 |
US $13.12 |
||
|
13
|
13
08322-11083-000 WasherWasher |
08322-11083-000 |
US $1.07 |
||
| replacements | |||||
|
13
|
13
08322-0108B-000 WASHER |
08322-0108B-000 |
from US $0.80 |
||
|
13
|
13
08322-0108A-000 WASHER |
08322-0108A-000 |
from US $0.80 |
||
|
14
|
14
08321-21083-000
Washr,lk8.2x15.
|
08321-21083-000 |
— | ||
| replacements | |||||
|
14
|
14
08321-0108B-000 WASHER,LOCK |
08321-0108B-000 |
from US $0.76 |
||
|
14
|
14
08321-0108A-000 WASHER,LOCK |
08321-0108A-000 |
from US $0.80 |
||
|
15
|
15
08310-11083-000
ナット
|
08310-11083-000 |
— | ||
| replacements | |||||
|
15
|
15
08310-0008A-000 NUTNut, bead stopper |
08310-0008A-000 |
from US $0.76 |
||
|
15
|
15
08310-0008B-000 NUT |
08310-0008B-000 |
from US $0.80 |
||
|
16
|
16
25541-85201-000
LEVER,GEAR SHF
|
25541-85201-000 |
— | ||
|
17
|
17
09440-20012-000
スプリング
|
09440-20012-000 |
— | ||
| replacement | |||||
|
17
|
17
25576-70D00-000 SPRING,LOW SPEED SELECT |
25576-70D00-000 |
US $2.24 |
||
|
18
|
18
09440-15011-000 SPRING |
09440-15011-000 |
US $8.50 |
||
|
19
|
19
09160-17035-000 WASHER(17X32X1.2) |
09160-17035-000 |
US $1.76 |
||
|
20
|
20
25545-85201-000
スペーサ,ギヤシフトリバース
<-25545-85200 |
25545-85201-000 |
— | ||
|
21
|
21
06111-10003-000 BALL |
06111-10003-000 |
from US $0.80 |
||
|
22
|
22
09440-07054-000
スプリング
|
09440-07054-000 |
— | ||
| replacement | |||||
|
22
|
22
25547-70D00-000 SPRING,GEAR SHIFT REV CHECK |
25547-70D00-000 |
US $1.92 |
||
|
23
|
23
09168-10007-000 GASKET(10.1X16X1)Gasket, parking pawl |
09168-10007-000 |
from US $1.60 |
||
|
24
|
24
09128-10002-000 BOLT(10X9) |
09128-10002-000 |
from US $1.28 |
||
|
25
|
25
25211-85200-000
Fork, low speed gear shift
|
25211-85200-000 |
— | ||
| replacement | |||||
|
25
|
25
25211-85201-000 FORK,LOW SPEED GEAR SHIFT |
25211-85201-000 |
US $40.48 |
||
|
26
|
26
25221-85200-000
Fork, high speed gear shift
|
25221-85200-000 |
— | ||
| replacement | |||||
|
26
|
26
25221-85202-000
FORK,HIGH&REV GR SHF
|
25221-85202-000 |
— | ||
|
27
|
27
25221-83001-000
Fork, reverse gear shift
|
25221-83001-000 |
— | ||
| replacement | |||||
|
27
|
27
25221-83003-000 FORK,HIGH SPEED GEAR SHIFTFork, high speed |
25221-83003-000 |
US $50.93 |
||
|
27
|
27
25221-83002-000
フォーク,ハイスピードギヤシフト
DA21V-122699~ |
25221-83002-000 |
— | ||
| replacement | |||||
|
27
|
27
25221-83003-000 FORK,HIGH SPEED GEAR SHIFTFork, high speed DA21V-122699~ |
25221-83003-000 |
US $50.93 |
||
|
28
|
28
25411-85201-000 SHAFT,LOW SPEED GEAR SHIFT<-25411-85200 |
25411-85201-000 |
US $29.81 |
||
|
29
|
29
25420-85201-000 SHAFT,HIGH SPEED GEAR SHIFT<-25420-85200 |
25420-85201-000 |
US $32.02 |
||
|
30
|
30
25451-85201-000
Shaft, reverse fork
<-25451-85200 |
25451-85201-000 |
— | ||
| replacement | |||||
|
30
|
30
25451-85261-000 SHAFT,REVERSE GEAR SHIFT<-25451-85200 |
25451-85261-000 |
US $29.81 |
||
|
30
|
30
25451-85211-000
Shaft, reverse fork
DA21V-122699~ |
25451-85211-000 |
— | ||
| replacement | |||||
|
30
|
30
25451-85261-000 SHAFT,REVERSE GEAR SHIFTDA21V-122699~ |
25451-85261-000 |
US $29.81 |
||
|
31
|
31
09261-03015-000
Roller, shaft locating
|
09261-03015-000 |
— | ||
| replacement | |||||
|
31
|
31
09261-03017-000 ROLLER(3X12.5) |
09261-03017-000 |
from US $0.91 |
||
|
32
|
32
09205-05012-000 PIN,SPRING(5X25) |
09205-05012-000 |
US $1.22 |
||
|
33
|
33
09440-09019-000
Spring
|
09440-09019-000 |
— | ||
| replacement | |||||
|
33
|
33
25415-83000-000 SPRING,GEAR SHIFT LOCATING |
25415-83000-000 |
US $2.08 |
||
|
34
|
34
06112-12004-000
Ball
|
06112-12004-000 |
— | ||
| replacement | |||||
|
34
|
34
06111-12004-000 BALL |
06111-12004-000 |
from US $1.12 |
||
|
35
|
35
24821-09001-000 PLUG,T/M BREATHERPlug, breather <-24821-09000 |
24821-09001-000 |
from US $3.04 |
||