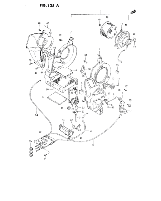
Heater (RHD) Diagram Suzuki CARRY/SUPER CARRY
- Year
- -
- Sales region
- Africa
- transmission
- MT
- grade
- TA
Difficulties in parts search?
Difficulties in parts search?
| Description | OEM Part # | Price | |||
|---|---|---|---|---|---|
|
1
|
1
74100-85010-000
Heater assy
|
74100-85010-000 |
— | ||
|
1
|
1
74100-85001-000
ヒータアッシ
|
74100-85001-000 |
— | ||
| replacement | |||||
|
1
|
1
74100-85010-000
Heater assy
|
74100-85010-000 |
— | ||
|
2
|
2
74111-85000-000
CASE,HEATER
|
74111-85000-000 |
— | ||
|
3
|
3
74112-85000-000
CASE,HEATER
|
74112-85000-000 |
— | ||
|
4
|
4
74113-85000-000
DAMPER ASSY
|
74113-85000-000 |
— | ||
|
5
|
5
74114-85000-000
DAMPER ASSY
|
74114-85000-000 |
— | ||
|
6
|
6
74115-85000-000 SHAFT |
74115-85000-000 |
US $3.46 |
||
|
7
|
7
74116-85000-000
シャフト
|
74116-85000-000 |
— | ||
|
8
|
8
74189-64A00-000 BUSH |
74189-64A00-000 |
US $1.91 |
||
|
9
|
9
74118-85000-000
COVER,HEATER
|
74118-85000-000 |
— | ||
|
10
|
10
74120-85000-000 REGISTER,BLOWER |
74120-85000-000 |
US $17.66 |
||
|
11
|
11
03211-04126-000
Screw
|
03211-04126-000 |
— | ||
| replacement | |||||
|
11
|
11
03211-0412A-000 SCREW |
03211-0412A-000 |
from US $3.04 |
||
|
12
|
12
09404-06405-000
Clamp
|
09404-06405-000 |
— | ||
| replacements | |||||
|
12
|
12
09404-06434-000
CLAMP(L:80 T:1.0)
|
09404-06434-000 |
— | ||
|
12
|
12
09404-06433-000
CLAMP(L:80)
|
09404-06433-000 |
— | ||
|
12
|
12
09404-06436-000 Clamp(L:80) |
09404-06436-000 |
from US $2.13 |
||
|
12
|
12
09404-06036-000 Clamp(L:80) |
09404-06036-000 |
from US $1.82 |
||
|
13
|
13
03212-05163-000
Screw
|
03212-05163-000 |
— | ||
| replacements | |||||
|
13
|
13
03212-0516B-000
SCREW
|
03212-0516B-000 |
— | ||
|
13
|
13
13765-48GV0-000 Screw |
13765-48GV0-000 |
from US $3.55 |
||
|
14
|
14
08322-01057-000 WASHERWasher, front hook holder |
08322-01057-000 |
from US $0.80 |
||
|
15
|
15
74140-85080-000
モータアッシ
|
74140-85080-000 |
— | ||
| replacement | |||||
|
15
|
15
74140-80060-000 MOTOR ASSY |
74140-80060-000 |
US $309.12 |
||
|
15
|
15
74140-80060-000 MOTOR ASSY |
74140-80060-000 |
US $309.12 |
||
|
16
|
16
88190-79000-000 FAN,BLOWER |
88190-79000-000 |
US $29.81 |
||
|
17
|
17
88153-79000-000 PACKING,MOTOR |
88153-79000-000 |
US $1.52 |
||
|
18
|
18
74131-82000-000
ワッシャ,ファン
|
74131-82000-000 |
— | ||
| replacement | |||||
|
18
|
18
17112-82000-000 WASHER,FAN |
17112-82000-000 |
US $0.85 |
||
|
19
|
19
08316-16053-000 Nut |
08316-16053-000 |
US $1.23 |
||
| replacement | |||||
|
19
|
19
08316-1005A-000 NUT |
08316-1005A-000 |
from US $0.77 |
||
|
20
|
20
74130-85080-000
ユニットアッシ,ラジエータ
|
74130-85080-000 |
— | ||
| replacement | |||||
|
20
|
20
74130-85010-000 UNIT ASSY,RADIATOR |
74130-85010-000 |
US $478.72 |
||
|
20
|
20
74130-85001-000
ユニットアッシ,ラジエータ
|
74130-85001-000 |
— | ||
| replacement | |||||
|
20
|
20
74130-85010-000 UNIT ASSY,RADIATOR |
74130-85010-000 |
US $478.72 |
||
|
21
|
21
74131-85000-000 PIPE |
74131-85000-000 |
US $5.60 |
||
|
22
|
22
74132-85000-000 HOSE |
74132-85000-000 |
US $1.60 |
||
|
23
|
23
09400-20901-000
Clamp
|
09400-20901-000 |
— | ||
| replacement | |||||
|
23
|
23
09400-20311-000 CLAMP |
09400-20311-000 |
US $17.30 |
||
|
24
|
24
74710-85001-000 VALVE,WATER |
74710-85001-000 |
US $72.86 |
||
|
25
|
25
03112-05169-000
スクリュ
|
03112-05169-000 |
— | ||
| replacement | |||||
|
25
|
25
03111-0516A-000 SCREW |
03111-0516A-000 |
from US $0.80 |
||
|
26
|
26
74161-85000-000
レバーサブアッシ,コントロール
|
74161-85000-000 |
— | ||
| replacement | |||||
|
26
|
26
74180-85000-000 LEVER ASSY,HEAT |
74180-85000-000 |
US $7.73 |
||
|
27
|
27
74162-85000-000
LEVER ASSY,CONT
|
74162-85000-000 |
— | ||
|
28
|
28
74163-85000-000
LEVER ASSY,CONT
|
74163-85000-000 |
— | ||
|
29
|
29
74183-82005-000 SCREW,LINK |
74183-82005-000 |
US $1.73 |
||
|
30
|
30
03212-04169-000 SCREWScrew |
03212-04169-000 |
from US $2.13 |
||
|
31
|
31
74171-85000-000
BRACKET
|
74171-85000-000 |
— | ||
|
32
|
32
74172-85000-000
クランプ
|
74172-85000-000 |
— | ||
|
33
|
33
74173-85000-000 Bolt |
74173-85000-000 |
US $1.62 |
||
|
34
|
34
74133-82000-000 CLAMP,CASE |
74133-82000-000 |
US $2.91 |
||
|
35
|
35
74151-85000-000 CLAMP,LOCK |
74151-85000-000 |
US $3.72 |
||
|
36
|
36
02112-03087-000
L.lock washer
|
02112-03087-000 |
— | ||
| replacement | |||||
|
36
|
36
02112-0308A-000 SCREW |
02112-0308A-000 |
from US $2.84 |
||
|
37
|
37
08321-21038-000
Lock washer
|
08321-21038-000 |
— | ||
| replacements | |||||
|
37
|
37
08321-2103B-000 WASHER,LOCK |
08321-2103B-000 |
from US $7.70 |
||
|
37
|
37
09162-03001-000 WASHER,LOCKLock washer |
09162-03001-000 |
from US $1.85 |
||
|
38
|
38
74119-85000-000
プレート,カバー
|
74119-85000-000 |
— | ||
|
39
|
39
09118-06092-000
Bolt,6x16
|
09118-06092-000 |
— | ||
| replacement | |||||
|
39
|
39
09118-06092-XC0 BOLT(6X16) |
09118-06092-XC0 |
US $12.50 |
||
|
40
|
40
09308-10005-000 GROMMETGrommet, rr lead |
09308-10005-000 |
from US $1.72 |
||
|
41
|
41
08316-10063-000
Nut
|
08316-10063-000 |
— | ||
| replacement | |||||
|
41
|
41
08316-1006B-000 NUT |
08316-1006B-000 |
from US $0.76 |
||
|
42
|
42
74200-85001-000
Box assy,htr control
|
74200-85001-000 |
— | ||
|
43
|
43
74213-85000-000 PAD,HTR CONTROL BOX |
74213-85000-000 |
US $5.60 |
||
|
44
|
44
74214-85000-000 PACKING,HEATER CONTROL BOX |
74214-85000-000 |
US $6.24 |
||
|
45
|
45
01500-06123-000
Bolt, front
|
01500-06123-000 |
— | ||
| replacement | |||||
|
45
|
45
01500-0612A-000 BOLT |
01500-0612A-000 |
from US $0.76 |
||
|
46
|
46
01500-06203-000
Bolt
|
01500-06203-000 |
— | ||
| replacement | |||||
|
46
|
46
01500-0620A-000 BOLT |
01500-0620A-000 |
from US $0.76 |
||
|
47
|
47
74252-85000-000
ガッタ,コントロールボックス
|
74252-85000-000 |
— | ||
|
48
|
48
03141-06168-000
スクリュ
|
03141-06168-000 |
— | ||
| replacement | |||||
|
48
|
48
03141-0616A-000 SCREW |
03141-0616A-000 |
from US $0.76 |
||
|
49
|
49
08316-10063-000
Nut
|
08316-10063-000 |
— | ||
| replacement | |||||
|
49
|
49
08316-1006B-000 NUT |
08316-1006B-000 |
from US $0.76 |
||
|
50
|
50
74400-85000-000 LEVER ASSY,HTR CONT |
74400-85000-000 |
US $37.90 |
||
|
51
|
51
03141-05123-000
Screw 5 x 12
|
03141-05123-000 |
— | ||
| replacement | |||||
|
51
|
51
03141-0512A-000 SCREWScrew, belt cooling duct |
03141-0512A-000 |
from US $0.76 |
||
|
52
|
52
74441-85000-000
CABLE,HEAT&BENT&DEFROSTER
|
74441-85000-000 |
— | ||
|
53
|
53
74442-85000-000
CABLE,COOL&HOT
|
74442-85000-000 |
— | ||
|
54
|
54
74443-85000-000
CABLE,FRESH&CIRCULATION
|
74443-85000-000 |
— | ||
|
55
|
55
74417-60A00-000 KNOB,CONTROL LEVER |
74417-60A00-000 |
US $1.60 |
||