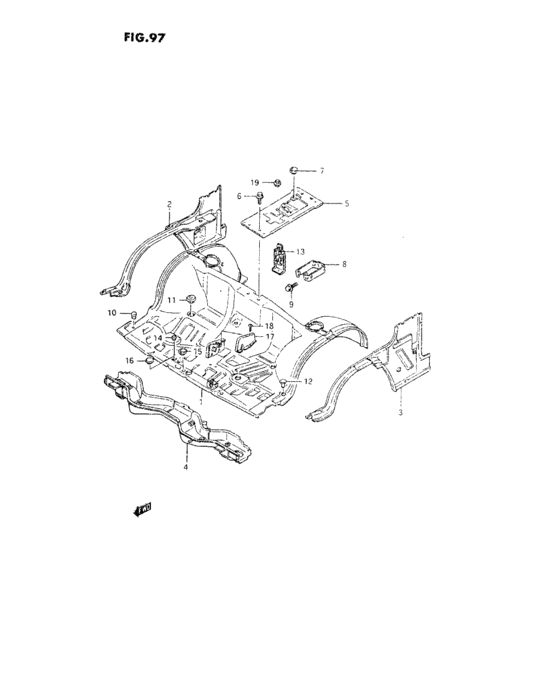
Front floor (V) Diagram Suzuki CARRY/SUPER CARRY
- Year
- -
- Sales region
- Africa
- transmission
- 5MT
- grade
- STD
Difficulties in parts search?
Difficulties in parts search?
| Description | OEM Part # | Price | |||
|---|---|---|---|---|---|
|
1
|
1
61100-67C40-000
Panel assy, front floor
LHD |
61100-67C40-000 |
— | ||
|
1
|
1
61100-67C60-000
Panel assy, front floor
RHD |
61100-67C60-000 |
— | ||
|
1
|
1
61100-67C20-000
Panel assy, front floor
,Belgium,Germany,Holland,6,Israel,Iceland |
61100-67C20-000 |
— | ||
| replacement | |||||
|
1
|
1
61100-66C20-000 PANEL ASSY,FRONT FLOOR,Belgium,Germany,Holland,6,Israel,Iceland |
61100-66C20-000 |
US $587.84 |
||
|
1
|
1
61100-66C20-000 PANEL ASSY,FRONT FLOORGermany:W/CATALYZER: JSAEDA21V00140713~ |
61100-66C20-000 |
US $587.84 |
||
|
1
|
1
61100-66C70-000
Panel assy, front floor
Finland |
61100-66C70-000 |
— | ||
|
1
|
1
61100-67C30-000
Panel assy, front floor
,8 |
61100-67C30-000 |
— | ||
|
1
|
1
61100-66C30-000
Panel assy, front floor
New Zealand |
61100-66C30-000 |
— | ||
|
1
|
1
61100-68C50-000
Panel assy, front floor
Hong Kong:W/CATALYZER |
61100-68C50-000 |
— | ||
|
1
|
1
61100-66C60-000
Panel assy, front floor
,7:BLIND VAN |
61100-66C60-000 |
— | ||
|
1
|
1
61100-67C10-000
Panel assy, front floor
Philippines |
61100-67C10-000 |
— | ||
|
2
|
2
61140-85721-000 LOCKER,FR FLOOR SIDE,R |
61140-85721-000 |
US $87.58 |
||
|
3
|
3
61150-85721-000
ロッカ,フロントフロアサイド,レフト
|
61150-85721-000 |
— | ||
| replacement | |||||
|
3
|
3
61150-85722-000 LOCKER,FR FLOOR SIDE,L |
61150-85722-000 |
US $95.76 |
||
|
4
|
4
59710-75D50-000
Crossmember comp,floor,front
|
59710-75D50-000 |
— | ||
|
5
|
5
75410-85200-000
Member, engine room center
->75410-85720 USED WITH,09250-17001 (2PCS) |
75410-85200-000 |
— | ||
| replacements | |||||
|
5
|
5
09250-17001-000 CAP(OD:25.5)->75410-85720 USED WITH,09250-17001 (2PCS) |
09250-17001-000 |
US $1.06 |
||
|
5
|
5
75410-85720-000
MEMBER,ENG ROOM CTR
->75410-85720 USED WITH,09250-17001 (2PCS) |
75410-85720-000 |
— | ||
|
5
|
5
75410-85720-000
MEMBER,ENG ROOM CTR
DA21V-147388~ JSAEDA21V00141675~ |
75410-85720-000 |
— | ||
|
6
|
6
01550-06127-000 BOLTBolt, rect |
01550-06127-000 |
from US $0.68 |
||
|
7
|
7
09250-20002-000
キャップ,OD:30
|
09250-20002-000 |
— | ||
| replacements | |||||
|
7
|
7
09250-20009-000
CAP(OD:30)
|
09250-20009-000 |
— | ||
|
7
|
7
09250-20034-000 Cap(Od:30) |
09250-20034-000 |
US $11.40 |
||
|
8
|
8
75421-85000-000 BRACKET,JACK |
75421-85000-000 |
US $6.66 |
||
|
9
|
9
01550-06123-000
Bolt
|
01550-06123-000 |
— | ||
| replacements | |||||
|
9
|
9
01550-0612B-000 BOLTBolt, clamp |
01550-0612B-000 |
from US $0.76 |
||
|
9
|
9
01550-0612A-000 BOLT |
01550-0612A-000 |
from US $0.76 |
||
|
10
|
10
09250-10005-000 CAP(OD:15) |
09250-10005-000 |
US $14.70 |
||
|
11
|
11
09250-30015-000
Cap
|
09250-30015-000 |
— | ||
| replacement | |||||
|
11
|
11
72999-67H00-000 CAP,OD:40 |
72999-67H00-000 |
from US $4.32 |
||
|
12
|
12
09250-10017-000 PLUG(OD:22) |
09250-10017-000 |
US $17.70 |
||
|
13
|
13
59920-85741-000
Bracket, canister
Chile,Switzerland,Austria,Saudi Arabia,Hungary,Hong Kong:W/CATALYZER Germany:W/CATALYZER:,JSAEDA21V00140713~ |
59920-85741-000 |
— | ||
| replacement | |||||
|
13
|
13
59920-65C00-000 BRACKET,CANISTERChile,Switzerland,Austria,Saudi Arabia,Hungary,Hong Kong:W/CATALYZER Germany:W/CATALYZER:,JSAEDA21V00140713~ |
59920-65C00-000 |
US $16.38 |
||
|
14
|
14
09250-07001-000 CAP(OD:10)N/HEATER |
09250-07001-000 |
US $11 |
||
|
15
|
15
09250-20002-000
キャップ,OD:30
|
09250-20002-000 |
— | ||
| replacements | |||||
|
15
|
15
09250-20009-000
CAP(OD:30)
|
09250-20009-000 |
— | ||
|
15
|
15
09250-20034-000 Cap(Od:30) |
09250-20034-000 |
US $11.40 |
||
|
16
|
16
09250-25007-000 CAP(OD:25.0) |
09250-25007-000 |
from US $0.97 |
||
|
17
|
17
66511-79060-000
COVER,ACCEL WIRE,L
LHD |
66511-79060-000 |
— | ||
|
18
|
18
03142-05109-000
Screw 5x10
|
03142-05109-000 |
— | ||
| replacement | |||||
|
18
|
18
03142-0510B-000 SCREW |
03142-0510B-000 |
US $0.80 |
||
|
19
|
19
09250-17001-000 CAP(OD:25.5),0,1,New Zealand,Sinagpore,Hong Kong,Saudi Arabia,DA21V-147388~ JSAEDA21V00141675~ |
09250-17001-000 |
US $1.06 |
||