Engine mounting (ENGINE MOUNTING) Diagram Suzuki CARRY/SUPER CARRY
- Year
- -
- Sales region
- Africa
- grade
- STD
Difficulties in parts search?
Difficulties in parts search?
| Description | OEM Part # | Price | |||
|---|---|---|---|---|---|
|
1
|
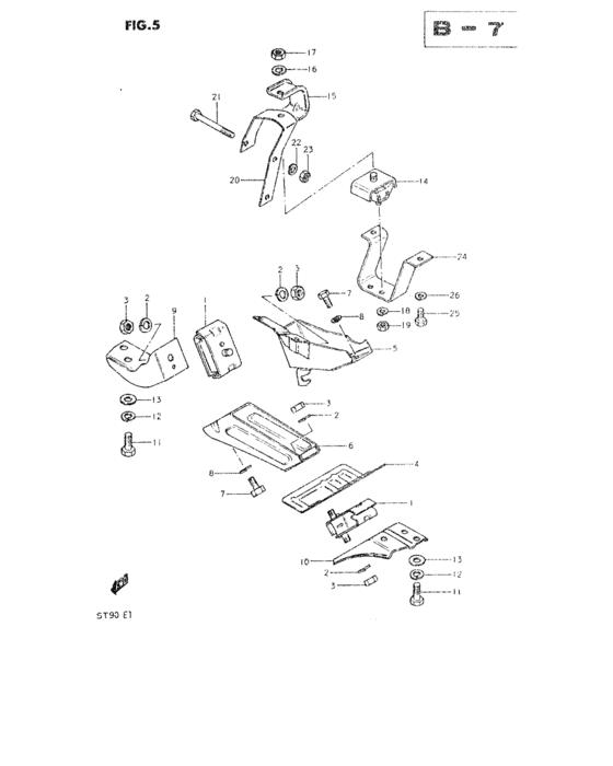
1
11610-79100-000 MOUNTING,ENG FR |
11610-79100-000 |
US $107.20 |
||
|
2
|
2
08321-21108-000
Lock washer
|
08321-21108-000 |
— | ||
| replacement | |||||
|
2
|
2
08321-01107-000 WASHER,LOCKLock washer |
08321-01107-000 |
from US $0.76 |
||
|
3
|
3
08310-12108-000
Nut, flywheel
|
08310-12108-000 |
— | ||
| replacement | |||||
|
3
|
3
08310-00107-000 NUT |
08310-00107-000 |
from US $0.80 |
||
|
4
|
4
11616-79100-000
COVER,FR MTG,L
|
11616-79100-000 |
— | ||
|
5
|
5
11640-79202-000
Bracket, front rh
TO 11640-79203, USED WITH,01107-08258 (2PCS.),TYPE 1 |
11640-79202-000 |
— | ||
|
5
|
5
11640-79212-000
BRACKET,ENG FR,R
TYPE 2,TYPE 3 |
11640-79212-000 |
— | ||
|
6
|
6
11650-79102-000
Bracket, front lh
TO 11650-77200, USED WITH,01107-08258 (2PCS.),TYPE 1 |
11650-79102-000 |
— | ||
| replacement | |||||
|
6
|
6
11650-85550-000 BRACKET,FR MTG LH ENGTO 11650-77200, USED WITH,01107-08258 (2PCS.),TYPE 1 |
11650-85550-000 |
US $23.20 |
||
|
6
|
6
11650-77200-000
Bracket, front lh
TYPE 2,TYPE 3,FROM 11650-79103 |
11650-77200-000 |
— | ||
| replacement | |||||
|
6
|
6
11650-85550-000 BRACKET,FR MTG LH ENGTYPE 2,TYPE 3,FROM 11650-79103 |
11650-85550-000 |
US $23.20 |
||
|
7
|
7
01107-08208-000
Bolt
TYPE 1 |
01107-08208-000 |
— | ||
| replacement | |||||
|
7
|
7
01500-08207-000 BoltTYPE 1 |
01500-08207-000 |
from US $0.76 |
||
|
7
|
7
01107-08258-000
Bolt
TYPE 2,TYPE 3 |
01107-08258-000 |
— | ||
| replacement | |||||
|
7
|
7
01500-08257-000 BoltTYPE 2,TYPE 3 |
01500-08257-000 |
from US $0.96 |
||
|
8
|
8
08321-21088-000
Lock washer
|
08321-21088-000 |
— | ||
| replacement | |||||
|
8
|
8
08321-01087-000 WASHER,LOCKWasher, lock |
08321-01087-000 |
from US $0.76 |
||
|
9
|
9
11660-79200-000
BRACKET,ENG FR BODY SIDE,R
|
11660-79200-000 |
— | ||
|
10
|
10
11671-79200-000
BRACKET,ENG FR BODY SIDE,L
|
11671-79200-000 |
— | ||
|
11
|
11
09100-10146-000
Bolt
|
09100-10146-000 |
— | ||
|
12
|
12
08321-31108-000
Lock washer
|
08321-31108-000 |
— | ||
| replacement | |||||
|
12
|
12
08321-01107-000 WASHER,LOCKLock washer |
08321-01107-000 |
from US $0.76 |
||
|
13
|
13
08322-11108-000
Washer
|
08322-11108-000 |
— | ||
| replacement | |||||
|
13
|
13
08322-01107-000 WASHERWasher, throttle drum |
08322-01107-000 |
from US $0.76 |
||
|
14
|
14
11710-52020-000
MOUNTING,ENG RR
|
11710-52020-000 |
— | ||
|
15
|
15
11745-79000-000
STOPPER,ENGINE RR MOUNTING
|
11745-79000-000 |
— | ||
|
16
|
16
08321-21108-000
Lock washer
|
08321-21108-000 |
— | ||
| replacement | |||||
|
16
|
16
08321-01107-000 WASHER,LOCKLock washer |
08321-01107-000 |
from US $0.76 |
||
|
17
|
17
08310-12108-000
Nut, flywheel
|
08310-12108-000 |
— | ||
| replacement | |||||
|
17
|
17
08310-00107-000 NUT |
08310-00107-000 |
from US $0.80 |
||
|
18
|
18
08321-21088-000
Lock washer
|
08321-21088-000 |
— | ||
| replacement | |||||
|
18
|
18
08321-01087-000 WASHER,LOCKWasher, lock |
08321-01087-000 |
from US $0.76 |
||
|
19
|
19
08310-12088-000
Nut
|
08310-12088-000 |
— | ||
| replacement | |||||
|
19
|
19
08310-00087-000 NUT |
08310-00087-000 |
from US $0.76 |
||
|
20
|
20
11741-79010-000
BRACKET,RR MTG
FROM 11741-79000 |
11741-79010-000 |
— | ||
|
21
|
21
01107-08858-000
Bolt
|
01107-08858-000 |
— | ||
| replacement | |||||
|
21
|
21
01500-0885B-000 Bolt |
01500-0885B-000 |
from US $5.78 |
||
|
22
|
22
08321-21088-000
Lock washer
|
08321-21088-000 |
— | ||
| replacement | |||||
|
22
|
22
08321-01087-000 WASHER,LOCKWasher, lock |
08321-01087-000 |
from US $0.76 |
||
|
23
|
23
08310-12088-000
Nut
|
08310-12088-000 |
— | ||
| replacement | |||||
|
23
|
23
08310-00087-000 NUT |
08310-00087-000 |
from US $0.76 |
||
|
24
|
24
11742-79100-000
BRACKET,MOUNTING,FRAME
|
11742-79100-000 |
— | ||
|
25
|
25
01107-08208-000
Bolt
|
01107-08208-000 |
— | ||
| replacement | |||||
|
25
|
25
01500-08207-000 Bolt |
01500-08207-000 |
from US $0.76 |
||
|
26
|
26
08321-21088-000
Lock washer
|
08321-21088-000 |
— | ||
| replacement | |||||
|
26
|
26
08321-01087-000 WASHER,LOCKWasher, lock |
08321-01087-000 |
from US $0.76 |
||