rear seat (3DR; 1997-11-01~2000-03-01) Diagram Suzuki ESCUDO
- Year
- 1997 - 2011
- Sales region
- Japan
- Engine
- G16A
- transmission
- AT
- Number of doors
- 3DR
- grade
- NORMAL
- body
- W
- air bag
- NAB
- abs
- NABS
Difficulties in parts search?
Difficulties in parts search?
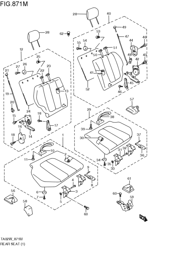
| Description | OEM Part # | Price | |||
|---|---|---|---|---|---|
|
1
|
1
87101-66DA0-K4R
クッションアッシ,リヤ,ライト
ブル-/グレ-; 3DR:NORMAL; 1997-11-01~1998-05-01 |
87101-66DA0-K4R |
— | ||
| replacements | |||||
|
1
|
1
87101-66DA1-K4R
Cushion assy,rr,r
ブル-/グレ-; 3DR:NORMAL; 1997-11-01~1998-05-01 |
87101-66DA1-K4R |
— | ||
|
1
|
1
87285-65D00-T01 COVER,RR CUSHION LEGブル-/グレ-; 3DR:NORMAL; 1997-11-01~1998-05-01 |
87285-65D00-T01 |
US $7.54 |
||
|
1
|
1
87101-66DA1-K4R
Cushion assy,rr,r
ブル-/グレ-; 3DR:NORMAL; 1998-05-01~2000-03-01 |
87101-66DA1-K4R |
— | ||
|
2
|
2
87107-66DA0-K4R
トリムサブアッシ,リヤクッション,ライト
ブル-/グレ-; 3DR:NORMAL; 1997-11-01~2000-03-01 |
87107-66DA0-K4R |
— | ||
|
3
|
3
87151-65DA0-000
Leg,rr cush
3DR; 1997-11-01~1998-05-01 |
87151-65DA0-000 |
— | ||
|
3
|
3
87151-65DA1-000 LEG,RR CUSH3DR; 1998-05-01~2000-03-01 |
87151-65DA1-000 |
US $18.77 |
||
|
4
|
4
87259-56B10-000 PIN,REAR SEAT HINGE3DR; 1997-11-01~2000-03-01 |
87259-56B10-000 |
US $1.76 |
||
|
5
|
5
09148-06005-000
Nut seat moldin
3DR; 1997-11-01~2000-03-01 |
09148-06005-000 |
— | ||
| replacement | |||||
|
5
|
5
09148-06008-000 NUTNut, adjuster knob 3DR; 1997-11-01~2000-03-01 |
09148-06008-000 |
from US $0.83 |
||
|
6
|
6
87159-65DA0-000 CUSHION,RR CUSH3DR; 1997-11-01~2000-03-01 |
87159-65DA0-000 |
US $3.90 |
||
|
7
|
7
03541-05163-000
Screw
3DR; 1997-11-01~2000-03-01 |
03541-05163-000 |
— | ||
| replacement | |||||
|
7
|
7
03541-0516A-000 SCREW3DR; 1997-11-01~2000-03-01 |
03541-0516A-000 |
from US $0.68 |
||
|
8
|
8
87420-65DA0-000 BAND,RR STOPPER3DR; 1997-11-01~2000-03-01 |
87420-65DA0-000 |
US $18.77 |
||
|
9
|
9
87423-65DA0-000 PIN,REAR STOPPER BAND3DR; 1997-11-01~2000-03-01 |
87423-65DA0-000 |
US $1.60 |
||
|
10
|
10
87460-65DA0-000 LOCK,RR CUSH3DR; 1997-11-01~2000-03-01 |
87460-65DA0-000 |
US $29.62 |
||
|
11
|
11
02142-06163-000
Screw
3DR; 1997-11-01~2000-03-01 |
02142-06163-000 |
— | ||
| replacement | |||||
|
11
|
11
02142-0616A-000 SCREW3DR; 1997-11-01~2000-03-01 |
02142-0616A-000 |
from US $0.76 |
||
|
12
|
12
87301-66DH0-K4R
Back assy,rr,r
ブル-/グレ-; 3DR:NORMAL; 1997-11-01~2000-03-01 |
87301-66DH0-K4R |
— | ||
|
13
|
13
87307-66DB0-K4R
トリムサブアッシ,リヤバック,ライト
ブル-/グレ-; 3DR:NORMAL; 1997-11-01~2000-03-01 |
87307-66DB0-K4R |
— | ||
|
14
|
14
87210-65DB0-000
リクライニングアッシ,リヤ,ライト
3DR; 1997-11-01~2000-03-01 |
87210-65DB0-000 |
— | ||
| replacement | |||||
|
14
|
14
87210-65DB1-000 RECLINING ASSY,RR,R3DR; 1997-11-01~2000-03-01 |
87210-65DB1-000 |
US $117.39 |
||
|
15
|
15
01550-10203-000
Bolt
3DR; 1997-11-01~2000-03-01 |
01550-10203-000 |
— | ||
| replacement | |||||
|
15
|
15
01550-1020A-000 BOLTBolt, bal sprocket 3DR; 1997-11-01~2000-03-01 |
01550-1020A-000 |
from US $0.96 |
||
|
16
|
16
87221-65DA0-T01
COVER,RR RECL,OUTSIDE,R
グレ-; 3DR; 1997-11-01~2000-03-01 |
87221-65DA0-T01 |
— | ||
|
17
|
17
87241-65DA0-T01 COVER,RR RECL,INSIDE,Rグレ-; 3DR; 1997-11-01~2000-03-01 |
87241-65DA0-T01 |
US $8.10 |
||
|
18
|
18
03242-05123-000
Screw, inner cover
3DR; 1997-11-01~2000-03-01 |
03242-05123-000 |
— | ||
| replacement | |||||
|
18
|
18
03241-0512A-000 SCREW3DR; 1997-11-01~2000-03-01 |
03241-0512A-000 |
from US $0.68 |
||
|
19
|
19
87215-65DA0-000 ROD,RR RCLNG3DR; 1997-11-01~2000-03-01 |
87215-65DA0-000 |
US $7.07 |
||
|
20
|
20
09403-04306-000 CLAMPConnector, choke rod 3DR; 1997-11-01~2000-03-01 |
09403-04306-000 |
US $20.20 |
||
|
21
|
21
87211-70E00-T01 KNOB,RR RECLグレ-; 3DR; 1997-11-01~2000-03-01 |
87211-70E00-T01 |
US $2.56 |
||
|
22
|
22
85341-72C10-T01 GUIDE,HEADRESTRAINTグレ-; 3DR; 1997-11-01~2000-03-01 |
85341-72C10-T01 |
US $6.04 |
||
|
23
|
23
85840-72C10-T01 GUIDE,HEADRESTRAINTグレ-; 3DR; 1997-11-01~2000-03-01 |
85840-72C10-T01 |
US $15.12 |
||
|
24
|
24
87390-66DA0-T19
Carpet comp,rr back,r
グレ-; 3DR; 1997-11-01~2000-03-01 |
87390-66DA0-T19 |
— | ||
|
25
|
25
09409-10302-T01 CLIP(GRAY)グレ-; 3DR; 1997-11-01~2000-03-01 |
09409-10302-T01 |
US $1.22 |
||
|
26
|
26
87429-65DA0-000
ガイド,ストッパバンド
3DR; 1997-11-01~2000-03-01 |
87429-65DA0-000 |
— | ||
| replacement | |||||
|
26
|
26
87429-65DA0-T01 GUIDE,STOPPER BAND3DR; 1997-11-01~2000-03-01 |
87429-65DA0-T01 |
US $2.13 |
||
|
27
|
27
03242-05123-000
Screw, inner cover
3DR; 1997-11-01~2000-03-01 |
03242-05123-000 |
— | ||
| replacement | |||||
|
27
|
27
03241-0512A-000 SCREW3DR; 1997-11-01~2000-03-01 |
03241-0512A-000 |
from US $0.68 |
||
|
28
|
28
86401-65DA0-V04
ヘッドレストレイントアッシ(ブルー)
ブル-; 3DR:NORMAL; 1997-11-01~2000-03-01 |
86401-65DA0-V04 |
— | ||
| replacement | |||||
|
28
|
28
86401-65DL0-V04
HEADRESTRAINT ASSY
ブル-; 3DR:NORMAL; 1997-11-01~2000-03-01 |
86401-65DL0-V04 |
— | ||
|
29
|
29
87102-66DA0-K4R
クッションアッシ,リヤ,レフト
ブル-/グレ-; 3DR:NORMAL; 1997-11-01~1998-05-01 |
87102-66DA0-K4R |
— | ||
| replacements | |||||
|
29
|
29
87102-66DA1-K4R
Cushion assy,rr,l
ブル-/グレ-; 3DR:NORMAL; 1997-11-01~1998-05-01 |
87102-66DA1-K4R |
— | ||
|
29
|
29
87285-65D00-T01 COVER,RR CUSHION LEGブル-/グレ-; 3DR:NORMAL; 1997-11-01~1998-05-01 |
87285-65D00-T01 |
US $7.54 |
||
|
29
|
29
87102-66DA1-K4R
Cushion assy,rr,l
ブル-/グレ-; 3DR:NORMAL; 1998-05-01~2000-03-01 |
87102-66DA1-K4R |
— | ||
|
30
|
30
87108-66DA0-K4R
トリムサブアッシ,リヤクッション,レフト
ブル-/グレ-; 3DR:NORMAL; 1997-11-01~2000-03-01 |
87108-66DA0-K4R |
— | ||
|
31
|
31
87151-65DA0-000
Leg,rr cush
3DR; 1997-11-01~1998-05-01 |
87151-65DA0-000 |
— | ||
|
31
|
31
87151-65DA1-000 LEG,RR CUSH3DR; 1998-05-01~2000-03-01 |
87151-65DA1-000 |
US $18.77 |
||
|
32
|
32
87259-56B10-000 PIN,REAR SEAT HINGE3DR; 1997-11-01~2000-03-01 |
87259-56B10-000 |
US $1.76 |
||
|
33
|
33
09148-06005-000
Nut seat moldin
3DR; 1997-11-01~2000-03-01 |
09148-06005-000 |
— | ||
| replacement | |||||
|
33
|
33
09148-06008-000 NUTNut, adjuster knob 3DR; 1997-11-01~2000-03-01 |
09148-06008-000 |
from US $0.83 |
||
|
34
|
34
87159-65DA0-000 CUSHION,RR CUSH3DR; 1997-11-01~2000-03-01 |
87159-65DA0-000 |
US $3.90 |
||
|
35
|
35
03541-05163-000
Screw
3DR; 1997-11-01~2000-03-01 |
03541-05163-000 |
— | ||
| replacement | |||||
|
35
|
35
03541-0516A-000 SCREW3DR; 1997-11-01~2000-03-01 |
03541-0516A-000 |
from US $0.68 |
||
|
36
|
36
87420-65DA0-000 BAND,RR STOPPER3DR; 1997-11-01~2000-03-01 |
87420-65DA0-000 |
US $18.77 |
||
|
37
|
37
87423-65DA0-000 PIN,REAR STOPPER BAND3DR; 1997-11-01~2000-03-01 |
87423-65DA0-000 |
US $1.60 |
||
|
38
|
38
87460-65DA0-000 LOCK,RR CUSH3DR; 1997-11-01~2000-03-01 |
87460-65DA0-000 |
US $29.62 |
||
|
39
|
39
02142-06163-000
Screw
3DR; 1997-11-01~2000-03-01 |
02142-06163-000 |
— | ||
| replacement | |||||
|
39
|
39
02142-0616A-000 SCREW3DR; 1997-11-01~2000-03-01 |
02142-0616A-000 |
from US $0.76 |
||
|
40
|
40
87302-66DH0-K4R
Back assy,rr,l
ブル-/グレ-; 3DR:NORMAL; 1997-11-01~2000-03-01 |
87302-66DH0-K4R |
— | ||
|
41
|
41
87308-66DB0-K4R
トリムサブアッシ,リヤバック,レフト
ブル-/グレ-; 3DR:NORMAL; 1997-11-01~2000-03-01 |
87308-66DB0-K4R |
— | ||
|
42
|
42
87710-65DB0-000
リクライニングアッシ,リヤ,レフト
3DR; 1997-11-01~2000-03-01 |
87710-65DB0-000 |
— | ||
| replacement | |||||
|
42
|
42
87710-65DB1-000 RECLINING ASSY,RR,L3DR; 1997-11-01~2000-03-01 |
87710-65DB1-000 |
US $117.39 |
||
|
43
|
43
01550-10203-000
Bolt
3DR; 1997-11-01~2000-03-01 |
01550-10203-000 |
— | ||
| replacement | |||||
|
43
|
43
01550-1020A-000 BOLTBolt, bal sprocket 3DR; 1997-11-01~2000-03-01 |
01550-1020A-000 |
from US $0.96 |
||
|
44
|
44
87721-65DA0-T01
COVER,RR RECL,OUTSIDE,L
グレ-; 3DR; 1997-11-01~2000-03-01 |
87721-65DA0-T01 |
— | ||
|
45
|
45
87741-65DA0-T01 COVER,RR RECL,INSIDE,Lグレ-; 3DR; 1997-11-01~2000-03-01 |
87741-65DA0-T01 |
US $8.10 |
||
|
46
|
46
03242-05123-000
Screw, inner cover
3DR; 1997-11-01~2000-03-01 |
03242-05123-000 |
— | ||
| replacement | |||||
|
46
|
46
03241-0512A-000 SCREW3DR; 1997-11-01~2000-03-01 |
03241-0512A-000 |
from US $0.68 |
||
|
47
|
47
87215-65DA0-000 ROD,RR RCLNG3DR; 1997-11-01~2000-03-01 |
87215-65DA0-000 |
US $7.07 |
||
|
48
|
48
09403-04306-000 CLAMPConnector, choke rod 3DR; 1997-11-01~2000-03-01 |
09403-04306-000 |
US $20.20 |
||
|
49
|
49
87211-70E00-T01 KNOB,RR RECLグレ-; 3DR; 1997-11-01~2000-03-01 |
87211-70E00-T01 |
US $2.56 |
||
|
50
|
50
85341-72C10-T01 GUIDE,HEADRESTRAINTグレ-; 3DR; 1997-11-01~2000-03-01 |
85341-72C10-T01 |
US $6.04 |
||
|
51
|
51
85840-72C10-T01 GUIDE,HEADRESTRAINTグレ-; 3DR; 1997-11-01~2000-03-01 |
85840-72C10-T01 |
US $15.12 |
||
|
52
|
52
87890-66DA0-T19
Carpet comp,rr back,l
グレ-; 3DR; 1997-11-01~2000-03-01 |
87890-66DA0-T19 |
— | ||
|
53
|
53
09409-10302-T01 CLIP(GRAY)グレ-; 3DR; 1997-11-01~2000-03-01 |
09409-10302-T01 |
US $1.22 |
||
|
54
|
54
87429-65DA0-000
ガイド,ストッパバンド
3DR; 1997-11-01~2000-03-01 |
87429-65DA0-000 |
— | ||
| replacement | |||||
|
54
|
54
87429-65DA0-T01 GUIDE,STOPPER BAND3DR; 1997-11-01~2000-03-01 |
87429-65DA0-T01 |
US $2.13 |
||
|
55
|
55
03242-05123-000
Screw, inner cover
3DR; 1997-11-01~2000-03-01 |
03242-05123-000 |
— | ||
| replacement | |||||
|
55
|
55
03241-0512A-000 SCREW3DR; 1997-11-01~2000-03-01 |
03241-0512A-000 |
from US $0.68 |
||
|
56
|
56
87222-65DA0-T01 COVER,RR RECL BRKT,Rグレ-; 3DR; 1997-11-01~2000-03-01 |
87222-65DA0-T01 |
US $7.54 |
||
|
57
|
57
87722-65DA0-T01 COVER,RR RECL BRKT,Lグレ-; 3DR; 1997-11-01~2000-03-01 |
87722-65DA0-T01 |
US $7.54 |
||
|
58
|
58
87285-65D00-T01 COVER,RR CUSHION LEGグレ-; 3DR; 1997-11-01~2000-03-01 |
87285-65D00-T01 |
US $7.54 |
||
|
59
|
59
87950-65DA0-000 HINGE,RR SEAT CTR3DR; 1997-11-01~2000-03-01 |
87950-65DA0-000 |
US $35.33 |
||
|
60
|
60
01550-10203-000
Bolt
3DR; 1997-11-01~2000-03-01 |
01550-10203-000 |
— | ||
| replacement | |||||
|
60
|
60
01550-1020A-000 BOLTBolt, bal sprocket 3DR; 1997-11-01~2000-03-01 |
01550-1020A-000 |
from US $0.96 |
||
|
61
|
61
87995-65D00-T01 COVER,RR CENTER HINGEグレ-; 3DR; 1997-11-01~2000-03-01 |
87995-65D00-T01 |
US $7.54 |
||
|
62
|
62
09409-10302-T01 CLIP(GRAY)グレ-; 3DR; 1997-11-01~2000-03-01 |
09409-10302-T01 |
US $1.22 |
||