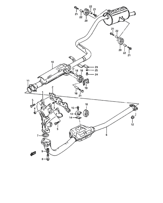
Exhaust system (EXHAUST SYSTEM) Diagram Suzuki FORSA
- Year
- -
- Sales region
- Canada
- grade
- GA
Difficulties in parts search?
Difficulties in parts search?
| Description | OEM Part # | Price | |||
|---|---|---|---|---|---|
|
1
|
1
14111-82010-000
Manifold, exhaust
|
14111-82010-000 |
— | ||
| replacement | |||||
|
1
|
1
14111-82X51-000
Manifold,exh
|
14111-82X51-000 |
— | ||
|
2
|
2
14140-82000-000
Gasket, exhaust manifold
|
14140-82000-000 |
— | ||
| replacement | |||||
|
2
|
2
14141-68E90-000
GASKET,EXH MANF
|
14141-68E90-000 |
— | ||
|
3
|
3
01411-08253-000
New Genuine Part
|
01411-08253-000 |
— | ||
| replacement | |||||
|
3
|
3
01411-0825A-000 BOLT,STUD |
01411-0825A-000 |
US $1.12 |
||
|
4
|
4
08310-11083-000
ナット
|
08310-11083-000 |
— | ||
| replacements | |||||
|
4
|
4
08310-0008A-000 NUTNut, bead stopper |
08310-0008A-000 |
from US $0.76 |
||
|
4
|
4
08310-0008B-000 NUT |
08310-0008B-000 |
from US $0.80 |
||
|
5
|
5
01107-08253-000 Bolt m8x1.25x25 |
01107-08253-000 |
US $1.26 |
||
| replacement | |||||
|
5
|
5
01500-0825A-000 Bolt |
01500-0825A-000 |
from US $0.91 |
||
|
6
|
6
14190-82100-000
Pipe,exhaust no.1
|
14190-82100-000 |
— | ||
|
7
|
7
14183-82000-000
リング,シール
|
14183-82000-000 |
— | ||
| replacement | |||||
|
7
|
7
14183-820V0-000 RING,SEAL EXH PIPE |
14183-820V0-000 |
US $35.20 |
||
|
8
|
8
09119-10025-000
Bolt
|
09119-10025-000 |
— | ||
| replacement | |||||
|
8
|
8
14493-76G01-000 BOLT,EXH PIPE |
14493-76G01-000 |
from US $3.04 |
||
|
9
|
9
14492-82001-000 SPRING,EXH PIPE |
14492-82001-000 |
US $16.80 |
||
|
10
|
10
14300-82100-000
Muffler
|
14300-82100-000 |
— | ||
| replacement | |||||
|
10
|
10
14300-82130-000
Muffler
|
14300-82130-000 |
— | ||
|
10
|
10
14300-82111-000
Muffler
|
14300-82111-000 |
— | ||
|
11
|
11
14182-82000-000
ガスケット
|
14182-82000-000 |
— | ||
| replacements | |||||
|
11
|
11
14182-60B00-000
GASKET,EXH PIPE
|
14182-60B00-000 |
— | ||
|
11
|
11
14182-60B01-000 Gasket,exh Pipe |
14182-60B01-000 |
from US $3.34 |
||
|
12
|
12
09159-10049-000
Nut
|
09159-10049-000 |
— | ||
| replacement | |||||
|
12
|
12
09159-10102-000 NUT |
09159-10102-000 |
from US $0.97 |
||
|
13
|
13
14284-82001-000
Bracket,exh pipe
|
14284-82001-000 |
— | ||
|
14
|
14
14283-82000-000
Insulator, exhaust bracket
|
14283-82000-000 |
— | ||
| replacement | |||||
|
14
|
14
14283-71C00-000 INSULATOR,EXH PIPE BRKT |
14283-71C00-000 |
US $4.71 |
||
|
15
|
15
01517-06163-000
Bolt
|
01517-06163-000 |
— | ||
| replacements | |||||
|
15
|
15
01550-0616B-000 BOLT |
01550-0616B-000 |
from US $0.76 |
||
|
15
|
15
01550-0616A-000 BOLT |
01550-0616A-000 |
from US $0.76 |
||
|
16
|
16
14281-78010-000
Mounting, muffler
|
14281-78010-000 |
— | ||
| replacement | |||||
|
16
|
16
14281-60G01-000 MOUNTING,MUF |
14281-60G01-000 |
US $9.28 |
||
|
17
|
17
01517-08353-000
Bolt
|
01517-08353-000 |
— | ||
| replacements | |||||
|
17
|
17
01550-0835B-000 BOLT |
01550-0835B-000 |
from US $1.12 |
||
|
17
|
17
01550-0835A-000 BOLT |
01550-0835A-000 |
from US $1.06 |
||
|
18
|
18
09180-08057-000
Spacer
|
09180-08057-000 |
— | ||
| replacement | |||||
|
18
|
18
09180-08227-000 SPACER(8.2X12.5X23.5) |
09180-08227-000 |
from US $1.92 |
||
|
19
|
19
14286-82000-000
Stopper, muffler mounting
|
14286-82000-000 |
— | ||
|
20
|
20
14281-79010-000
Mounting, muffler
|
14281-79010-000 |
— | ||
| replacement | |||||
|
20
|
20
14281-60G11-000 MOUNTING,MUFFLER(HS60) |
14281-60G11-000 |
US $5.78 |
||
|
21
|
21
09103-08146-000
Bolt
|
09103-08146-000 |
— | ||
| replacements | |||||
|
21
|
21
01550-0835A-000 BOLT |
01550-0835A-000 |
from US $1.06 |
||
|
21
|
21
01550-0835B-000 BOLT |
01550-0835B-000 |
from US $1.12 |
||
|
22
|
22
09180-08057-000
Spacer
|
09180-08057-000 |
— | ||
| replacement | |||||
|
22
|
22
09180-08227-000 SPACER(8.2X12.5X23.5) |
09180-08227-000 |
from US $1.92 |
||
|
23
|
23
14285-82000-000
Protector, muffler
|
14285-82000-000 |
— | ||
|
24
|
24
09128-06045-000 BOLT(6X12) |
09128-06045-000 |
US $1.07 |
||
|
25
|
25
09160-06080-000
Washer
|
09160-06080-000 |
— | ||