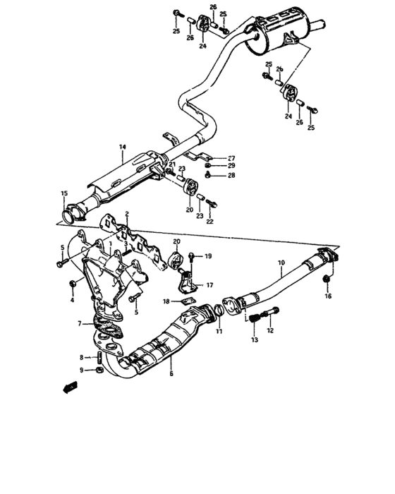
Exhaust system (MT) Diagram Suzuki FORSA
- Year
- -
- Sales region
- Africa
- transmission
- MT
- grade
- GL
Difficulties in parts search?
Difficulties in parts search?
| Description | OEM Part # | Price | |||
|---|---|---|---|---|---|
|
1
|
1
14111-82621-000
Manifold, exhaust
<-14111-82620 |
14111-82621-000 |
— | ||
| replacement | |||||
|
1
|
1
14111-82X50-000
MANIFOLD,EXH
<-14111-82620 |
14111-82X50-000 |
— | ||
|
2
|
2
14141-82600-000
Gasket, exhaust manifold
|
14141-82600-000 |
— | ||
| replacement | |||||
|
2
|
2
14141-51G00-000 GASKET,EXH MANF NO,1 |
14141-51G00-000 |
US $28.34 |
||
|
3
|
3
01411-08253-000
New Genuine Part
|
01411-08253-000 |
— | ||
| replacement | |||||
|
3
|
3
01411-0825A-000 BOLT,STUD |
01411-0825A-000 |
US $1.12 |
||
|
4
|
4
08310-11083-000
ナット
|
08310-11083-000 |
— | ||
| replacements | |||||
|
4
|
4
08310-0008A-000 NUTNut, bead stopper |
08310-0008A-000 |
from US $0.76 |
||
|
4
|
4
08310-0008B-000 NUT |
08310-0008B-000 |
from US $0.80 |
||
|
5
|
5
01107-08253-000 Bolt m8x1.25x25 |
01107-08253-000 |
US $1.26 |
||
| replacement | |||||
|
5
|
5
01500-0825A-000 Bolt |
01500-0825A-000 |
from US $0.91 |
||
|
6
|
6
14190-82611-000 PIPE,EXH NO.1<-14190-82610 |
14190-82611-000 |
US $207.92 |
||
|
7
|
7
14182-82611-000
Gasket, exhaust pipe
<-14182-82610 |
14182-82611-000 |
— | ||
| replacement | |||||
|
7
|
7
14182-64B03-000 GASKET,EXH PIPE<-14182-82610 |
14182-64B03-000 |
US $11.89 |
||
|
8
|
8
01411-10256-000
Stud bolt
|
01411-10256-000 |
— | ||
| replacement | |||||
|
8
|
8
01411-1025A-000 BOLT,STUD |
01411-1025A-000 |
US $1.60 |
||
|
9
|
9
09159-10017-000
ナット
|
09159-10017-000 |
— | ||
| replacement | |||||
|
9
|
9
09159-10016-000 NUTNut, clamp bracket |
09159-10016-000 |
US $2.24 |
||
|
10
|
10
14250-82610-000
Pipe,exhaust no.2
|
14250-82610-000 |
— | ||
|
11
|
11
14183-82601-000
リング,シール
|
14183-82601-000 |
— | ||
| replacement | |||||
|
11
|
11
14183-76A00-000 RING,SEAL EXH PIPE |
14183-76A00-000 |
from US $11.57 |
||
|
12
|
12
09119-10042-000
ボルト,10X65
|
09119-10042-000 |
— | ||
| replacement | |||||
|
12
|
12
09119-10041-000 BOLT(10X65) |
09119-10041-000 |
from US $5.92 |
||
|
13
|
13
14492-82600-000
Spring
|
14492-82600-000 |
— | ||
| replacement | |||||
|
13
|
13
14492-67D00-000 SPRING,EXH PIPE |
14492-67D00-000 |
from US $5.69 |
||
|
14
|
14
14300-82710-000
Muffler
<-14300-82611 |
14300-82710-000 |
— | ||
|
14
|
14
14300-82730-000
Muffler
<-14300-82630 |
14300-82730-000 |
— | ||
|
14
|
14
14300-82731-000
Muffler
AB51S-106801~,JSA0AA51F00100270~,<-14300-82631 |
14300-82731-000 |
— | ||
|
15
|
15
14182-82000-000
ガスケット
|
14182-82000-000 |
— | ||
| replacements | |||||
|
15
|
15
14182-60B00-000
GASKET,EXH PIPE
|
14182-60B00-000 |
— | ||
|
15
|
15
14182-60B01-000 Gasket,exh Pipe |
14182-60B01-000 |
from US $3.34 |
||
|
16
|
16
09159-10049-000
Nut
|
09159-10049-000 |
— | ||
| replacement | |||||
|
16
|
16
09159-10102-000 NUT |
09159-10102-000 |
from US $0.97 |
||
|
17
|
17
14284-82610-000
Bracket, exhaust pipe
|
14284-82610-000 |
— | ||
|
18
|
18
14283-82000-000
Insulator, exhaust bracket
|
14283-82000-000 |
— | ||
| replacement | |||||
|
18
|
18
14283-71C00-000 INSULATOR,EXH PIPE BRKT |
14283-71C00-000 |
US $4.71 |
||
|
19
|
19
01517-06163-000
Bolt
|
01517-06163-000 |
— | ||
| replacements | |||||
|
19
|
19
01550-0616B-000 BOLT |
01550-0616B-000 |
from US $0.76 |
||
|
19
|
19
01550-0616A-000 BOLT |
01550-0616A-000 |
from US $0.76 |
||
|
20
|
20
14281-78010-000
Mounting, muffler
|
14281-78010-000 |
— | ||
| replacement | |||||
|
20
|
20
14281-60G01-000 MOUNTING,MUF |
14281-60G01-000 |
US $9.28 |
||
|
21
|
21
01517-08353-000
Bolt
|
01517-08353-000 |
— | ||
| replacements | |||||
|
21
|
21
01550-0835B-000 BOLT |
01550-0835B-000 |
from US $1.12 |
||
|
21
|
21
01550-0835A-000 BOLT |
01550-0835A-000 |
from US $1.06 |
||
|
22
|
22
09103-08146-000
Bolt
|
09103-08146-000 |
— | ||
| replacements | |||||
|
22
|
22
01550-0835A-000 BOLT |
01550-0835A-000 |
from US $1.06 |
||
|
22
|
22
01550-0835B-000 BOLT |
01550-0835B-000 |
from US $1.12 |
||
|
23
|
23
09180-08057-000
Spacer
|
09180-08057-000 |
— | ||
| replacement | |||||
|
23
|
23
09180-08227-000 SPACER(8.2X12.5X23.5) |
09180-08227-000 |
from US $1.92 |
||
|
24
|
24
14281-79010-000
Mounting, muffler
|
14281-79010-000 |
— | ||
| replacement | |||||
|
24
|
24
14281-60G11-000 MOUNTING,MUFFLER(HS60) |
14281-60G11-000 |
US $5.78 |
||
|
25
|
25
09103-08146-000
Bolt
|
09103-08146-000 |
— | ||
| replacements | |||||
|
25
|
25
01550-0835A-000 BOLT |
01550-0835A-000 |
from US $1.06 |
||
|
25
|
25
01550-0835B-000 BOLT |
01550-0835B-000 |
from US $1.12 |
||
|
26
|
26
09180-08057-000
Spacer
|
09180-08057-000 |
— | ||
| replacement | |||||
|
26
|
26
09180-08227-000 SPACER(8.2X12.5X23.5) |
09180-08227-000 |
from US $1.92 |
||
|
27
|
27
14285-82000-000
Protector, muffler
|
14285-82000-000 |
— | ||
|
28
|
28
09128-06045-000 BOLT(6X12) |
09128-06045-000 |
US $1.07 |
||
|
29
|
29
09160-06080-000
Washer
|
09160-06080-000 |
— | ||