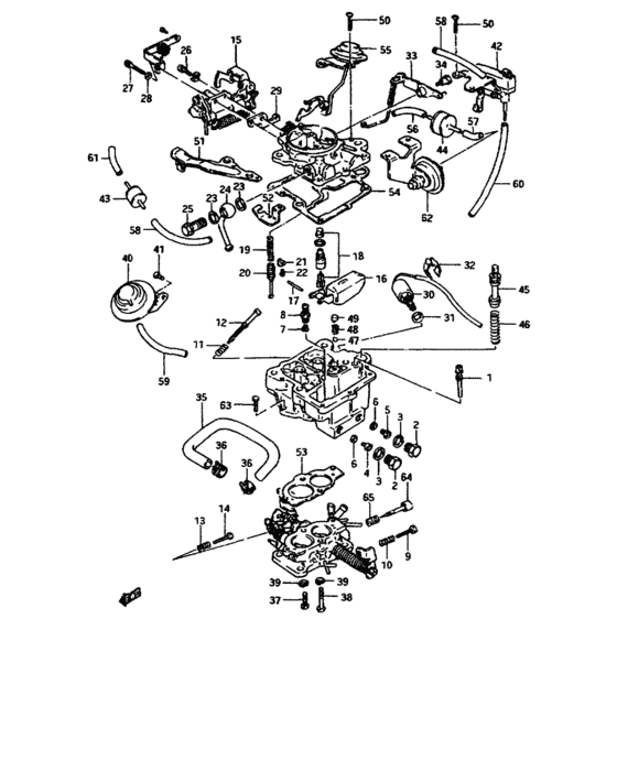
Carburetor (GL, GC) Diagram Suzuki FORSA
- Year
- -
- Sales region
- Africa
- transmission
- MT
- grade
- GS
Difficulties in parts search?
Difficulties in parts search?
| Description | OEM Part # | Price | |||
|---|---|---|---|---|---|
|
|
13200-82610-000
Carburetor assy
MT:Sweden, Switzerland |
13200-82610-000 |
— | ||
|
|
13200-82640-000
Carburetor assy
MT |
13200-82640-000 |
— | ||
|
|
13200-82650-000
Carburetor assy
MT:Saudi Arabia |
13200-82650-000 |
— | ||
|
1
|
1
09492-60008-000
JET,SLOW
|
09492-60008-000 |
— | ||
|
1
|
1
09492-50015-000
Jet assy, slow
Sweden, Switzerland |
09492-50015-000 |
— | ||
|
2
|
2
13256-82100-000
Bouchon
|
13256-82100-000 |
— | ||
| replacement | |||||
|
2
|
2
13374-821T0-000 PLUG SET |
13374-821T0-000 |
US $14.65 |
||
|
3
|
3
13257-82100-000
Joint
|
13257-82100-000 |
— | ||
|
4
|
4
13258-82650-000
Jet, first main
MT |
13258-82650-000 |
— | ||
| replacement | |||||
|
4
|
4
09491-97005-000
Jet,1st main
MT |
09491-97005-000 |
— | ||
|
4
|
4
13258-82610-000
Jet, first main
MT:17, Switzerland |
13258-82610-000 |
— | ||
|
5
|
5
09491-27012-000
JET,MAIN(138.0)
MT |
09491-27012-000 |
— | ||
|
5
|
5
09491-28014-000
Jet, second main
MT:Sweden, Switzerland |
09491-28014-000 |
— | ||
|
6
|
6
13259-82100-000
Joint gicleur
|
13259-82100-000 |
— | ||
|
7
|
7
09491-53001-000
Jet, power
|
09491-53001-000 |
— | ||
|
7
|
7
09491-46003-000
Jet, power
Sweden, Switzerland |
09491-46003-000 |
— | ||
|
8
|
8
13263-82640-000
Valve assy, power
|
13263-82640-000 |
— | ||
|
9
|
9
13272-82100-000
Screw, adjust
|
13272-82100-000 |
— | ||
| replacement | |||||
|
9
|
9
13601-821T0-000
New Genuine Part
|
13601-821T0-000 |
— | ||
|
10
|
10
13284-82100-000
Spring
|
13284-82100-000 |
— | ||
|
11
|
11
13282-82100-000
Ressort vis
|
13282-82100-000 |
— | ||
|
12
|
12
13296-82100-000
Vis ajuste
|
13296-82100-000 |
— | ||
| replacement | |||||
|
12
|
12
13275-821T0-000
Screw set,throttle adjust
|
13275-821T0-000 |
— | ||
|
13
|
13
13298-82300-000
Spring
|
13298-82300-000 |
— | ||
| replacement | |||||
|
13
|
13
13246-82060-000
Spring, adjust screw
|
13246-82060-000 |
— | ||
|
14
|
14
13291-82100-000
SCREW,IDLE ADJUST
|
13291-82100-000 |
— | ||
|
15
|
15
13212-82640-000
Adapter
MT |
13212-82640-000 |
— | ||
|
16
|
16
13213-82100-000
Flotteur
|
13213-82100-000 |
— | ||
| replacement | |||||
|
16
|
16
13250-821T0-000
FLOAT SET
|
13250-821T0-000 |
— | ||
|
17
|
17
13221-82100-000
Clavette flotteur
|
13221-82100-000 |
— | ||
|
18
|
18
13214-82100-000 VALVE ASSY,NEEDLE |
13214-82100-000 |
US $29.62 |
||
|
19
|
19
13219-82040-000
SPRING,POWER PISTON
|
13219-82040-000 |
— | ||
|
20
|
20
13215-82100-000
Power piston
|
13215-82100-000 |
— | ||
|
21
|
21
13216-82100-000
Choc piston
|
13216-82100-000 |
— | ||
|
22
|
22
13223-82100-000
Screw
|
13223-82100-000 |
— | ||
| replacements | |||||
|
22
|
22
02112-3406A-000 SCREW |
02112-3406A-000 |
from US $0.76 |
||
|
22
|
22
02112-34063-000
Screw
|
02112-34063-000 |
— | ||
|
23
|
23
13218-82100-000
Joint
|
13218-82100-000 |
— | ||
|
24
|
24
13236-82100-000
Nipple, union
|
13236-82100-000 |
— | ||
|
25
|
25
13237-82100-000
Vis
|
13237-82100-000 |
— | ||
|
26
|
26
13225-82100-000
SCREW
|
13225-82100-000 |
— | ||
|
27
|
27
13226-82100-000 Vis |
13226-82100-000 |
US $1.86 |
||
| replacements | |||||
|
27
|
27
02112-3520B-000 SCREW |
02112-3520B-000 |
from US $2.21 |
||
|
27
|
27
02112-35203-000
Screw
|
02112-35203-000 |
— | ||
|
28
|
28
13238-82100-000
WASHER
|
13238-82100-000 |
— | ||
|
29
|
29
13241-82100-000
INSULATOR
|
13241-82100-000 |
— | ||
|
30
|
30
13260-82100-000
Valve assy
|
13260-82100-000 |
— | ||
|
31
|
31
13269-82100-000
Gasket
|
13269-82100-000 |
— | ||
|
32
|
32
13254-82100-000
Collier
|
13254-82100-000 |
— | ||
| replacement | |||||
|
32
|
32
13254-83090-000 CLAMP |
13254-83090-000 |
US $4.82 |
||
|
33
|
33
13310-82640-000
Bras pompe
|
13310-82640-000 |
— | ||
| replacement | |||||
|
33
|
33
13345-820T0-000
LEVER SET
|
13345-820T0-000 |
— | ||
|
34
|
34
13244-82100-000
Vis bras
|
13244-82100-000 |
— | ||
|
35
|
35
13341-82100-000
Hose
|
13341-82100-000 |
— | ||
| replacement | |||||
|
35
|
35
13341-83010-000
HOSE
|
13341-83010-000 |
— | ||
|
36
|
36
13324-82100-000
Collier
|
13324-82100-000 |
— | ||
| replacements | |||||
|
36
|
36
09401-13419-000 CLIP |
09401-13419-000 |
from US $1.60 |
||
|
36
|
36
09401-13407-000
クリップ
|
09401-13407-000 |
— | ||
|
37
|
37
13371-82100-000
Vis
|
13371-82100-000 |
— | ||
| replacement | |||||
|
37
|
37
13390-821T0-000
SCREW SET
|
13390-821T0-000 |
— | ||
|
38
|
38
13372-82100-000
Vis
|
13372-82100-000 |
— | ||
|
39
|
39
13381-82100-000
Rondelle
|
13381-82100-000 |
— | ||
|
40
|
40
13330-82640-000
Diaphragm assy
|
13330-82640-000 |
— | ||
|
41
|
41
13373-82100-000
Vis
|
13373-82100-000 |
— | ||
| replacements | |||||
|
41
|
41
02112-3612B-000 SCREW |
02112-3612B-000 |
US $13.60 |
||
|
41
|
41
02112-3612A-000 SCREW |
02112-3612A-000 |
from US $0.80 |
||
|
41
|
41
02112-36123-000
Screw
|
02112-36123-000 |
— | ||
|
42
|
42
13320-82640-000
Valve assy
|
13320-82640-000 |
— | ||
|
43
|
43
13318-82100-000
Jet assy
MT |
13318-82100-000 |
— | ||
|
44
|
44
13319-82640-000
Valve assy
|
13319-82640-000 |
— | ||
|
45
|
45
13321-82640-000
Plunger assy, pump
|
13321-82640-000 |
— | ||
|
46
|
46
13323-82100-000
Ressort pompe
|
13323-82100-000 |
— | ||
|
47
|
47
13322-82100-000
Boule
|
13322-82100-000 |
— | ||
|
48
|
48
13331-82640-000
Spring
|
13331-82640-000 |
— | ||
|
49
|
49
13327-82100-000
Frein
|
13327-82100-000 |
— | ||
|
50
|
50
13374-82100-000 Vis |
13374-82100-000 |
US $1.44 |
||
| replacements | |||||
|
50
|
50
02112-3525B-000 SCREW |
02112-3525B-000 |
from US $2.21 |
||
|
50
|
50
02112-35253-000
Screw
|
02112-35253-000 |
— | ||
|
51
|
51
13325-82100-000
Bracket
|
13325-82100-000 |
— | ||
|
52
|
52
13326-82100-000
Stopper
|
13326-82100-000 |
— | ||
|
53
|
53
13329-82100-000
Joint
|
13329-82100-000 |
— | ||
| replacement | |||||
|
53
|
53
13329-82101-000
Gasket
|
13329-82101-000 |
— | ||
|
54
|
54
13243-82100-000
Joint
|
13243-82100-000 |
— | ||
| replacement | |||||
|
54
|
54
13380-820T0-000
GASKET SET,CARB
|
13380-820T0-000 |
— | ||
|
55
|
55
13280-82100-000
Idle up assy
|
13280-82100-000 |
— | ||
| replacement | |||||
|
55
|
55
13280-82060-000
Diaphragm assy
|
13280-82060-000 |
— | ||
|
56
|
56
13342-82230-000
Hose
|
13342-82230-000 |
— | ||
|
57
|
57
13341-82340-000
Hose
|
13341-82340-000 |
— | ||
| replacements | |||||
|
57
|
57
09355-35754-601
HOSE(3.5X7.5X601)
|
09355-35754-601 |
— | ||
|
57
|
57
09358-35754-300
ホース,3.5X7.5X300
|
09358-35754-300 |
— | ||
|
57
|
57
09355-35006-601 Hose(3.5X7.5X601) |
09355-35006-601 |
from US $5.78 |
||
|
58
|
58
13344-82170-000
Hose
|
13344-82170-000 |
— | ||
| replacements | |||||
|
58
|
58
09355-35754-601
HOSE(3.5X7.5X601)
|
09355-35754-601 |
— | ||
|
58
|
58
09358-35754-300
ホース,3.5X7.5X300
|
09358-35754-300 |
— | ||
|
58
|
58
09355-35006-601 Hose(3.5X7.5X601) |
09355-35006-601 |
from US $5.78 |
||
|
59
|
59
13345-82100-000
Tuyau
|
13345-82100-000 |
— | ||
| replacements | |||||
|
59
|
59
09355-35754-601
HOSE(3.5X7.5X601)
|
09355-35754-601 |
— | ||
|
59
|
59
09343-03089-000
ホース,#3/3.5X7.5X80
|
09343-03089-000 |
— | ||
|
59
|
59
09355-35006-601 Hose(3.5X7.5X601) |
09355-35006-601 |
from US $5.78 |
||
|
60
|
60
13342-82170-000
Hose
|
13342-82170-000 |
— | ||
| replacements | |||||
|
60
|
60
09355-35754-601
HOSE(3.5X7.5X601)
|
09355-35754-601 |
— | ||
|
60
|
60
09358-35754-300
ホース,3.5X7.5X300
|
09358-35754-300 |
— | ||
|
60
|
60
09355-35006-601 Hose(3.5X7.5X601) |
09355-35006-601 |
from US $5.78 |
||
|
61
|
61
13347-82100-000
Hose
|
13347-82100-000 |
— | ||
| replacements | |||||
|
61
|
61
09355-35754-601
HOSE(3.5X7.5X601)
|
09355-35754-601 |
— | ||
|
61
|
61
09358-35754-300
ホース,3.5X7.5X300
|
09358-35754-300 |
— | ||
|
61
|
61
09355-35006-601 Hose(3.5X7.5X601) |
09355-35006-601 |
from US $5.78 |
||
|
62
|
62
13350-82100-000
POSITIONER ASSY
|
13350-82100-000 |
— | ||
|
63
|
63
13375-82100-000
Vis
|
13375-82100-000 |
— | ||
|
64
|
64
13297-82100-000
Vis
|
13297-82100-000 |
— | ||
| replacement | |||||
|
64
|
64
13270-821T0-000
SCREW SET,IDLE ADJUST
|
13270-821T0-000 |
— | ||
|
65
|
65
13282-82100-000
Ressort vis
|
13282-82100-000 |
— | ||