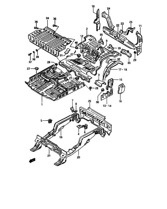
Lower and rear end panel (3RD) Diagram Suzuki FORSA
- Year
- -
- Sales region
- Africa
- transmission
- MT
- grade
- GS
Difficulties in parts search?
Difficulties in parts search?
| Description | OEM Part # | Price | |||
|---|---|---|---|---|---|
|
1
|
1
61110-82004-000
Pan, main floor
MT, <-61110-82003 |
61110-82004-000 |
— | ||
| replacement | |||||
|
1
|
1
61110-86040-000
Pan, main floor
MT, <-61110-82003 |
61110-86040-000 |
— | ||
|
2
|
2
61511-82014-000
Pan, rear floor
|
61511-82014-000 |
— | ||
|
2
|
2
61511-82024-000
Pan, rear floor
, Finland, Norway, Sweden, Switzerland, Belgium,,2, 5, 6, Austria, Channel Islands, Israel |
61511-82024-000 |
— | ||
|
3
|
3
61512-82000-000
Cover, fuel inlet
|
61512-82000-000 |
— | ||
|
4
|
4
61513-82000-000
Reinf, rear seat belt center
|
61513-82000-000 |
— | ||
|
5
|
5
61514-82000-000
Bracket, fuel tank rh
|
61514-82000-000 |
— | ||
|
6
|
6
61515-82000-000
Bracket, fuel tank rear
|
61515-82000-000 |
— | ||
|
7
|
7
61518-82000-000
Bracket, muffler inside
|
61518-82000-000 |
— | ||
|
8
|
8
61519-82000-000
Brace, muffler bracket
|
61519-82000-000 |
— | ||
|
9
|
9
61521-82001-000
Bracket, jack
|
61521-82001-000 |
— | ||
|
10
|
10
61531-82001-000
PILLAR,REAR END INNER LOWER,R
|
61531-82001-000 |
— | ||
|
11
|
11
61581-82001-000
Pillar, end inner lower lh
|
61581-82001-000 |
— | ||
|
12
|
12
61540-82002-000
Clossmember, rear floor center
|
61540-82002-000 |
— | ||
|
13
|
13
61560-82000-000
Compartment, rr fl front rh
|
61560-82000-000 |
— | ||
|
14
|
14
61570-82000-000
Compartment, rr fl front lh
|
61570-82000-000 |
— | ||
|
15
|
15
61573-82000-000
Cover, fuel inlet inner
|
61573-82000-000 |
— | ||
|
16
|
16
61574-82000-000
Cover, fuel inlet outer
|
61574-82000-000 |
— | ||
|
17
|
17
61611-82001-000
Panel, wheel house inner rh
|
61611-82001-000 |
— | ||
|
18
|
18
61661-82001-000
Panel, wheel house inner lh
|
61661-82001-000 |
— | ||
|
19
|
19
62100-82601-000
Member, rear floor side rh
|
62100-82601-000 |
— | ||
|
19
|
19
62100-82611-000
Member, rear floor side rh
, Finland, Norway, Sweden, Switzerland, Belgium,,2, 5, 6, 7, Austria, Saudi Arabia,,Channel Islands, Israel, Iceland |
62100-82611-000 |
— | ||
|
20
|
20
62300-82601-000
Member, rear floor side lh
|
62300-82601-000 |
— | ||
|
20
|
20
62300-82611-000
Member, rear floor side lh
, Finland, Norway, Sweden, Switzerland, Belgium,,2, 5, 6, 7, Austria, Saudi Arabia,,Channel Islands, Israel, Iceland |
62300-82611-000 |
— | ||
|
21
|
21
62610-82002-000
Crdssmember, rear floor front
<-62610-82001 |
62610-82002-000 |
— | ||
|
22
|
22
62641-82002-000
Crossmember, rear floor end
<-62641-82001 |
62641-82002-000 |
— | ||
| replacement | |||||
|
22
|
22
62641-82022-000
CROSSMEMBER,RR FL END
<-62641-82001 |
62641-82022-000 |
— | ||
|
22
|
22
62641-82022-000
CROSSMEMBER,RR FL END
, Finland, Norway, Sweden, Switzerland, Belgium,,2, 5, 6, 7, Austria, Saudi Arabia,,Channel Islands, Israel, Iceland |
62641-82022-000 |
— | ||
|
23
|
23
62650-82001-000
Reinf, back door striker
<-62650-82000 |
62650-82001-000 |
— | ||
|
24
|
24
62661-82001-000
HOUSING,RR COMB LAMP INR,R
<-62661-82000 |
62661-82001-000 |
— | ||
|
25
|
25
62671-82001-000
HOUSING,RR COMB LAMP INR,L
<-62671-82000 |
62671-82001-000 |
— | ||
|
26
|
26
65510-82010-000
Panel,rear skirt
<-65510-82000 |
65510-82010-000 |
— | ||
|
26
|
26
65510-82020-000
Panel, rear skirt
, Finland, Norway, Sweden, Switzerland, Belgium,,2, 5, 6, Austria, Channel Islands, Israel |
65510-82020-000 |
— | ||
|
27
|
27
09250-30010-000
Grommet
|
09250-30010-000 |
— | ||
| replacement | |||||
|
27
|
27
72999-67H00-000 CAP,OD:40 |
72999-67H00-000 |
from US $4.32 |
||
|
28
|
28
83919-82000-000 PLUG,DOOR INNER REARCap, floor drain |
83919-82000-000 |
US $1.60 |
||
|
29
|
29
09250-12001-000 CAP(OD:20) |
09250-12001-000 |
US $16.20 |
||
|
30
|
30
09250-30011-000 CAP(OD:38.5) |
09250-30011-000 |
US $1.60 |
||
| replacement | |||||
|
30
|
30
72999-67H00-000 CAP,OD:40 |
72999-67H00-000 |
from US $4.32 |
||
|
31
|
31
61523-82001-000
Reinf, seat belt inside rh
, Finland, Norway, Sweden, Switzerland, Belgium,,2, 5, 6, Austria, Channel Islands, Israel |
61523-82001-000 |
— | ||
|
32
|
32
61524-82000-000
Reinf, rear seat belt,lh
, Finland, Norway, Sweden, Switzerland, Belgium,,2, 5, 6, Austria, Channel Islands, Israel |
61524-82000-000 |
— | ||
|
33
|
33
61550-82000-000
Hook, towing rear
, Finland, Norway, Sweden, Switzerland, Belgium,,2, 5, 6, Austria, Channel Islands, Israel |
61550-82000-000 |
— | ||
|
34
|
34
61410-82002-000
Panel, rear floor front
VAN,<-61410-82001 |
61410-82002-000 |
— | ||
|
35
|
35
62642-82000-000
Stay, spare tire cover
VAN |
62642-82000-000 |
— | ||
|
36
|
36
02142-06127-000 SCREWVAN |
02142-06127-000 |
from US $0.76 |
||
|
37
|
37
03112-05129-000
Screw
VAN |
03112-05129-000 |
— | ||
| replacement | |||||
|
37
|
37
03111-0512A-000 SCREWVAN |
03111-0512A-000 |
from US $0.80 |
||
|
38
|
38
08321-21057-000 Washer lockLock washer VAN |
08321-21057-000 |
US $2.59 |
||
| replacement | |||||
|
38
|
38
08321-0105A-000 WASHER,LOCKVAN |
08321-0105A-000 |
from US $0.76 |
||
|
39
|
39
08322-21057-000
Washer
VAN |
08322-21057-000 |
— | ||
| replacement | |||||
|
39
|
39
08322-01057-000 WASHERWasher, front hook holder VAN |
08322-01057-000 |
from US $0.80 |
||
|
40
|
40
09148-06007-000 NUTVAN |
09148-06007-000 |
US $0.91 |
||