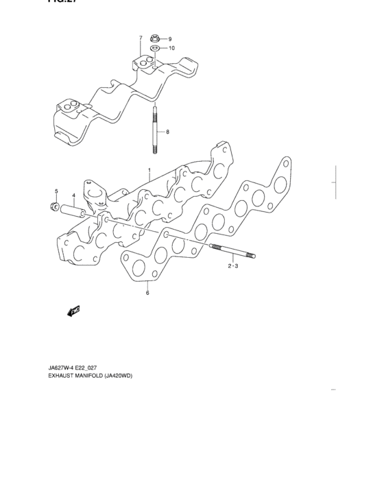
Exhaust manifold (JA420WD) Diagram Suzuki GRAND VITARA
- Year
- -
- Sales region
- Africa
- drive
- 4WD
- transmission
- MT
- grade
- LIMITED
Difficulties in parts search?
Parts list
Difficulties in parts search?
| Description | OEM Part # | Price | |||
|---|---|---|---|---|---|
|
1
|
1
14111-67G10-000
MANIFOLD,EXH
|
14111-67G10-000 |
— | ||
|
2
|
2
14116-67G00-000
Stud bolt
|
14116-67G00-000 |
— | ||
|
3
|
3
14117-67G00-000
STUD BOLT,8X75
|
14117-67G00-000 |
— | ||
|
4
|
4
14118-67G01-000
Spacer
|
14118-67G01-000 |
— | ||
|
5
|
5
14119-66G00-000
NUT,M8
|
14119-66G00-000 |
— | ||
|
6
|
6
14141-67G10-000
GASKET,EXH MANF
|
14141-67G10-000 |
— | ||
|
7
|
7
18555-67G01-000
SHIELD,HEAT
JSAHTX83V00300001~,JS3TX83V 64300001~ |
18555-67G01-000 |
— | ||
|
8
|
8
14116-67G00-000
Stud bolt
JSAHTX83V00300001~,JS3TX83V 64300001~ |
14116-67G00-000 |
— | ||
|
9
|
9
14119-66G00-000
NUT,M8
JSAHTX83V00300001~,JS3TX83V 64300001~ |
14119-66G00-000 |
— | ||
|
10
|
10
18556-67G00-000
Washer
JSAHTX83V00300001~,JS3TX83V 64300001~ |
18556-67G00-000 |
— |