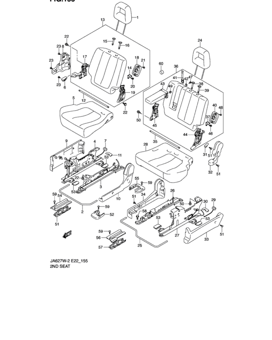
2nd seat (2ND SEAT) Diagram Suzuki GRAND VITARA
- Year
- -
- Sales region
- Africa
- transmission
- AT
- grade
- LIMITED
Difficulties in parts search?
Difficulties in parts search?
| Description | OEM Part # | Price | |||
|---|---|---|---|---|---|
|
1
|
1
86401-81A60-R0T
Headrestraint assy
|
86401-81A60-R0T |
— | ||
| replacement | |||||
|
1
|
1
86401-81A61-R0T
Headrestraint assy
|
86401-81A61-R0T |
— | ||
|
2
|
2
86781-52DA0-000
HANDLE,RR ADJUSTER,R
|
86781-52DA0-000 |
— | ||
|
3
|
3
86810-52DA1-000
ADJUSTER ASSY,RR INSIDE,R
|
86810-52DA1-000 |
— | ||
|
4
|
4
86830-52DA1-T01
ADJUSTER ASSY,RR OUTSIDE,R
|
86830-52DA1-T01 |
— | ||
|
4
|
4
86830-52DG0-T01
ADJUSTER ASSY,RR OUTSIDE,R
SEE NOTE 2 |
86830-52DG0-T01 |
— | ||
|
5
|
5
87101-52DA0-GR9
Cushion assy, 2nd rh
2-ROW |
87101-52DA0-GR9 |
— | ||
|
5
|
5
87101-52DG0-GR9
Cushion assy, 2nd rh
2-ROW,SEE NOTE 2 |
87101-52DG0-GR9 |
— | ||
|
5
|
5
87101-52DA0-GL4
Cushion assy, 2nd rh
3-ROW |
87101-52DA0-GL4 |
— | ||
|
5
|
5
87101-52DG0-GL4
Cushion assy, 2nd rh
3-ROW,SEE NOTE 2 |
87101-52DG0-GL4 |
— | ||
|
6
|
6
87213-52DA1-T01
KNOB,RECL STOPPER,R
|
87213-52DA1-T01 |
— | ||
|
7
|
7
87214-52DA0-T01
Handle,rr adjuster w/in(gray)
|
87214-52DA0-T01 |
— | ||
|
8
|
8
87221-52DA0-T01
Cover,recl outside,r
|
87221-52DA0-T01 |
— | ||
|
9
|
9
87223-52DA0-T01
COVER,ADJ OUTSIDE,LOWER,R
|
87223-52DA0-T01 |
— | ||
|
10
|
10
87241-52DA0-T01
Cover,recl inside,r
|
87241-52DA0-T01 |
— | ||
|
11
|
11
87496-52DA0-T01
COVER,RR ADJ OUTSIDE RR
|
87496-52DA0-T01 |
— | ||
|
12
|
12
87250-52DA0-000
ROD,RR RCLNG,R
|
87250-52DA0-000 |
— | ||
|
13
|
13
87301-52DB0-GR9
Back assy, 2nd rh
2-ROW |
87301-52DB0-GR9 |
— | ||
|
13
|
13
87301-52DG0-GR9
BACK ASSY,RR,R
2-ROW,SEE NOTE 2 |
87301-52DG0-GR9 |
— | ||
|
13
|
13
87301-52DB0-GL4
BACK ASSY,RR,R
3-ROW:,,Chile,General,1,2,Brazil,,Saudi Arabia,Israel |
87301-52DB0-GL4 |
— | ||
|
13
|
13
87301-52DA0-GL4
Back assy, 2nd rh
3-ROW:Australia |
87301-52DA0-GL4 |
— | ||
|
13
|
13
87301-52DG0-GL4
Back assy, 2nd rh
3-ROW,SEE NOTE 2 |
87301-52DG0-GL4 |
— | ||
|
14
|
14
75480-65D30-000 HOOK,TETHER ANCHORAGE |
75480-65D30-000 |
US $12.84 |
||
|
15
|
15
85341-81A00-T01 GUIDE,HEADRESTRAINT |
85341-81A00-T01 |
US $6.04 |
||
|
16
|
16
85840-81A00-T01
Guide, headrestraint (gray)
|
85840-81A00-T01 |
— | ||
| replacement | |||||
|
16
|
16
85840-81A10-T01 GUIDE,HEADRESTRAINT |
85840-81A10-T01 |
US $13.73 |
||
|
17
|
17
87210-52DA0-T01
RECLINING ASSY,RR OUT,R
|
87210-52DA0-T01 |
— | ||
|
18
|
18
87225-52DA0-T01
COVER,TETHER ANCHOR
|
87225-52DA0-T01 |
— | ||
|
19
|
19
87230-52DA0-T01
RECLINING ASSY,RR INS,R
|
87230-52DA0-T01 |
— | ||
|
20
|
20
09103-08242-000 BOLT(8X20) |
09103-08242-000 |
US $17.70 |
||
|
21
|
21
03242-05103-000
Screw
|
03242-05103-000 |
— | ||
| replacements | |||||
|
21
|
21
03242-0510B-000 SCREW |
03242-0510B-000 |
US $0.76 |
||
|
21
|
21
03241-0510A-000 SCREW |
03241-0510A-000 |
from US $0.80 |
||
|
22
|
22
01550-10203-000
Bolt
|
01550-10203-000 |
— | ||
| replacement | |||||
|
22
|
22
01550-1020A-000 BOLTBolt, bal sprocket |
01550-1020A-000 |
from US $0.96 |
||
|
23
|
23
03242-05103-000
Screw
|
03242-05103-000 |
— | ||
| replacements | |||||
|
23
|
23
03242-0510B-000 SCREW |
03242-0510B-000 |
US $0.76 |
||
|
23
|
23
03241-0510A-000 SCREW |
03241-0510A-000 |
from US $0.80 |
||
|
24
|
24
86401-81A60-R0T
Headrestraint assy
|
86401-81A60-R0T |
— | ||
| replacement | |||||
|
24
|
24
86401-81A61-R0T
Headrestraint assy
|
86401-81A61-R0T |
— | ||
|
25
|
25
86791-52DA0-000
HANDLE,RR ADJUSTER,L
|
86791-52DA0-000 |
— | ||
|
26
|
26
86860-52DA1-000
ADJUSTER ASSY,RR INSIDE,L
|
86860-52DA1-000 |
— | ||
|
27
|
27
86880-52DA1-T01
ADJUSTER ASSY,RR OUTSIDE,L
|
86880-52DA1-T01 |
— | ||
|
28
|
28
87102-52DA1-GR9
Cushion assy, 2nd lh
2-ROW |
87102-52DA1-GR9 |
— | ||
|
28
|
28
87102-52DG0-GR9
Cushion assy, 2nd lh
2-ROW,SEE NOTE 2 |
87102-52DG0-GR9 |
— | ||
|
28
|
28
87102-52DA1-GL4
CUSHION ASSY,RR,L
3-ROW |
87102-52DA1-GL4 |
— | ||
|
28
|
28
87102-52DG0-GL4
Cushion assy, 2nd lh
3-ROW:,,Chile,General,1,2,Brazil,,Saudi Arabia,Israel,SEE NOTE 2 |
87102-52DG0-GL4 |
— | ||
|
29
|
29
87214-52DA0-T01
Handle,rr adjuster w/in(gray)
|
87214-52DA0-T01 |
— | ||
|
30
|
30
87496-52DA0-T01
COVER,RR ADJ OUTSIDE RR
|
87496-52DA0-T01 |
— | ||
|
31
|
31
87713-52DA1-T01 KNOB,RECL STOPPER,L |
87713-52DA1-T01 |
US $4.31 |
||
|
32
|
32
87721-52DA0-T01
COVER,RECL OUTSIDE,L
|
87721-52DA0-T01 |
— | ||
|
33
|
33
87723-52DA0-T01
COVER,ADJ OUTSIDE,LOWER,L
|
87723-52DA0-T01 |
— | ||
|
34
|
34
87741-52DA0-T01
COVER,RECL INSIDE,L
|
87741-52DA0-T01 |
— | ||
|
35
|
35
87750-52DA0-000
ROD,RR RCLNG,L
|
87750-52DA0-000 |
— | ||
|
36
|
36
87302-52DB0-GR9
Back assy, 2nd lh
2-ROW:,2,Israel |
87302-52DB0-GR9 |
— | ||
|
36
|
36
87302-52DE0-GR9
Back assy, 2nd lh
2-ROW:Saudi Arabia |
87302-52DE0-GR9 |
— | ||
|
36
|
36
87302-52DG0-GR9
Back assy, 2nd lh
2-ROW,SEE NOTE 2 |
87302-52DG0-GR9 |
— | ||
|
36
|
36
87302-52DB0-GL4
BACK ASSY,RR,L
3-ROW:,,Chile,General,1,2,Brazil,,Israel |
87302-52DB0-GL4 |
— | ||
|
36
|
36
87302-52DE0-GL4
Back assy, 2nd lh
3-ROW:Saudi Arabia |
87302-52DE0-GL4 |
— | ||
|
36
|
36
87302-52DG0-GL4
Back assy, 2nd lh
3-ROW:,,Chile,General,1,2,Brazil,,Saudi Arabia,Israel,SEE NOTE 2 |
87302-52DG0-GL4 |
— | ||
|
36
|
36
87302-52DD0-GL4
Back assy, 2nd lh
3-ROW:Australia |
87302-52DD0-GL4 |
— | ||
|
37
|
37
75480-65D30-000 HOOK,TETHER ANCHORAGEAustralia |
75480-65D30-000 |
US $12.84 |
||
|
38
|
38
85341-81A00-T01 GUIDE,HEADRESTRAINT |
85341-81A00-T01 |
US $6.04 |
||
|
39
|
39
85840-81A00-T01
Guide, headrestraint (gray)
|
85840-81A00-T01 |
— | ||
| replacement | |||||
|
39
|
39
85840-81A10-T01 GUIDE,HEADRESTRAINT |
85840-81A10-T01 |
US $13.73 |
||
|
40
|
40
87225-52DA0-T01
COVER,TETHER ANCHOR
Australia |
87225-52DA0-T01 |
— | ||
|
41
|
41
87420-52DB0-T01
BAND,ARMREST STOPPER
|
87420-52DB0-T01 |
— | ||
|
42
|
42
87429-65DA0-T01 GUIDE,STOPPER BAND |
87429-65DA0-T01 |
US $2.13 |
||
|
43
|
43
87501-52DA0-R0T
ARMREST ASSY,RR
,,Chile,General,1,2,4,Brazil,Israel |
87501-52DA0-R0T |
— | ||
|
43
|
43
87501-52DG0-R0T
ARMREST ASSY,RR
Saudi Arabia |
87501-52DG0-R0T |
— | ||
|
44
|
44
87710-52DA0-T01
RECLINING ASSY,RR OUT,L
|
87710-52DA0-T01 |
— | ||
|
45
|
45
87730-52DA0-T01
RECLINING ASSY,RR INS,L
|
87730-52DA0-T01 |
— | ||
|
46
|
46
09103-08242-000 BOLT(8X20),,Chile,General,1,2,Brazil,Saudi Arabia,,Israel |
09103-08242-000 |
US $17.70 |
||
|
47
|
47
03242-05103-000
Screw
|
03242-05103-000 |
— | ||
| replacements | |||||
|
47
|
47
03242-0510B-000 SCREW |
03242-0510B-000 |
US $0.76 |
||
|
47
|
47
03241-0510A-000 SCREW |
03241-0510A-000 |
from US $0.80 |
||
|
48
|
48
03242-05103-000
Screw
Australia |
03242-05103-000 |
— | ||
| replacements | |||||
|
48
|
48
03242-0510B-000 SCREWAustralia |
03242-0510B-000 |
US $0.76 |
||
|
48
|
48
03241-0510A-000 SCREWAustralia |
03241-0510A-000 |
from US $0.80 |
||
|
49
|
49
08313-20083-000
Nut
|
08313-20083-000 |
— | ||
| replacements | |||||
|
49
|
49
08313-2008B-000 NUT |
08313-2008B-000 |
from US $3.94 |
||
|
49
|
49
08313-2008A-000 NUT |
08313-2008A-000 |
from US $0.91 |
||
|
50
|
50
01550-10203-000
Bolt
|
01550-10203-000 |
— | ||
| replacement | |||||
|
50
|
50
01550-1020A-000 BOLTBolt, bal sprocket |
01550-1020A-000 |
from US $0.96 |
||
|
51
|
51
03242-05103-000
Screw
|
03242-05103-000 |
— | ||
| replacements | |||||
|
51
|
51
03242-0510B-000 SCREW |
03242-0510B-000 |
US $0.76 |
||
|
51
|
51
03241-0510A-000 SCREW |
03241-0510A-000 |
from US $0.80 |
||
|
52
|
52
87491-52DA0-T01
カバー,リヤアジャスタインサイド,フロント(グレー)
|
87491-52DA0-T01 |
— | ||
| replacement | |||||
|
52
|
52
87491-52DA1-T01
COVER,RR ADJ INSIDE,FR
|
87491-52DA1-T01 |
— | ||
|
53
|
53
87492-52DA0-T01 COVER,RR ADJ OUTSIDE |
87492-52DA0-T01 |
US $6.70 |
||
|
54
|
54
87493-52DA1-T01 COVER,RR ADJ EXTENSION,R |
87493-52DA1-T01 |
US $24.66 |
||
|
55
|
55
87495-52DA0-T01
COVER,RR ADJ INSIDE,RR
|
87495-52DA0-T01 |
— | ||
|
56
|
56
87993-52DA1-T01 COVER,RR ADJ EXTENSION,L |
87993-52DA1-T01 |
US $24.66 |
||
|
57
|
57
87494-52DA0-000 BRACKET,RR ADJ EXTENSION |
87494-52DA0-000 |
US $15.31 |
||
|
58
|
58
01551-10253-000
Bolt
|
01551-10253-000 |
— | ||
| replacement | |||||
|
58
|
58
01551-1025A-000 Bolt |
01551-1025A-000 |
US $1.12 |
||
|
59
|
59
03242-05103-000
Screw
|
03242-05103-000 |
— | ||
| replacements | |||||
|
59
|
59
03242-0510B-000 SCREW |
03242-0510B-000 |
US $0.76 |
||
|
59
|
59
03241-0510A-000 SCREW |
03241-0510A-000 |
from US $0.80 |
||
|
60
|
60
38315-60B10-000
Cap
|
38315-60B10-000 |
— | ||
| replacement | |||||
|
60
|
60
38315-60B11-000 CAP,WIPER PIVOT |
38315-60B11-000 |
US $1.60 |
||