Air con harness (AIR CON HARNESS) Diagram Suzuki GRAND VITARA
- Year
- -
- Sales region
- Africa
- transmission
- AT
- grade
- LIMITED
Difficulties in parts search?
Parts list
Difficulties in parts search?
| Description | OEM Part # | Price | |||
|---|---|---|---|---|---|
|
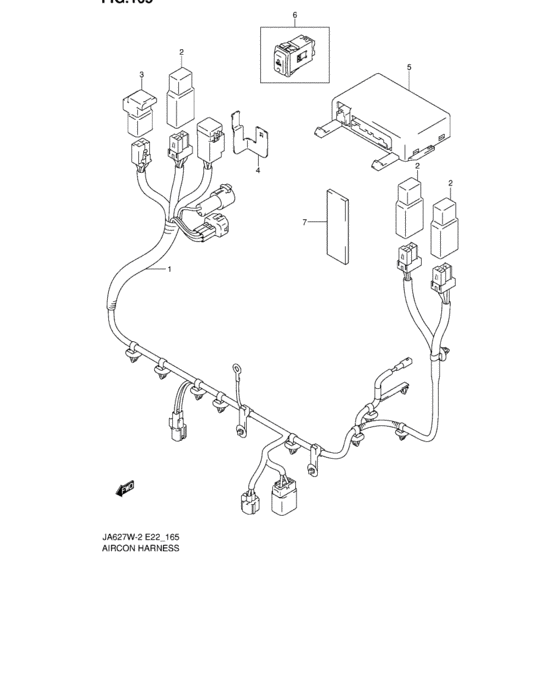
1
|
1
95531-66D10-000
Harness,eng room
LHD |
95531-66D10-000 |
— | ||
|
1
|
1
95531-66D00-000
HARNESS,ENG ROOM
RHD |
95531-66D00-000 |
— | ||
|
2
|
2
38860-70E20-000 RELAY ASSY,HORNW/SINGLE AIR CON |
38860-70E20-000 |
US $29.60 |
||
|
3
|
3
95576-73A00-000 RELAY ASSY,CLG FAN |
95576-73A00-000 |
US $29.62 |
||
|
4
|
4
95582-65D00-000
BRACKET,FUSE BOX
|
95582-65D00-000 |
— | ||
|
5
|
5
95510-64G00-000
CONTROLLER,A/C
|
95510-64G00-000 |
— | ||
|
6
|
6
95521-76A10-000 SWITCH,REAR A/CW/DUAL AIR CON |
95521-76A10-000 |
US $46 |
||
|
7
|
7
36930-82010-000 COVER,HARNESSCover, roof wire |
36930-82010-000 |
from US $1.73 |