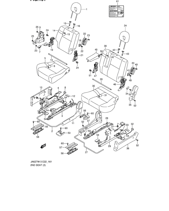
2nd seat (LIMITED) Diagram Suzuki GRAND VITARA
- Year
- -
- Sales region
- Africa
- transmission
- AT
- grade
- LIMITED
Difficulties in parts search?
Difficulties in parts search?
| Description | OEM Part # | Price | |||
|---|---|---|---|---|---|
|
1
|
1
86401-50JB0-S1E
Headrestraint assy
|
86401-50JB0-S1E |
— | ||
| replacement | |||||
|
1
|
1
86401-50JB2-S1E
HEADRESTRAINT ASSY
|
86401-50JB2-S1E |
— | ||
|
1
|
1
86401-50JB0-S1K
Headrestraint assy
|
86401-50JB0-S1K |
— | ||
| replacement | |||||
|
1
|
1
86401-50JB2-S1K
Headrestraint assy
|
86401-50JB2-S1K |
— | ||
|
2
|
2
86781-52DA0-000
HANDLE,RR ADJUSTER,R
|
86781-52DA0-000 |
— | ||
|
3
|
3
86810-52DA1-000
ADJUSTER ASSY,RR INSIDE,R
|
86810-52DA1-000 |
— | ||
|
4
|
4
86830-52DG0-R8J
ADJUSTER ASSY,OUTSIDE,R
|
86830-52DG0-R8J |
— | ||
|
4
|
4
86830-52DG0-R8H
ADJUSTER ASSY,OUTSIDE,R
|
86830-52DG0-R8H |
— | ||
|
5
|
5
87105-54JA0-000
Cushion s/assy
|
87105-54JA0-000 |
— | ||
|
6
|
6
87180-54JA0-KS1
TRIM,RR CUSHION,R
N/3RD SEAT |
87180-54JA0-KS1 |
— | ||
|
6
|
6
87180-54JA0-KR9
Trim,cushion(gray)
W/3RD SEAT |
87180-54JA0-KR9 |
— | ||
|
6
|
6
87180-54JA0-KS3
Trim,cushion(beige)
W/3RD SEAT |
87180-54JA0-KS3 |
— | ||
|
7
|
7
87213-52DA1-R8J
KNOB,RCLNG STOPPER,R
|
87213-52DA1-R8J |
— | ||
|
7
|
7
87213-52DA1-R8H
KNOB,RCLNG STOPPER,R
|
87213-52DA1-R8H |
— | ||
|
8
|
8
87214-52DA0-R8J
HANDLE,RR ADJUSTER RR
|
87214-52DA0-R8J |
— | ||
|
8
|
8
87214-52DA0-R8H
HANDLE,RR ADJUSTER RR
|
87214-52DA0-R8H |
— | ||
|
9
|
9
87221-52DA0-R8J
COVER,RCLNG OUTSIDE,R
|
87221-52DA0-R8J |
— | ||
|
9
|
9
87221-52DA0-R8H
COVER,RCLNG OUTSIDE,R
|
87221-52DA0-R8H |
— | ||
|
10
|
10
87223-52DA0-R8J
COVER,ADJ LOWER,R
|
87223-52DA0-R8J |
— | ||
|
10
|
10
87223-52DA0-R8H
COVER,ADJ LOWER,R
|
87223-52DA0-R8H |
— | ||
|
11
|
11
87241-52DA0-R8J
COVER,RCLNG INSIDE,R
|
87241-52DA0-R8J |
— | ||
|
11
|
11
87241-52DA0-R8H
COVER,RCLNG INSIDE,R
|
87241-52DA0-R8H |
— | ||
|
12
|
12
87496-52DA0-R8J
COVER,RR ADJ OUTSIDE RR
|
87496-52DA0-R8J |
— | ||
|
12
|
12
87496-52DA0-R8H
COVER,RR ADJ OUTSIDE RR
|
87496-52DA0-R8H |
— | ||
|
13
|
13
87250-52DA0-000
ROD,RR RCLNG,R
|
87250-52DA0-000 |
— | ||
|
14
|
14
87305-54JA0-000
Back s/assy
|
87305-54JA0-000 |
— | ||
|
15
|
15
87380-54JA0-KS1
TRIM,RR BACK,R
N/3RD SEAT |
87380-54JA0-KS1 |
— | ||
|
15
|
15
87380-54JA0-KR9
Trim,back(gray)
W/3RD SEAT |
87380-54JA0-KR9 |
— | ||
|
15
|
15
87380-54JA0-KS3
TRIM,RR BACK,R(BEIGE)
W/3RD SEAT |
87380-54JA0-KS3 |
— | ||
|
16
|
16
75480-65D30-000 HOOK,TETHER ANCHORAGE |
75480-65D30-000 |
US $12.84 |
||
|
17
|
17
85341-81A00-R8J GUIDE,HEADRESTRAINT |
85341-81A00-R8J |
US $6.04 |
||
|
17
|
17
85341-81A00-R8H GUIDE,HEADRESTRAINT |
85341-81A00-R8H |
US $6.04 |
||
|
18
|
18
85840-81A00-R8J
Guide, headrestraint
|
85840-81A00-R8J |
— | ||
| replacement | |||||
|
18
|
18
85840-81A10-R8J GUIDE,HEADRESTRAINT |
85840-81A10-R8J |
US $13.73 |
||
|
18
|
18
85840-81A00-R8H
Guide, headrestraint
|
85840-81A00-R8H |
— | ||
| replacement | |||||
|
18
|
18
85840-81A10-R8H GUIDE,HEADRESTRAINT |
85840-81A10-R8H |
US $11.63 |
||
|
19
|
19
87210-52DA0-R8J
RECLINING ASSY,RR OUT,R
|
87210-52DA0-R8J |
— | ||
|
19
|
19
87210-52DA0-R8H
RECLINING ASSY,OUT
|
87210-52DA0-R8H |
— | ||
|
20
|
20
87225-52DA0-R8J
COVER,TETHER ANCHOR
|
87225-52DA0-R8J |
— | ||
|
20
|
20
87225-52DA0-R8H
COVER,TETHER ANCHOR
|
87225-52DA0-R8H |
— | ||
|
21
|
21
87230-52DA0-R8J
Reclining, inside rh
|
87230-52DA0-R8J |
— | ||
| replacement | |||||
|
21
|
21
87230-52DA0-T01
RECLINING ASSY,RR INS,R
|
87230-52DA0-T01 |
— | ||
|
21
|
21
87230-52DA0-R8H
Reclining, inside rh
|
87230-52DA0-R8H |
— | ||
| replacement | |||||
|
21
|
21
87230-52DA0-T01
RECLINING ASSY,RR INS,R
|
87230-52DA0-T01 |
— | ||
|
22
|
22
09103-08242-000 BOLT(8X20) |
09103-08242-000 |
US $17.70 |
||
|
23
|
23
03242-05103-000
Screw
|
03242-05103-000 |
— | ||
| replacements | |||||
|
23
|
23
03242-0510B-000 SCREW |
03242-0510B-000 |
US $0.76 |
||
|
23
|
23
03241-0510A-000 SCREW |
03241-0510A-000 |
from US $0.80 |
||
|
24
|
24
01550-10203-000
Bolt
|
01550-10203-000 |
— | ||
| replacement | |||||
|
24
|
24
01550-1020A-000 BOLTBolt, bal sprocket |
01550-1020A-000 |
from US $0.96 |
||
|
25
|
25
03242-05103-000
Screw
|
03242-05103-000 |
— | ||
| replacements | |||||
|
25
|
25
03242-0510B-000 SCREW |
03242-0510B-000 |
US $0.76 |
||
|
25
|
25
03241-0510A-000 SCREW |
03241-0510A-000 |
from US $0.80 |
||
|
26
|
26
86401-50JA0-S1E
Headrestraint assy
|
86401-50JA0-S1E |
— | ||
| replacement | |||||
|
26
|
26
86401-50JA1-S1E
Headrestraint assy
|
86401-50JA1-S1E |
— | ||
|
26
|
26
86401-55G70-S1K
HEADRESTRAINT ASSY
|
86401-55G70-S1K |
— | ||
|
27
|
27
86791-52DA0-000
HANDLE,RR ADJUSTER,L
|
86791-52DA0-000 |
— | ||
|
28
|
28
86860-52DA1-000
ADJUSTER ASSY,RR INSIDE,L
|
86860-52DA1-000 |
— | ||
|
29
|
29
86880-52DA1-R8J
Adjuster assy,outside,l(gray)
|
86880-52DA1-R8J |
— | ||
|
29
|
29
86880-52DA1-R8H
ADJUSTER ASSY,OUTSIDE,L
|
86880-52DA1-R8H |
— | ||
|
30
|
30
87106-54JA0-000
Cushion s/assy
|
87106-54JA0-000 |
— | ||
|
31
|
31
87680-54JA0-KS1
TRIM,RR CUSHION,L
N/3RD SEAT |
87680-54JA0-KS1 |
— | ||
|
31
|
31
87680-54JA0-KR9
TRIM,RR CUSHION,L(GRAY)
W/3RD SEAT,,,Chile,2,Taiwan,Saudi Arabia,China |
87680-54JA0-KR9 |
— | ||
|
31
|
31
87680-54JA0-KS3
Trim,cushion(beige)
W/3RD SEAT,Taiwan |
87680-54JA0-KS3 |
— | ||
|
31
|
31
87680-54JC0-KR9
Trim comp,rr cush,l
W/3RD SEAT,Australia,India |
87680-54JC0-KR9 |
— | ||
|
32
|
32
87214-52DA0-R8J
HANDLE,RR ADJUSTER RR
|
87214-52DA0-R8J |
— | ||
|
32
|
32
87214-52DA0-R8H
HANDLE,RR ADJUSTER RR
|
87214-52DA0-R8H |
— | ||
|
33
|
33
87496-52DA0-R8J
COVER,RR ADJ OUTSIDE RR
|
87496-52DA0-R8J |
— | ||
|
33
|
33
87496-52DA0-R8H
COVER,RR ADJ OUTSIDE RR
|
87496-52DA0-R8H |
— | ||
|
34
|
34
87713-52DA1-R8J KNOB,RCLNG STOPPER,L |
87713-52DA1-R8J |
US $4.23 |
||
|
34
|
34
87713-52DA1-R8H KNOB,RCLNG STOPPER,L |
87713-52DA1-R8H |
US $4.27 |
||
|
35
|
35
87721-52DA0-R8J
Cover,rclng outside,l(gray)
|
87721-52DA0-R8J |
— | ||
|
35
|
35
87721-52DA0-R8H
Cover,rclng outside,l(beige)
|
87721-52DA0-R8H |
— | ||
|
36
|
36
87723-52DA0-R8J
COVER,OUTSIDE LOWER,L
|
87723-52DA0-R8J |
— | ||
|
36
|
36
87723-52DA0-R8H
COVER,OUTSIDE LOWER,L
|
87723-52DA0-R8H |
— | ||
|
37
|
37
87741-52DA0-R8J
COVER,RCLNG INSIDE,L
|
87741-52DA0-R8J |
— | ||
|
37
|
37
87741-52DA0-R8H
COVER,INSIDE,L
|
87741-52DA0-R8H |
— | ||
|
38
|
38
87750-52DA0-000
ROD,RR RCLNG,L
|
87750-52DA0-000 |
— | ||
|
39
|
39
87306-54JA0-000
Back s/assy
|
87306-54JA0-000 |
— | ||
|
40
|
40
87880-54JA0-KS1
TRIM,RR BACK,L
N/3RD SEAT |
87880-54JA0-KS1 |
— | ||
|
40
|
40
87880-54JA0-KR9
TRIM,RR BACK,L(GRAY)
W/3RD SEAT,,,Chile,2,Taiwan,Saudi Arabia,China |
87880-54JA0-KR9 |
— | ||
|
40
|
40
87880-54JA0-KS3
TRIM,RR BACK,L(BEIGE)
W/3RD SEAT,Taiwan |
87880-54JA0-KS3 |
— | ||
|
40
|
40
87880-54JD0-KR9
Trim comp,rr back,l
W/3RD SEAT,Australia,India |
87880-54JD0-KR9 |
— | ||
|
41
|
41
75480-65D30-000 HOOK,TETHER ANCHORAGE |
75480-65D30-000 |
US $12.84 |
||
|
42
|
42
85341-81A00-R8J GUIDE,HEADRESTRAINT |
85341-81A00-R8J |
US $6.04 |
||
|
42
|
42
85341-81A00-R8H GUIDE,HEADRESTRAINT |
85341-81A00-R8H |
US $6.04 |
||
|
43
|
43
85840-81A00-R8J
Guide, headrestraint
|
85840-81A00-R8J |
— | ||
| replacement | |||||
|
43
|
43
85840-81A10-R8J GUIDE,HEADRESTRAINT |
85840-81A10-R8J |
US $13.73 |
||
|
43
|
43
85840-81A00-R8H
Guide, headrestraint
|
85840-81A00-R8H |
— | ||
| replacement | |||||
|
43
|
43
85840-81A10-R8H GUIDE,HEADRESTRAINT |
85840-81A10-R8H |
US $11.63 |
||
|
44
|
44
87225-52DA0-R8J
COVER,TETHER ANCHOR
|
87225-52DA0-R8J |
— | ||
|
44
|
44
87225-52DA0-R8H
COVER,TETHER ANCHOR
|
87225-52DA0-R8H |
— | ||
|
45
|
45
87501-52DG0-S1B
ARMREST ASSY,RR
|
87501-52DG0-S1B |
— | ||
|
45
|
45
87501-52DG0-S1G
ARMREST ASSY,RR
|
87501-52DG0-S1G |
— | ||
|
46
|
46
87710-52DA0-R8J
RECLINING ASSY,OUT,L
|
87710-52DA0-R8J |
— | ||
|
46
|
46
87710-52DA0-R8H
RECLINING ASSY,OUT,L
|
87710-52DA0-R8H |
— | ||
|
47
|
47
87730-52DA0-R8J
Reclining, 2nd inside lh
|
87730-52DA0-R8J |
— | ||
| replacement | |||||
|
47
|
47
87730-52DA0-T01
RECLINING ASSY,RR INS,L
|
87730-52DA0-T01 |
— | ||
|
47
|
47
87730-52DA0-R8H
Reclining, 2nd inside lh
|
87730-52DA0-R8H |
— | ||
| replacement | |||||
|
47
|
47
87730-52DA0-T01
RECLINING ASSY,RR INS,L
|
87730-52DA0-T01 |
— | ||
|
48
|
48
09103-08242-000 BOLT(8X20) |
09103-08242-000 |
US $17.70 |
||
|
49
|
49
03242-05103-000
Screw
|
03242-05103-000 |
— | ||
| replacements | |||||
|
49
|
49
03242-0510B-000 SCREW |
03242-0510B-000 |
US $0.76 |
||
|
49
|
49
03241-0510A-000 SCREW |
03241-0510A-000 |
from US $0.80 |
||
|
50
|
50
08313-20083-000
Nut
|
08313-20083-000 |
— | ||
| replacements | |||||
|
50
|
50
08313-2008B-000 NUT |
08313-2008B-000 |
from US $3.94 |
||
|
50
|
50
08313-2008A-000 NUT |
08313-2008A-000 |
from US $0.91 |
||
|
51
|
51
01550-10203-000
Bolt
|
01550-10203-000 |
— | ||
| replacement | |||||
|
51
|
51
01550-1020A-000 BOLTBolt, bal sprocket |
01550-1020A-000 |
from US $0.96 |
||
|
52
|
52
03242-05103-000
Screw
|
03242-05103-000 |
— | ||
| replacements | |||||
|
52
|
52
03242-0510B-000 SCREW |
03242-0510B-000 |
US $0.76 |
||
|
52
|
52
03241-0510A-000 SCREW |
03241-0510A-000 |
from US $0.80 |
||
|
53
|
53
87491-52DA0-R8J
Cover, 2nd adjuster inside fr
|
87491-52DA0-R8J |
— | ||
| replacement | |||||
|
53
|
53
87491-52DA1-R8J COVER,RR ADJ INSIDE,FR |
87491-52DA1-R8J |
US $8.80 |
||
|
53
|
53
87491-52DA0-R8H
Cover, 2nd adjuster inside fr
|
87491-52DA0-R8H |
— | ||
| replacement | |||||
|
53
|
53
87491-52DA1-R8H COVER,RR ADJ INSIDE,FR |
87491-52DA1-R8H |
US $7.99 |
||
|
54
|
54
87492-52DA0-R8J COVER,RR ADJ OUTSIDE |
87492-52DA0-R8J |
US $7.25 |
||
|
54
|
54
87492-52DA0-R8H COVER,RR ADJ OUTSIDE |
87492-52DA0-R8H |
US $6.59 |
||
|
55
|
55
87493-52DA1-R8J COVER,RR ADJ EXTENSION,R |
87493-52DA1-R8J |
US $26.86 |
||
|
55
|
55
87493-52DA1-R8H COVER,ADJ EXTENSION,R |
87493-52DA1-R8H |
US $24.29 |
||
|
56
|
56
87495-52DA0-R8J
COVER,RR ADJ INSIDE RR
|
87495-52DA0-R8J |
— | ||
|
56
|
56
87495-52DA0-R8H
COVER,RR ADJ INSIDE RR
|
87495-52DA0-R8H |
— | ||
|
57
|
57
87993-52DA1-R8J COVER,ADJ EXTENSION,L |
87993-52DA1-R8J |
US $26.86 |
||
|
57
|
57
87993-52DA1-R8H
COVER,ADJ EXTENSION,L
|
87993-52DA1-R8H |
— | ||
|
58
|
58
87494-52DA0-000 BRACKET,RR ADJ EXTENSION |
87494-52DA0-000 |
US $15.31 |
||
|
59
|
59
01551-10253-000
Bolt
|
01551-10253-000 |
— | ||
| replacement | |||||
|
59
|
59
01551-1025A-000 Bolt |
01551-1025A-000 |
US $1.12 |
||
|
60
|
60
03242-05103-000
Screw
|
03242-05103-000 |
— | ||
| replacements | |||||
|
60
|
60
03242-0510B-000 SCREW |
03242-0510B-000 |
US $0.76 |
||
|
60
|
60
03241-0510A-000 SCREW |
03241-0510A-000 |
from US $0.80 |
||
|
61
|
61
86720-52DD0-000
LABEL,SEAT WARNING
,,Chile,2,4,Taiwan,China,India |
86720-52DD0-000 |
— | ||
|
61
|
61
86720-54JE0-000
LABEL,SEAT WARNING
Saudi Arabia |
86720-54JE0-000 |
— | ||