Compressor (JB632W) Diagram Suzuki GRAND VITARA
- Year
- -
- Sales region
- Africa
- transmission
- MT
- grade
- STD
Difficulties in parts search?
Parts list
Difficulties in parts search?
| Description | OEM Part # | Price | |||
|---|---|---|---|---|---|
|
|
95200-76KB0-000
Compressor assy
|
95200-76KB0-000 |
— | ||
| replacement | |||||
|
|
95200-76KB1-000 COMPRESSOR ASSY |
95200-76KB1-000 |
from US $950.77 |
||
|
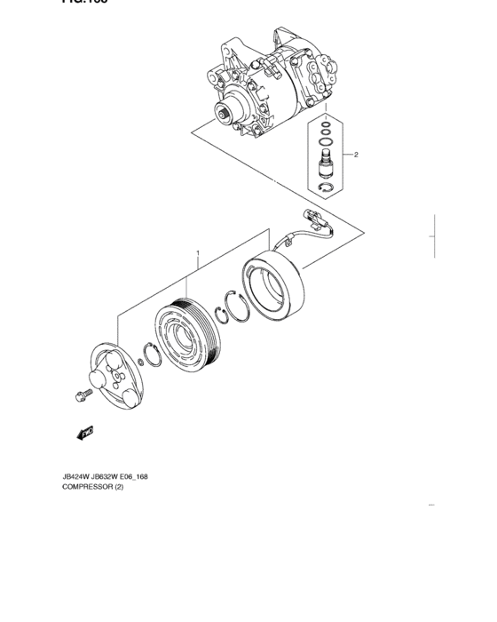
1
|
1
95210-76KB0-000 CLUTCH,MAGNET |
95210-76KB0-000 |
from US $400 |
||
|
2
|
2
95271-76KA0-000 VALVE,RELIEF |
95271-76KA0-000 |
US $25.60 |
||