Compressor (JB424W) Diagram Suzuki GRAND VITARA
- Year
- -
- Sales region
- U.S.A.
- drive
- 2WD
- transmission
- MT
- grade
- BASE
Difficulties in parts search?
Parts list
Difficulties in parts search?
| Description | OEM Part # | Price | |||
|---|---|---|---|---|---|
|
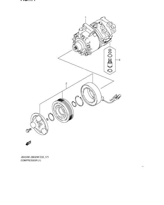
1
|
1
95200-76KA0-000
Compressor assy
|
95200-76KA0-000 |
— | ||
| replacement | |||||
|
1
|
1
95200-76KA1-000 COMPRESSOR ASSY |
95200-76KA1-000 |
from US $1,286.56 |
||
|
2
|
2
95210-76KA0-000 CLUTCH,MAGNET |
95210-76KA0-000 |
from US $397.44 |
||
|
3
|
3
95271-76KA0-000 VALVE,RELIEF |
95271-76KA0-000 |
US $25.60 |
||