Rear diff mounting (REAR DIFF MOUNTING) Diagram Suzuki GRAND VITARA

Year
-
Sales region
Caribbean
drive
AWD
transmission
AT
grade
PREMIUM PKG

Difficulties in parts search?

Parts list
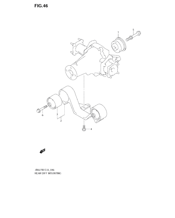
Rear diff mounting

Difficulties in parts search?

Rear diff mounting
Description OEM Part # Price
1
1
27561-66J20-000
Mounting comp,rr diff rear

27561-66J20-000

replacement
1
1

27561-66J21-000

MOUNTING,RR DIFF RR

27561-66J21-000

US $91.20

2
2

27680-66J40-000

BRACKET,RR DIFF MTG FRONT

27680-66J40-000

US $207.92

3
3

27562-66J20-000

MOUNTING,RR DIFF FR

27562-66J20-000

US $116

5
5

27692-66J00-000

BOLT,RR DIFF MTG REAR

27692-66J00-000

US $25.60

6
6

09135-14016-000

BOLT(14X98)

09135-14016-000

US $58.90

Rear diff mounting (REAR DIFF MOUNTING) Diagram Suzuki GRAND VITARA Caribbean 3795076-325460