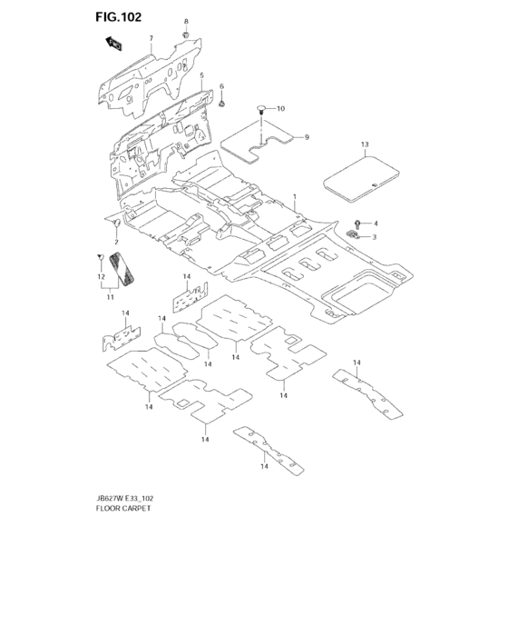
Floor carpet (FLOOR CARPET) Diagram Suzuki GRAND VITARA
- Year
- -
- Sales region
- Caribbean
- drive
- 4WD
- transmission
- AT
- grade
- PREMIUM+
Difficulties in parts search?
Difficulties in parts search?
| Description | OEM Part # | Price | |||
|---|---|---|---|---|---|
|
1
|
1
75160-65J11-R3F
CARPET,FR FL
06 MODEL,07 MODEL,GV,PREMIUM PKG,X SPORT,,PREMIUM+,LUXURY |
75160-65J11-R3F |
— | ||
|
1
|
1
75160-65J60-R3F CARPET,FR FL08 MODEL,GV,X SPORT,LUXURY |
75160-65J60-R3F |
US $707.52 |
||
|
1
|
1
75160-65J11-R9U
CARPET,FL
06 MODEL,07 MODEL,LUXURY |
75160-65J11-R9U |
— | ||
|
1
|
1
75160-65J60-R9U CARPET,FR FL08 MODEL,LUXURY |
75160-65J60-R9U |
US $707.52 |
||
|
2
|
2
09148-05042-000 CLIP |
09148-05042-000 |
US $1.12 |
||
|
3
|
3
75510-54F10-000 HOOK,LUGGAGE FLOOR |
75510-54F10-000 |
US $9.57 |
||
|
4
|
4
02162-0612A-000 SCREWBolt, bracket |
02162-0612A-000 |
from US $0.80 |
||
|
5
|
5
75210-65J00-000 SILENCER,DASH PNL |
75210-65J00-000 |
US $294.40 |
||
|
5
|
5
75210-65J20-000 SILENCER,DASH PANELJS3TD941 64100199~,JS3TD943 64100360~,JS3TD944 64100001~,JS3TD945 64100077~,JS3TD947 64100260~,JS3T 64100167~,JS3T 64100424~,JS3T 64100001~,JS3T 64100001~,JS3T 64100195~ |
75210-65J20-000 |
US $336.72 |
||
|
6
|
6
09148-05048-000 NUT |
09148-05048-000 |
US $0.96 |
||
|
7
|
7
75280-65J00-000
Silencer, dash outer
|
75280-65J00-000 |
— | ||
| replacements | |||||
|
7
|
7
75280-65J01-000
SILENCER,DASH OUTER
|
75280-65J01-000 |
— | ||
|
7
|
7
75280-65J02-000 Silencer,dash Outer |
75280-65J02-000 |
US $218.96 |
||
|
7
|
7
75280-65J01-000
SILENCER,DASH OUTER
JS3T 74203050~,JS3T 74204960~,JS3T 74201881~,JS3TD941 74204295~,JS3TD944 74203813~,JS3TD947 74204196~ |
75280-65J01-000 |
— | ||
|
8
|
8
09148-05048-000 NUT |
09148-05048-000 |
US $0.96 |
||
|
9
|
9
75221-65J00-000 SILENCER,FLOOR TUNNEL UPR |
75221-65J00-000 |
US $36.80 |
||
|
10
|
10
09409-06326-6GS CLIP(GRAY) |
09409-06326-6GS |
US $1.60 |
||
|
11
|
11
75451-65J00-000
PEDAL,FOOTREST
|
75451-65J00-000 |
— | ||
|
12
|
12
09409-08321-5ES CLIP(BLACK) |
09409-08321-5ES |
US $1.76 |
||
|
13
|
13
75440-65J01-R3F LID,LUGGAGE BOXGV,PREMIUM PKG,X SPORT,,PREMIUM+,LUXURY |
75440-65J01-R3F |
US $146.46 |
||
|
13
|
13
75440-65J01-R9U LID,LUGGAGE BOXLUXURY |
75440-65J01-R9U |
US $146.46 |
||
|
14
|
14
99611-60A01-000 SHEET,SILENCER 800X1000X3CUT AS REQUIRED |
99611-60A01-000 |
US $62.40 |
||