Horn (HORN) Diagram Suzuki GRAND VITARA
- Year
- -
- Sales region
- Middle east
- grade
- BASE
Difficulties in parts search?
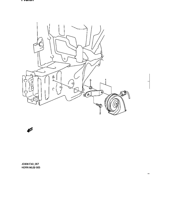
Parts list
Difficulties in parts search?
| Description | OEM Part # | Price | |||
|---|---|---|---|---|---|
|
1
|
1
38500-78J01-000
HORN ASSY
|
38500-78J01-000 |
— | ||
|
2
|
2
56119-78J00-000
Bolt
|
56119-78J00-000 |
— | ||
| replacement | |||||
|
2
|
2
38458-78J00-000
BOLT,M6X1X20
|
38458-78J00-000 |
— | ||
|
3
|
3
14234-78J00-000
NUT,M6
|
14234-78J00-000 |
— | ||