Oil cooler hose (07,08 MODEL) Diagram Suzuki GRAND VITARA
- Year
- -
- Sales region
- Pacific
- drive
- AWD
- grade
- BASE
Difficulties in parts search?
Parts list
Difficulties in parts search?
| Description | OEM Part # | Price | |||
|---|---|---|---|---|---|
|
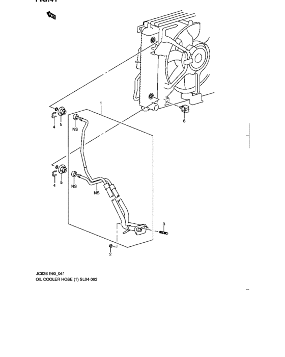
1
|
1
22910-78J02-000
HOSE,OIL COOLER
|
22910-78J02-000 |
— | ||
|
2
|
2
22911-78J00-000
NUT
|
22911-78J00-000 |
— | ||
|
3
|
3
22912-78J01-000
BOLT,STUD
|
22912-78J01-000 |
— | ||
|
4
|
4
17712-78J00-000
RETAINER
|
17712-78J00-000 |
— | ||
|
5
|
5
17711-78J00-000
COLLAR
|
17711-78J00-000 |
— | ||
|
6
|
6
17712-78J00-000
RETAINER
|
17712-78J00-000 |
— |