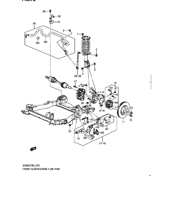
Front suspension (FRONT SUSPENSION) Diagram Suzuki GRAND VITARA
- Year
- -
- Sales region
- Pacific
- drive
- FWD
- grade
- BASE
Difficulties in parts search?
Difficulties in parts search?
| Description | OEM Part # | Price | |||
|---|---|---|---|---|---|
|
1
|
1
36771-78J00-000
BOLT,8X20
|
36771-78J00-000 |
— | ||
|
2
|
2
42423-78J00-000 NUT |
42423-78J00-000 |
US $9.02 |
||
|
3
|
3
46118-78J00-000
NUT
|
46118-78J00-000 |
— | ||
|
4
|
4
41615-78J00-000
Bolt
|
41615-78J00-000 |
— | ||
|
5
|
5
45119-78J00-000
Pin
|
45119-78J00-000 |
— | ||
| replacement | |||||
|
5
|
5
45119-78J01-000
PIN
|
45119-78J01-000 |
— | ||
|
6
|
6
45118-78J01-000
NUT
|
45118-78J01-000 |
— | ||
|
7
|
7
45151-78J00-000 KNUCKLE,STEERING,L |
45151-78J00-000 |
US $429.44 |
||
|
8
|
8
45111-78J00-000
KNUCKLE,STEERING,R
|
45111-78J00-000 |
— | ||
|
9
|
9
55322-78J00-000
COVER,BRAKE DISC DUST,L
|
55322-78J00-000 |
— | ||
|
10
|
10
55321-78J00-000
COVER,BRAKE DISC DUST,R
|
55321-78J00-000 |
— | ||
| replacement | |||||
|
10
|
10
55321-78J01-000
COVER,BRAKE DISC DUST,R
|
55321-78J01-000 |
— | ||
|
11
|
11
55211-78J01-000
Disc, front brake
|
55211-78J01-000 |
— | ||
| replacement | |||||
|
11
|
11
55211-78J02-000 DISC,FR BRAKE |
55211-78J02-000 |
US $200.56 |
||
|
12
|
12
55619-78J00-000
Bolt
|
55619-78J00-000 |
— | ||
|
13
|
13
43459-78J00-000
NUT
|
43459-78J00-000 |
— | ||
|
14
|
14
43421-78J01-000 HUB ASSY,FR WHL |
43421-78J01-000 |
US $665.28 |
||
|
15
|
15
43419-78J00-000
BOLT
|
43419-78J00-000 |
— | ||
|
16
|
16
43429-78J00-000
Bolt
|
43429-78J00-000 |
— | ||
|
17
|
17
45202-78J02-000 ARM ASSY,FR SPNSN LWR,L |
45202-78J02-000 |
US $356.96 |
||
|
18
|
18
45201-78J02-000
ARM ASSY,FR SPNSN LWR,R
|
45201-78J02-000 |
— | ||
|
19
|
19
45213-78J01-000
BUSH,FR SPNSN ARM LOWER,FR
|
45213-78J01-000 |
— | ||
|
20
|
20
45212-78J03-000 BUSH,FR SPNSN ARM LOWER,RR |
45212-78J03-000 |
from US $179.44 |
||
|
21
|
21
46118-78J00-000
NUT
|
46118-78J00-000 |
— | ||
|
22
|
22
46118-78J00-000
NUT
|
46118-78J00-000 |
— | ||
|
23
|
23
45215-78J00-000
Bolt
|
45215-78J00-000 |
— | ||
|
24
|
24
45225-78J01-000
Bolt
|
45225-78J01-000 |
— | ||
| replacement | |||||
|
24
|
24
45225-78J02-000
BOLT
|
45225-78J02-000 |
— | ||
|
25
|
25
42423-78J00-000 NUT |
42423-78J00-000 |
US $9.02 |
||
|
26
|
26
43458-78J01-000
Bolt
|
43458-78J01-000 |
— | ||
| replacement | |||||
|
26
|
26
43458-78J02-000
Bolt
|
43458-78J02-000 |
— | ||
|
27
|
27
45117-78J01-000
Bolt
|
45117-78J01-000 |
— | ||
|
28
|
28
42430-78J01-000
Joint, fr stabilizer lh
|
42430-78J01-000 |
— | ||
|
29
|
29
42420-78J01-000
Joint, fr stabilizer rh
|
42420-78J01-000 |
— | ||
|
30
|
30
42311-78J02-000
Bar,fr stabilizer
|
42311-78J02-000 |
— | ||
| replacement | |||||
|
30
|
30
42311-78J20-000
BAR,FR STABILIZER
|
42311-78J20-000 |
— | ||
|
31
|
31
42412-78J00-000 BUSH,FR STAB MOUNT |
42412-78J00-000 |
US $31.61 |
||
|
32
|
32
42413-78J00-000
BRACKET,FR STABILIZER
|
42413-78J00-000 |
— | ||
|
33
|
33
24793-78J00-000
BOLT,10X30
|
24793-78J00-000 |
— | ||