Floor panel (FLOOR PANEL) Diagram Suzuki GRAND VITARA
- Year
- -
- Sales region
- Canada
- drive
- FWD
- grade
- JX
Difficulties in parts search?
Difficulties in parts search?
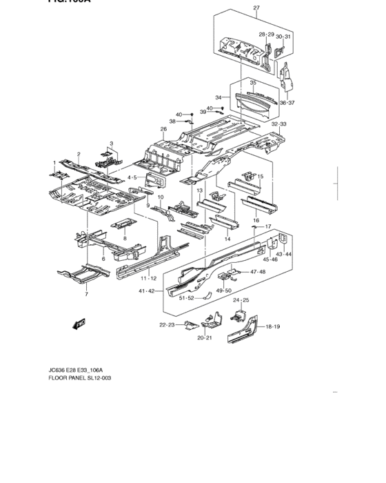
| Description | OEM Part # | Price | |||
|---|---|---|---|---|---|
|
1
|
1
61121-78J00-000
BRACKET,SHIFT CONTROL
|
61121-78J00-000 |
— | ||
|
2
|
2
61131-78J00-000
MEMBER,FL PANEL NO.2
|
61131-78J00-000 |
— | ||
|
3
|
3
61141-78J00-000
BRACKET,PARKING BK LEVER
|
61141-78J00-000 |
— | ||
|
4
|
4
61161-78J00-000
REINFORCEMENT,FL PANEL,R
|
61161-78J00-000 |
— | ||
|
5
|
5
61171-78J00-000
REINFORCEMENT,FL PANEL,L
|
61171-78J00-000 |
— | ||
|
6
|
6
61210-78J00-000
MEMBER,FL PANEL LWR
|
61210-78J00-000 |
— | ||
|
7
|
7
61221-78J01-000
MEMBER,FL PANEL NO.1
|
61221-78J01-000 |
— | ||
|
8
|
8
61231-78J00-000
REINFORCEMENT,FL PANEL RR
|
61231-78J00-000 |
— | ||
|
9
|
9
61241-78J00-000
MEMBER,FL PANEL NO.4,R
|
61241-78J00-000 |
— | ||
|
10
|
10
61251-78J00-000
MEMBER,FL PANEL NO.4,L
|
61251-78J00-000 |
— | ||
|
11
|
11
61310-78J00-000
PANEL,SIDE SILL INNER,R
|
61310-78J00-000 |
— | ||
|
12
|
12
61320-78J00-000
PANEL,SIDE SILL INNER,L
|
61320-78J00-000 |
— | ||
|
13
|
13
61331-78J00-000
MEMBER,FL PANEL NO.5,R
|
61331-78J00-000 |
— | ||
|
14
|
14
61341-78J00-000
MEMBER,FL PANEL NO.5,R
|
61341-78J00-000 |
— | ||
|
15
|
15
61351-78J00-000
MEMBER,SPARE WHEEL,R
|
61351-78J00-000 |
— | ||
|
16
|
16
61361-78J00-000
MEMBER,SPARE WHEEL,L
|
61361-78J00-000 |
— | ||
|
17
|
17
61371-78J00-000
BRACKET,RR LOWER PANEL
|
61371-78J00-000 |
— | ||
|
18
|
18
61411-78J00-000
EXTENSION,SIDE SILL RR,R
07 MODEL,08 MODEL |
61411-78J00-000 |
— | ||
|
18
|
18
61411-78J10-000
Extension, side sill rr rh
08 MODEL,SEE NOTE |
61411-78J10-000 |
— | ||
|
18
|
18
61411-78J01-000
EXTENSION,SIDE SILL RR,R
09 MODEL |
61411-78J01-000 |
— | ||
|
19
|
19
61421-78J00-000
EXTENSION,SIDE SILL RR,L
07 MODEL,08 MODEL |
61421-78J00-000 |
— | ||
|
19
|
19
61421-78J10-000
Extension, side sill rr lh
08 MODEL,SEE NOTE |
61421-78J10-000 |
— | ||
|
19
|
19
61421-78J01-000
EXTENSION,SIDE SILL RR,L
09 MODEL |
61421-78J01-000 |
— | ||
|
20
|
20
61431-78J00-000
REINFORCEMENT,RR FL PANEL FR,R
|
61431-78J00-000 |
— | ||
|
21
|
21
61441-78J00-000
REINFORCEMENT,RR FL PANEL FR,L
|
61441-78J00-000 |
— | ||
|
22
|
22
61451-78J00-000
MEMBER,FL PANEL SIDE,R
|
61451-78J00-000 |
— | ||
|
23
|
23
61461-78J00-000
MEMBER,FL PANEL SIDE,L
|
61461-78J00-000 |
— | ||
|
24
|
24
61471-78J00-000
REINFORCEMENT,RR FL PANEL RR,R
|
61471-78J00-000 |
— | ||
|
25
|
25
61481-78J00-000
REINFORCEMENT,RR FL PANEL RR,L
|
61481-78J00-000 |
— | ||
|
26
|
26
61521-78J10-000
PANEL,REAR FLOOR
|
61521-78J10-000 |
— | ||
|
27
|
27
61530-78J00-000
MEMBER,RR FL PANEL
|
61530-78J00-000 |
— | ||
|
28
|
28
61541-78J00-000
EXTENSION,RR MEMBER,R
|
61541-78J00-000 |
— | ||
|
29
|
29
61551-78J00-000
EXTENSION,RR MEMBER,L
|
61551-78J00-000 |
— | ||
|
30
|
30
61561-78J00-000
REINFORCEMENT,RR MEMBER,R
|
61561-78J00-000 |
— | ||
|
31
|
31
61571-78J00-000
REINFORCEMENT,RR MEMBER,R
|
61571-78J00-000 |
— | ||
|
32
|
32
61581-78J00-000
EXTENSION,RR FLOOR,R
|
61581-78J00-000 |
— | ||
|
33
|
33
61591-78J00-000
EXTENSION,RR FLOOR,L
|
61591-78J00-000 |
— | ||
|
34
|
34
61610-78J00-000
PANEL,REAR END
|
61610-78J00-000 |
— | ||
|
35
|
35
61612-78J00-000
BRACKET,RR BUMPER
|
61612-78J00-000 |
— | ||
|
36
|
36
61621-78J00-000
REINFORCEMENT,RR FL MEMBER,R
|
61621-78J00-000 |
— | ||
|
37
|
37
61631-78J00-000
REINFORCEMENT,RR FL MEMBER,L
|
61631-78J00-000 |
— | ||
|
38
|
38
61711-78J00-000
STRIKER,RR SEAT FR
|
61711-78J00-000 |
— | ||
|
39
|
39
61721-78J00-000
STRIKER,RR SEAT RR
|
61721-78J00-000 |
— | ||
|
40
|
40
87489-78J00-000
Bolt
|
87489-78J00-000 |
— | ||
|
41
|
41
62100-78J00-000
MEMBER,RR FL SIDE,R
|
62100-78J00-000 |
— | ||
|
42
|
42
62300-78J00-000
MEMBER,RR FL SIDE,L
|
62300-78J00-000 |
— | ||
|
43
|
43
62112-78J00-000
PLATE,RR BUMPER MEMBER,R
|
62112-78J00-000 |
— | ||
|
44
|
44
62312-78J00-000
PLATE,RR BUMPER MEMBER,L
|
62312-78J00-000 |
— | ||
|
45
|
45
62113-78J00-000
EXTENSION,RR SIDE MEMBER,R
|
62113-78J00-000 |
— | ||
|
46
|
46
62313-78J00-000
EXTENSION,RR SIDE MEMBER,L
|
62313-78J00-000 |
— | ||
|
47
|
47
62114-78J00-000
SUPPORT,RR SUSPENSION,R
|
62114-78J00-000 |
— | ||
|
48
|
48
62314-78J00-000
SUPPORT,RR SUSPENSION,L
|
62314-78J00-000 |
— | ||
|
49
|
49
62115-78J00-000
SEAT,RR SUPPORT UPR,R
|
62115-78J00-000 |
— | ||
|
50
|
50
62315-78J00-000
SEAT,RR SUPPORT UPR,L
|
62315-78J00-000 |
— | ||
|
51
|
51
62116-78J00-000
SUPPORT,RR SUSPENSION,R
|
62116-78J00-000 |
— | ||
|
52
|
52
62316-78J00-000
SUPPORT,RR SUSPENSION,L
|
62316-78J00-000 |
— | ||
|
53
|
53
45820-78J00-000
BRACKET,FR SUSPENSION,R
NOT ILLUSTRATED |
45820-78J00-000 |
— | ||
|
54
|
54
45821-78J00-000
BRACKET,FR SUSPENSION,L
NOT ILLUSTRATED |
45821-78J00-000 |
— | ||
|
55
|
55
45822-78J00-000
Bolt
NOT ILLUSTRATED |
45822-78J00-000 |
— | ||
|
56
|
56
45819-78J00-000
Bolt
NOT ILLUSTRATED |
45819-78J00-000 |
— |