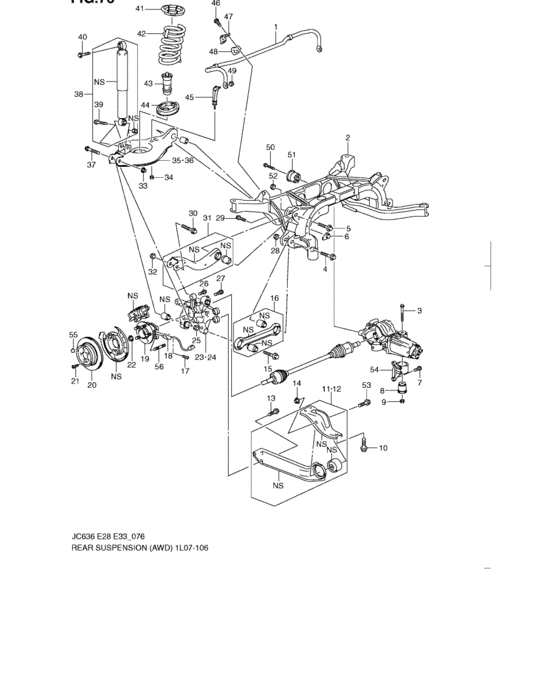
Rear suspension (AWD) Diagram Suzuki GRAND VITARA
- Year
- -
- Sales region
- Canada
- drive
- AWD
- grade
- CUSTOM
Difficulties in parts search?
Difficulties in parts search?
| Description | OEM Part # | Price | |||
|---|---|---|---|---|---|
|
1
|
1
46611-78J00-000
BAR,RR STABILIZER
|
46611-78J00-000 |
— | ||
|
2
|
2
46800-78J01-000
FRAME,RR SUSPENSION
|
46800-78J01-000 |
— | ||
|
3
|
3
29612-78J00-000
Bolt
|
29612-78J00-000 |
— | ||
|
4
|
4
46819-78J00-000
Bolt
|
46819-78J00-000 |
— | ||
|
5
|
5
46819-78J00-000
Bolt
|
46819-78J00-000 |
— | ||
|
6
|
6
46818-78J00-000
NUT
|
46818-78J00-000 |
— | ||
|
7
|
7
29528-78J00-000
BOLT,8X30
|
29528-78J00-000 |
— | ||
|
8
|
8
27550-78J00-000 BUSH |
27550-78J00-000 |
US $60.72 |
||
|
9
|
9
11733-78J00-000
NUT,M12
|
11733-78J00-000 |
— | ||
|
10
|
10
48590-78J10-000
Bolt
|
48590-78J10-000 |
— | ||
|
11
|
11
46307-78J00-000 ARM,RR SPNSN TRAILING,L |
46307-78J00-000 |
US $440 |
||
|
12
|
12
46305-78J00-000
Arm, rr spnsn trailing rh
|
46305-78J00-000 |
— | ||
| replacement | |||||
|
12
|
12
46305-78J01-000
ARM,RR SPNSN TRAILING,R
|
46305-78J01-000 |
— | ||
|
13
|
13
46317-78J00-000
Bolt
|
46317-78J00-000 |
— | ||
|
14
|
14
46118-78J00-000
NUT
|
46118-78J00-000 |
— | ||
|
15
|
15
46315-78J00-000
Bolt
|
46315-78J00-000 |
— | ||
|
16
|
16
46300-78J00-000 LINK ASSY,RR SUSPENSION |
46300-78J00-000 |
US $165.97 |
||
|
17
|
17
43429-78J00-000
Bolt
|
43429-78J00-000 |
— | ||
|
18
|
18
56310-78J01-000 SENSOR,RR WHEEL |
56310-78J01-000 |
US $114.82 |
||
|
19
|
19
43402-78J01-000 HUB ASSY,RR WHL |
43402-78J01-000 |
from US $577.28 |
||
|
20
|
20
55611-78J01-000
Disc, rear brake
|
55611-78J01-000 |
— | ||
| replacement | |||||
|
20
|
20
55611-78J02-000 DISC,RR BRAKE |
55611-78J02-000 |
US $231.84 |
||
|
21
|
21
55619-78J00-000
Bolt
|
55619-78J00-000 |
— | ||
|
22
|
22
43459-78J00-000
NUT
|
43459-78J00-000 |
— | ||
|
23
|
23
46150-78J02-000
KNUCKLE,RR SPNSN,L
07 MODEL |
46150-78J02-000 |
— | ||
| replacements | |||||
|
23
|
23
46150-78J11-000
Knuckle, rr spnsn lh
07 MODEL |
46150-78J11-000 |
— | ||
|
23
|
23
46150-78J20-000
KNUCKLE,RR SPNSN,R
07 MODEL |
46150-78J20-000 |
— | ||
|
23
|
23
46150-78J11-000
Knuckle, rr spnsn lh
08 MODEL,09 MODEL |
46150-78J11-000 |
— | ||
|
24
|
24
46110-78J02-000
Knuckle, rr spnsn rh
07 MODEL |
46110-78J02-000 |
— | ||
| replacements | |||||
|
24
|
24
46110-78J11-000 KNUCKLE,RR SPNSN,R07 MODEL |
46110-78J11-000 |
US $299.92 |
||
|
24
|
24
46110-78J13-000 KNUCKLE,RR SPNSN,R07 MODEL |
46110-78J13-000 |
US $299.92 |
||
|
24
|
24
46110-78J11-000 KNUCKLE,RR SPNSN,R08 MODEL,09 MODEL |
46110-78J11-000 |
US $299.92 |
||
|
25
|
25
46118-78J00-000
NUT
|
46118-78J00-000 |
— | ||
|
26
|
26
46117-78J02-000
Bolt
|
46117-78J02-000 |
— | ||
|
27
|
27
46116-78J00-000
Bolt
|
46116-78J00-000 |
— | ||
|
28
|
28
46817-78J00-000
NUT
|
46817-78J00-000 |
— | ||
|
29
|
29
46816-78J00-000
Bolt
|
46816-78J00-000 |
— | ||
| replacement | |||||
|
29
|
29
46816-78J01-000
Bolt
|
46816-78J01-000 |
— | ||
|
30
|
30
46115-78J00-000
Bolt
|
46115-78J00-000 |
— | ||
| replacement | |||||
|
30
|
30
46115-78J01-000
Bolt
|
46115-78J01-000 |
— | ||
|
31
|
31
46200-78J01-000
Arm assy,rr spnsn upper
|
46200-78J01-000 |
— | ||
| replacement | |||||
|
31
|
31
46200-78J10-000 ARM ASSY,RR SPNSN UPR |
46200-78J10-000 |
from US $140.49 |
||
|
32
|
32
46118-78J00-000
NUT
|
46118-78J00-000 |
— | ||
|
33
|
33
46118-78J00-000
NUT
|
46118-78J00-000 |
— | ||
|
34
|
34
46118-78J00-000
NUT
|
46118-78J00-000 |
— | ||
|
35
|
35
46205-78J02-000
ARM ASSY,RR SPNSN,LWR,R
|
46205-78J02-000 |
— | ||
|
36
|
36
46207-78J01-000
Arm assy,rear spnsn lower lh
|
46207-78J01-000 |
— | ||
| replacement | |||||
|
36
|
36
46207-78J02-000
ARM ASSY,RR SPNSN,LWR,L
|
46207-78J02-000 |
— | ||
|
37
|
37
46819-78J00-000
Bolt
|
46819-78J00-000 |
— | ||
|
38
|
38
41700-78J00-000 ABSORBER ASSY,RR SHOCK2ROW SEAT |
41700-78J00-000 |
from US $179.58 |
||
|
38
|
38
41700-78J11-000 ABSORBER ASSY,RR SHOCK3ROW SEAT |
41700-78J11-000 |
US $686.40 |
||
|
39
|
39
46215-78J00-000
Bolt
|
46215-78J00-000 |
— | ||
|
40
|
40
46215-78J00-000
Bolt
|
46215-78J00-000 |
— | ||
|
41
|
41
41341-78J00-000
SEAT,RR COIL SPRING UPPER
|
41341-78J00-000 |
— | ||
|
42
|
42
41311-78J31-000
SPRING,REAR COIL
2ROW SEAT |
41311-78J31-000 |
— | ||
|
42
|
42
41311-78J11-000
SPRING,REAR COIL
3ROW SEAT |
41311-78J11-000 |
— | ||
|
43
|
43
46217-78J00-000
STOPPER,REAR BUMP
|
46217-78J00-000 |
— | ||
|
44
|
44
41318-78J01-000
SEAT,RR COIL SPRING LOWER
|
41318-78J01-000 |
— | ||
|
45
|
45
46630-78J00-000 JOINT,RR STABILIZER |
46630-78J00-000 |
US $75.44 |
||
|
46
|
46
46619-78J00-000
Bolt
|
46619-78J00-000 |
— | ||
|
47
|
47
46642-78J00-000
BRACKET,RR STABILIZER
|
46642-78J00-000 |
— | ||
|
48
|
48
46641-78J00-000 MOUNT, RR STABILIZER |
46641-78J00-000 |
US $35.88 |
||
|
49
|
49
46618-78J00-000
NUT
|
46618-78J00-000 |
— | ||
|
50
|
50
46819-78J00-000
Bolt
|
46819-78J00-000 |
— | ||
|
51
|
51
46814-78J00-000
BUSH
|
46814-78J00-000 |
— | ||
| replacement | |||||
|
51
|
51
46814-78J01-000 BUSH |
46814-78J01-000 |
US $64.03 |
||
|
52
|
52
46815-78J01-000
NUT
W/TOE ADJUST CAM |
46815-78J01-000 |
— | ||
|
53
|
53
46115-78J00-000
Bolt
|
46115-78J00-000 |
— | ||
| replacement | |||||
|
53
|
53
46115-78J01-000
Bolt
|
46115-78J01-000 |
— | ||
|
54
|
54
29611-78J00-000
BUSH
|
29611-78J00-000 |
— | ||
|
55
|
55
43241-78J00-000
PLUG
|
43241-78J00-000 |
— | ||
|
56
|
56
43419-78J00-000
BOLT
|
43419-78J00-000 |
— | ||