Steering wheel (N/LEATHER,W/CRUISE CONTROL) Diagram Suzuki GRAND VITARA

Year
-
Sales region
Canada
drive
FWD
grade
BASE

Difficulties in parts search?

Parts list
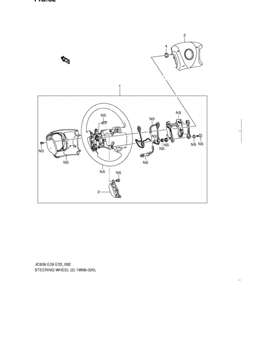
Steering wheel

Difficulties in parts search?

Steering wheel
Description OEM Part # Price
1
1
48110-78J11-000
WHEEL ASSY,STEERING

48110-78J11-000

2
2
37460-78J00-000
SWITCH ASSY,CRUISE CONTROL

37460-78J00-000

3
3
48150-78J02-000
MODULE ASSY,A/B

48150-78J02-000

4
4
48119-78J00-000
NUT

48119-78J00-000

Steering wheel (N/LEATHER,W/CRUISE CONTROL) Diagram Suzuki GRAND VITARA Canada 3795404-325501