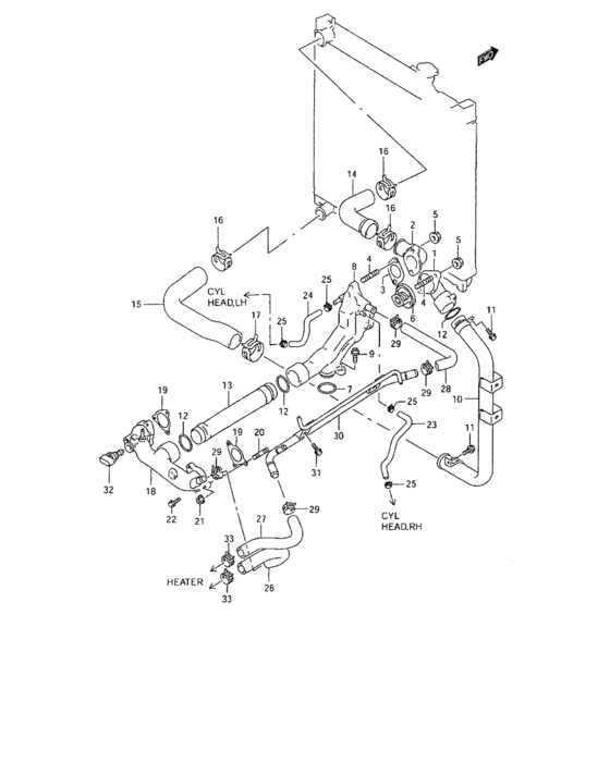
Water hose (WATER HOSE) Diagram Suzuki GRAND VITARA
- Year
- -
- Sales region
- Canada
- drive
- 2WD
- transmission
- AT
Difficulties in parts search?
Difficulties in parts search?
| Description | OEM Part # | Price | |||
|---|---|---|---|---|---|
|
1
|
1
17561-67D01-000 CAP,WTR THERMOSTAT |
17561-67D01-000 |
US $77.52 |
||
|
2
|
2
17571-67D00-000
CAP,WTR OUTLET
|
17571-67D00-000 |
— | ||
|
3
|
3
17579-67D00-000 GASKET,WTR OUTLET CAP |
17579-67D00-000 |
from US $4.95 |
||
|
4
|
4
01421-08253-000
Stud bolt, no.2
|
01421-08253-000 |
— | ||
| replacement | |||||
|
4
|
4
01421-0825A-000 BOLT,STUD |
01421-0825A-000 |
from US $1.12 |
||
|
5
|
5
08316-10083-000
Nut
|
08316-10083-000 |
— | ||
| replacement | |||||
|
5
|
5
08316-1008B-000 NUT |
08316-1008B-000 |
from US $0.76 |
||
|
6
|
6
17670-77E11-000 THERMOSTAT,WATER 82 DEG |
17670-77E11-000 |
from US $25.16 |
||
|
7
|
7
09280-44008-000 O RING(D:2.4,ID:39.5) |
09280-44008-000 |
from US $2.88 |
||
|
8
|
8
17690-67D01-000
ケース,サーモスタット
|
17690-67D01-000 |
— | ||
| replacement | |||||
|
8
|
8
17690-52D00-000 CASE,THERMOSTAT |
17690-52D00-000 |
US $305.52 |
||
|
9
|
9
07120-10253-000
Bolt
|
07120-10253-000 |
— | ||
| replacement | |||||
|
9
|
9
07120-1025A-000 Bolt |
07120-1025A-000 |
from US $5.88 |
||
|
10
|
10
17550-67D00-000 PIPE,WATER INLET |
17550-67D00-000 |
US $91.20 |
||
|
11
|
11
01550-06123-000
Bolt
|
01550-06123-000 |
— | ||
| replacements | |||||
|
11
|
11
01550-0612B-000 BOLTBolt, clamp |
01550-0612B-000 |
from US $0.76 |
||
|
11
|
11
01550-0612A-000 BOLT |
01550-0612A-000 |
from US $0.76 |
||
|
12
|
12
09280-34005-000 O RING(D:3.5,ID:33.7) |
09280-34005-000 |
from US $2.08 |
||
|
13
|
13
17589-77E00-000 PIPE,WTR OUTLET |
17589-77E00-000 |
from US $17.78 |
||
|
14
|
14
17841-77E00-000 HOSE,RADIATOR INLET |
17841-77E00-000 |
US $24.80 |
||
|
15
|
15
17851-67D01-000 HOSE,RADIATOR OUTLET |
17851-67D01-000 |
from US $28.51 |
||
|
16
|
16
09401-36403-000
クリップ
|
09401-36403-000 |
— | ||
| replacement | |||||
|
16
|
16
09401-35403-000 CLIP |
09401-35403-000 |
from US $2.56 |
||
|
17
|
17
09401-36403-000
クリップ
|
09401-36403-000 |
— | ||
| replacement | |||||
|
17
|
17
09401-35403-000 CLIP |
09401-35403-000 |
from US $2.56 |
||
|
18
|
18
17570-67D10-000
CAP,WTR OUTLET
|
17570-67D10-000 |
— | ||
|
19
|
19
17579-85FA0-000 GASKET,WTR OUTLET CAP |
17579-85FA0-000 |
US $12.80 |
||
|
20
|
20
01421-06203-000
Stud bolt (l:20)(green)
|
01421-06203-000 |
— | ||
| replacement | |||||
|
20
|
20
01421-0620A-000 BOLT,STUD |
01421-0620A-000 |
from US $1.12 |
||
|
21
|
21
08316-10063-000
Nut
|
08316-10063-000 |
— | ||
| replacement | |||||
|
21
|
21
08316-1006B-000 NUT |
08316-1006B-000 |
from US $0.76 |
||
|
22
|
22
01550-06203-000
Bolt
|
01550-06203-000 |
— | ||
| replacement | |||||
|
22
|
22
01550-0620B-000 BOLTBolt, inspection cap |
01550-0620B-000 |
from US $0.76 |
||
|
23
|
23
17857-77E00-000 HOSE,WATER HEAD,R |
17857-77E00-000 |
US $20 |
||
|
24
|
24
17858-77E00-000 HOSE,WATER HEAD,L |
17858-77E00-000 |
from US $7.97 |
||
|
25
|
25
09401-10409-000 CLIP |
09401-10409-000 |
from US $1.12 |
||
|
26
|
26
17871-73X50-000 HOSE ASSY,BREATHER |
17871-73X50-000 |
US $26.61 |
||
|
27
|
27
17872-67D00-000 HOSE,HEATER OUTLET |
17872-67D00-000 |
from US $10.08 |
||
|
28
|
28
17873-77E01-000 HOSE,WATER CIRCULATION |
17873-77E01-000 |
US $20 |
||
|
29
|
29
09401-18403-000 CLIPClip, heater hose |
09401-18403-000 |
US $1.92 |
||
|
30
|
30
17880-67D10-000
PIPE,HEATER OUTLET
|
17880-67D10-000 |
— | ||
|
31
|
31
01550-06123-000
Bolt
|
01550-06123-000 |
— | ||
| replacements | |||||
|
31
|
31
01550-0612B-000 BOLTBolt, clamp |
01550-0612B-000 |
from US $0.76 |
||
|
31
|
31
01550-0612A-000 BOLT |
01550-0612A-000 |
from US $0.76 |
||
|
32
|
32
13650-50G01-000 Sensor,water Temp |
13650-50G01-000 |
from US $66.62 |
||
|
33
|
33
09401-18403-000 CLIPClip, heater hose |
09401-18403-000 |
US $1.92 |
||